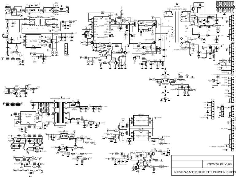
Vestel 17pw20.1 Circuit Diagram

Vestel 17pw20.1 Circuit Diagram

  • Category : Circuit Diagram
  • Post Date : January 27, 2026
Vestel 17pw20.1 Circuit Diagram 9 out of 10 based on 70 ratings. 10 user reviews.

Vestel 17pw20.1 Circuit Diagram

Vestel 17pw20

How To Create Circuit Diagram

Arduino Projects Ldmos Solid State Pa Control

Intelligent 1ah U2013 55ah Battery Charger Circuit Uc3906

Build A Simple 10 Watt Power Amplifier Circuit Diagram

Electronic T R Switching And The Ameritron Qsk

Maximite Stepper Motor Interface Uln2003 Circuit Diagram

Attiny85 Based Universal Pc Remote

Td350e - Advanced Igbt Mosfet Driver

Fanuc A16b O

Tx

Electrical Topics Construction U0026 Working Of Multimeter Or

1 5v Fm Transmitter Circuit 88-108mhz

The Aa8v Twinplex Regenerative Receiver

Tl494 Inverter Circuit With Irf3205 Power Mosfet 2000w

Protel Dxp Training Ch 5

Clipper Circuit - Example 7

Ponyprog Circuit For Avr U0026 Pic16f84

Emissions Computer Circuits Fj60 Usa

Introduction And How To Used Stm32f4 Discovery Ki

How To Make A Pcb From A Diagram

Digital Voltmeter Circuit Using 8051

Nr

Schematic Diagram

2sc5200 2sa1943 Amplifier Schematic

Ece 4760 Time System

Diagram Vestel 17pw20.1 Circuit Diagram

  • Download Vestel 17pw20.1 Circuit Diagram

    draw.io is free online diagram software for making flowcharts, process diagrams, org charts, UML, ER and network diagrams

    Open and edit diagrams online with Draw.io, a free diagram software supporting various formats and diagram types.

    Create a new diagram, or open an existing diagram in your new tab. To create a new diagram, enter a Diagram Name and click the location where you want to save the file.

    Create flowcharts and diagrams online with this easy to use software.

    Create and edit diagrams with draw.io, a free diagramming tool that integrates seamlessly with Office 365.

    app.diagrams.net

    Easily import diagrams from Lucidchart to diagrams.net or draw.io with this simple tool.

    Access and integrate Google Drive files with Draw.io using the Google Picker tool for seamless diagram creation.

    Clearing Cached version 29.3.4... OK Update Start App

    confEmbedUpload=For a better editing experience, please use the regular draw.io macro to insert a blank diagram, then from (File menu → Import From → Device...) select the file you want to upload and embed.

    3 way switch,3 way switch wiring,3 way switch wiring diagram pdf,3 way wiring diagram,3way switch wiring diagram,4 prong dryer outlet wiring diagram,4 prong trailer wiring diagram,6 way trailer wiring diagram,7 pin trailer wiring diagram with brakes,7 pin wiring diagram,alternator wiring diagram,amp wiring diagram,automotive lighting,cable harness,chevrolet,diagram,dodge,doorbell wiring diagram,ecobee wiring diagram,electric motor,electrical connector,electrical wiring,electrical wiring diagram,ford,fuse,honeywell thermostat wiring diagram,ignition system,kenwood car stereo wiring diagram,light switch wiring diagram,lighting,motor wiring diagram,nest doorbell wiring diagram,nest hello wiring diagram,nest labs,nest thermostat,nest thermostat wiring diagram,phone connector,pin,pioneer wiring diagram,plug wiring diagram,pump,radio,radio wiring diagram,relay,relay wiring diagram,resistor,rj45 wiring diagram,schematic,semi-trailer truck,sensor,seven pin trailer wiring diagram,speaker wiring diagram,starter wiring diagram,stereo wiring diagram,stereophonic sound,strat wiring diagram,switch,switch wiring diagram,telecaster wiring diagram,thermostat wiring,thermostat wiring diagram,trailer brake controller,trailer plug wiring diagram,trailer wiring diagram,user guide,wire,wire diagram,wiring diagram,wiring diagram 3 way switch,wiring harness

    close