05 Trx450r Carb Diagram

05 Trx450r Carb Diagram

  • Category : Carb Diagram
  • Post Date : January 26, 2026
05 Trx450r Carb Diagram 9 out of 10 based on 40 ratings. 90 user reviews.

05 Trx450r Carb Diagram

2000 Honda Foreman 450 Parts Diagram U2022 Downloaddescargar Com

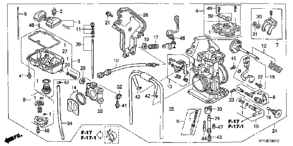
Honda Atv 2007 Oem Parts Diagram For Carburetor U0026 39 06

07 Fcr Carb Help

Wheres The Fuel Screw On 05

Strange Carb Problem Please Help

U0026 39 06 Carb Diagrams Exploded Views

06 Yfz Carb

Honda Trx450r Sportrax 2005 E-18 Carburetor

Carb Rebuild Repair Kit Honda Trx450r 2004 2005 Trx450 Trx

Carburetor Trx450r6 7 8 Er6 7 8 For Honda Trx 450 R

Honda Wiring Honda Foreman Carburetor Diagram 500 2007

Honda Trx450r Parts Diagram

Question About Carb 450r

2010 Honda Cr V Fuse Box

Dangerous Carb Problem

Carb Rebuild Repair Kit Honda Trx450r Trx 450r 06 07 08

Carburetor Carb Rebuild Kit Pilot Main Needle Jet Gasket

Sport Quad Carb Jetting

Honda Carburetor Assembly 2004

Fuel Screw For Trx Stock U0026 Fcr Carbs

Tech Tips

Modded Stock 04 05 Carb

Trx 450 Carb - Replacement Engine Parts

Honda Carburetor Assembly 2004

Lt-r450 Carburetor Kit

Honda Trx450r Er Sportrax Atv Printed Service Manual By

Modded Stock 04 05 Carb

Honda Trx450r Er Sportrax Atv Printed Service Manual By

Honda Crf450r 2005

Trx450r Exaust Yoshimura

Honda Trx450r Trx 450r Trx 450 R Service Repa By

06 Dvx 400 Fuel Problem - Page 2 - Arcticchat Com

Modded Stock 04 05 Carb

Honda Trx450r Trx 450r Trx 450 R Service Repair Manual

Modded Stock 04 05 Carb

2006

2005 Honda Trx450r - 1 200

Honda Trx450r Crank Case

Yamaha Yz250f Yz 250f Carburetor Hoses Carburetor Vent

Hsr Vs Lectron Carbs Pics Edition

Modded Stock 04 05 Carb

Throttle Position Sensor School Me

2005 Sportsman 500 Parts Diagram U2022 Downloaddescargar Com

Starting Problems

Honda Crf450r 2005

Main Jet Holder Carb Rebuild Help

Honda Atv 2005 Oem Parts Diagram For Rear Axle Drive

Strange Pilot Jet Questions On A Bored Fcr

2005 Honda Trx450r Lever Set Pump Carburetor Engine

Modded Stock 04 05 Carb

Carb Rebuild Carburetor Repair Kit Honda 2005

Is The Stealership Crazy - Page 2

Diagram 05 Trx450r Carb Diagram

  • Download 05 Trx450r Carb Diagram

    draw.io is free online diagram software for making flowcharts, process diagrams, org charts, UML, ER and network diagrams

    Open and edit diagrams online with Draw.io, a free diagram software supporting various formats and diagram types.

    Create a new diagram, or open an existing diagram in your new tab. To create a new diagram, enter a Diagram Name and click the location where you want to save the file.

    Create flowcharts and diagrams online with this easy to use software.

    Create and edit diagrams with draw.io, a free diagramming tool that integrates seamlessly with Office 365.

    Easily import diagrams from Lucidchart to diagrams.net or draw.io with this simple tool.

    Access and integrate Google Drive files with Draw.io using the Google Picker tool for seamless diagram creation.

    Clearing Cached version 29.3.4... OK Update Start App

    confEmbedUpload=For a better editing experience, please use the regular draw.io macro to insert a blank diagram, then from (File menu → Import From → Device...) select the file you want to upload and embed.

    If you enter personal information into a diagram and perform an action that requires us to send that diagram to a server for processing, your personal data may be processed on that server, but never stored.

    3 way switch,3 way switch wiring,3 way switch wiring diagram pdf,3 way wiring diagram,3way switch wiring diagram,4 prong dryer outlet wiring diagram,4 prong trailer wiring diagram,6 way trailer wiring diagram,7 pin trailer wiring diagram with brakes,7 pin wiring diagram,alternator wiring diagram,amp wiring diagram,automotive lighting,cable harness,chevrolet,diagram,dodge,doorbell wiring diagram,ecobee wiring diagram,electric motor,electrical connector,electrical wiring,electrical wiring diagram,ford,fuse,honeywell thermostat wiring diagram,ignition system,kenwood car stereo wiring diagram,light switch wiring diagram,lighting,motor wiring diagram,nest doorbell wiring diagram,nest hello wiring diagram,nest labs,nest thermostat,nest thermostat wiring diagram,phone connector,pin,pioneer wiring diagram,plug wiring diagram,pump,radio,radio wiring diagram,relay,relay wiring diagram,resistor,rj45 wiring diagram,schematic,semi-trailer truck,sensor,seven pin trailer wiring diagram,speaker wiring diagram,starter wiring diagram,stereo wiring diagram,stereophonic sound,strat wiring diagram,switch,switch wiring diagram,telecaster wiring diagram,thermostat wiring,thermostat wiring diagram,trailer brake controller,trailer plug wiring diagram,trailer wiring diagram,user guide,wire,wire diagram,wiring diagram,wiring diagram 3 way switch,wiring harness

    close