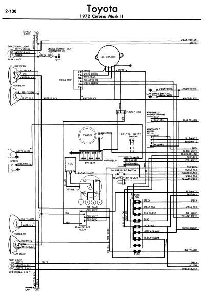
1970s Toyota Corona Repair Manual Diagram

1970s Toyota Corona Repair Manual Diagram

  • Category : Manual Diagram
  • Post Date : January 27, 2026
1970s Toyota Corona Repair Manual Diagram 9 out of 10 based on 50 ratings. 50 user reviews.

1970s Toyota Corona Repair Manual Diagram

Repair

Repair

Repair

Repair

Repair

Repair

Repair

Repair

Repair

Repair

Toyota Corona Service Manuals

Repair

Repair

Repair

Toyota Corona 1965

Repair

Toyota Corona 1974 Wiring Diagrams

Repair

Repair

Toyota Corona Carina E Repair Manual Order U0026 Download

Toyota Corona Carina E Repair Manual Order U0026 Download

Toyota Corona Carina E Repair Manual Order U0026 Download

Toyota Corona Manual

Toyota Corona Carina E Repair Manual Order U0026 Download

Toyota Corona Manual

Toyota Corona Carina E Repair Manual Order U0026 Download

Diagram 1970s Toyota Corona Repair Manual Diagram

  • Download 1970s Toyota Corona Repair Manual Diagram

    draw.io is free online diagram software for making flowcharts, process diagrams, org charts, UML, ER and network diagrams

    Create and edit diagrams with draw.io, a free diagramming tool that integrates seamlessly with Office 365.

    Create flowcharts and diagrams online with this easy to use software.

    Open and edit diagrams online with Draw.io, a free diagram software supporting various formats and diagram types.

    Create a new diagram, or open an existing diagram in your new tab. To create a new diagram, enter a Diagram Name and click the location where you want to save the file.

    Easily import diagrams from Lucidchart to diagrams.net or draw.io with this simple tool.

    app.diagrams.net

    Clearing Cached version 29.3.4... OK Update Start App

    confEmbedUpload=For a better editing experience, please use the regular draw.io macro to insert a blank diagram, then from (File menu → Import From → Device...) select the file you want to upload and embed.

    Editing the diagram from page view may cause data loss. Please edit the Confluence page first and then edit the diagram. confConfigSpacePerm=Note: If you recently migrated from DC app, please check draw.io Configuration space permissions such that all users can read and only admins can write.

    3 way switch,3 way switch wiring,3 way switch wiring diagram pdf,3 way wiring diagram,3way switch wiring diagram,4 prong dryer outlet wiring diagram,4 prong trailer wiring diagram,6 way trailer wiring diagram,7 pin trailer wiring diagram with brakes,7 pin wiring diagram,alternator wiring diagram,amp wiring diagram,automotive lighting,cable harness,chevrolet,diagram,dodge,doorbell wiring diagram,ecobee wiring diagram,electric motor,electrical connector,electrical wiring,electrical wiring diagram,ford,fuse,honeywell thermostat wiring diagram,ignition system,kenwood car stereo wiring diagram,light switch wiring diagram,lighting,motor wiring diagram,nest doorbell wiring diagram,nest hello wiring diagram,nest labs,nest thermostat,nest thermostat wiring diagram,phone connector,pin,pioneer wiring diagram,plug wiring diagram,pump,radio,radio wiring diagram,relay,relay wiring diagram,resistor,rj45 wiring diagram,schematic,semi-trailer truck,sensor,seven pin trailer wiring diagram,speaker wiring diagram,starter wiring diagram,stereo wiring diagram,stereophonic sound,strat wiring diagram,switch,switch wiring diagram,telecaster wiring diagram,thermostat wiring,thermostat wiring diagram,trailer brake controller,trailer plug wiring diagram,trailer wiring diagram,user guide,wire,wire diagram,wiring diagram,wiring diagram 3 way switch,wiring harness

    close