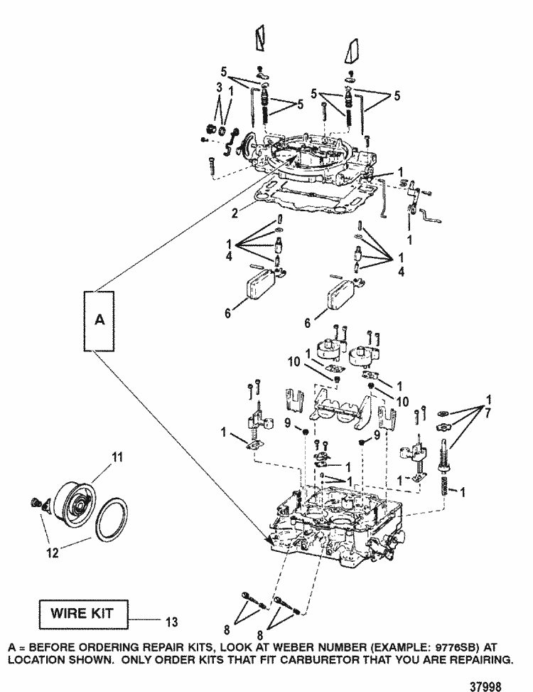
1989 Mercruiser 7 4 Engine Diagram

1989 Mercruiser 7 4 Engine Diagram

  • Category : Engine Diagram
  • Post Date : January 26, 2026
1989 Mercruiser 7 4 Engine Diagram 9 out of 10 based on 80 ratings. 20 user reviews.

1989 Mercruiser 7 4 Engine Diagram

Hardin Marine

Mercruiser 190 4 Barrel Mercury 224 I L4 1985

Mercruiser 7 4l Bravo Mpi Gen Vi Gm 454 V

Mercruiser 496 Mag Base Model Power Steering Parts

Mercruiser 470 2 Barrel Mercury 224 I L4 1983

Mercruiser 4 3lx Gen 2 Barrel Gm 262 V

Mercruiser 100 Vazer Ec Cylinder Block Flywheel Housing U0026 Coupler Parts

Mercruiser 7 4l Mpi Mie L29 Gen Vi Gm 454 V

Mercruiser 7 4l Bravo Gen V Gm 454 V

Mercury Quicksilver 881170a 7

Mercruiser Black Scorpion 350 Mag Mpi Electrical Components Parts

Mercury Marine 18 Hp Throttle U0026 Shift Linkage Manual Parts

Mercruiser 888 2 Barrel Ford 302 V

2004 185 Br Fuse Arrangement-gctid741215

Diagram 1989 Mercruiser 7 4 Engine Diagram

  • Download 1989 Mercruiser 7 4 Engine Diagram

    draw.io is free online diagram software for making flowcharts, process diagrams, org charts, UML, ER and network diagrams

    Open and edit diagrams online with Draw.io, a free diagram software supporting various formats and diagram types.

    Create a new diagram, or open an existing diagram in your new tab. To create a new diagram, enter a Diagram Name and click the location where you want to save the file.

    Create flowcharts and diagrams online with this easy to use software.

    Easily import diagrams from Lucidchart to diagrams.net or draw.io with this simple tool.

    Create and edit diagrams with draw.io, a free diagramming tool that integrates seamlessly with Office 365.

    Access and integrate Google Drive files with Draw.io using the Google Picker tool for seamless diagram creation.

    Clearing Cached version 29.3.4... OK Update Start App

    7.2 The Software will initiate transfers of data forming part of the Diagrams (“Diagram Data”) to services supplied by third parties when you expressly request conversion of Diagrams: a. to another supported file format; and b. to PDF format.

    "short_name": "draw.io", "description": "draw.io is a free diagram editor", "icons": [ { "src": ".. favicon.ico", "type": "image x icon", "sizes": "16x16 32x32" }, { "src": "icon 192.png", "type": "image png", "sizes": "192x192" }, { "src": "icon 512.png", "type": "image png", "sizes": "512x512" },

    3 way switch,3 way switch wiring,3 way switch wiring diagram pdf,3 way wiring diagram,3way switch wiring diagram,4 prong dryer outlet wiring diagram,4 prong trailer wiring diagram,6 way trailer wiring diagram,7 pin trailer wiring diagram with brakes,7 pin wiring diagram,alternator wiring diagram,amp wiring diagram,automotive lighting,cable harness,chevrolet,diagram,dodge,doorbell wiring diagram,ecobee wiring diagram,electric motor,electrical connector,electrical wiring,electrical wiring diagram,ford,fuse,honeywell thermostat wiring diagram,ignition system,kenwood car stereo wiring diagram,light switch wiring diagram,lighting,motor wiring diagram,nest doorbell wiring diagram,nest hello wiring diagram,nest labs,nest thermostat,nest thermostat wiring diagram,phone connector,pin,pioneer wiring diagram,plug wiring diagram,pump,radio,radio wiring diagram,relay,relay wiring diagram,resistor,rj45 wiring diagram,schematic,semi-trailer truck,sensor,seven pin trailer wiring diagram,speaker wiring diagram,starter wiring diagram,stereo wiring diagram,stereophonic sound,strat wiring diagram,switch,switch wiring diagram,telecaster wiring diagram,thermostat wiring,thermostat wiring diagram,trailer brake controller,trailer plug wiring diagram,trailer wiring diagram,user guide,wire,wire diagram,wiring diagram,wiring diagram 3 way switch,wiring harness

    close