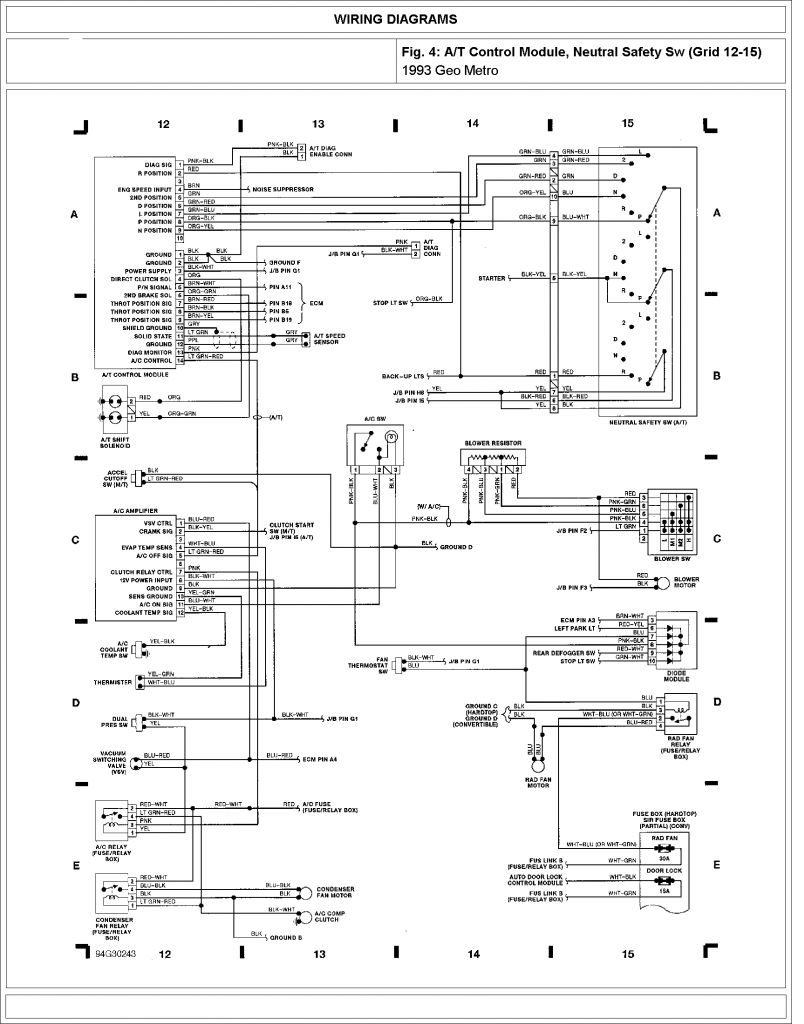
1990 Geo Metro Starter Wiring Diagram

1990 Geo Metro Starter Wiring Diagram

  • Category : Wiring Diagram
  • Post Date : January 27, 2026
1990 Geo Metro Starter Wiring Diagram 9 out of 10 based on 70 ratings. 70 user reviews.

1990 Geo Metro Starter Wiring Diagram

95 Geo Tracker I Had A Company Swap Out Engine Wires

I Have A1996 Geo Tracker The Motor Was Out Got Another

I Have A1996 Geo Tracker The Motor Was Out Got Another

Geo Tracker Starter Wiring

1996 Geo Metro Wiring Diagram

Push Button Ignition

Push Button Ignition

1991 Geo Metro Wiring Diagram 29 Wiring Diagram Images

What Are The Ignition Switch Wires For

1998 Chevy Prizm Engine Diagram

I Have A 1992 Geo Tracker With A 1 6 Liter My Problem Is

I Have A Geo Prizm Wont Start With Key Replace Ignition

Metro Geo Will Start Fine If It Sits For Few Hours But

Starter Relay Or Ignition Switch

Limited Car Alarm Circuit Wiring Diagram Steelmate Car

1997 Geo Prizm Fuse On The Stereo Dome

1997 Geo Prizm Fuse On The Stereo Dome

Geo Prizm Starter Location

Chevrolet Geo Metro 1998 Fuse Box Block Circuit Breaker

Wrg

1993 Geo Tracker Wiring Diagram

Geo Metro 1 0 2001 Auto Images And Specification Metra

96 Geo Tracker Fuse Box

Fuel Pump Relay Buzzing No Start

1990 Geo Tracker No Start No Tach Getting Spark Getting

Geo Tracker Will Crank Over But Won U0026 39 T Start

Geo Tracker Wiring Harness

Geo Prizm Lsi I Have A 1996 Geo Prism With 1 8 Engine The

Geo Metro 1994 Hatchback Component Junction Fuse Box Block

I Have A Similar Problem To One That Was Mentioned Before

1992 Geo Metro Original Shop Manual 92 Oem Repair Service

2001 Tracker Wiring Diagram Wiring Diagram

1989 Suzuki Sidekick Wiring Diagrams

Suzuki Ignition Switch Diagram Suzuki Wiring Diagram Images

Push Button Ignition

Geo Storm 1600 1993 Junction Fuse Box Block Circuit

Geo Metro 1994 Hatchback Component Junction Fuse Box Block

Intermittent Wipers Not Working

Remy U00ae

81efc Geo Tracker Starter Wiring

1998 Chevy Metro

Chevy 1996 4x4 Electri Fan U0026 39 Remove Starter From Chevy Geo

Geo Suzuki Wiring

1997 Geo Prizm Fuse On The Stereo Dome

92 Geo Metro Fuse Box

1991 Dodge Ram 350 Issue

99 Geo Metro Fuel Filter

1999 Chevrolet Prizm Starter Shut Car Off And Starter Is

A C No Power

Kill Switch How-to

3 Wire Gm Alternator Wiring

Working A Stock Tbi Harness For Conversions Picture

Diagram 1990 Geo Metro Starter Wiring Diagram

  • Download 1990 Geo Metro Starter Wiring Diagram

    draw.io is free online diagram software for making flowcharts, process diagrams, org charts, UML, ER and network diagrams

    Open and edit diagrams online with Draw.io, a free diagram software supporting various formats and diagram types.

    Create a new diagram, or open an existing diagram in your new tab. To create a new diagram, enter a Diagram Name and click the location where you want to save the file.

    Create flowcharts and diagrams online with this easy to use software.

    Create and edit diagrams with draw.io, a free diagramming tool that integrates seamlessly with Office 365.

    app.diagrams.net

    Easily import diagrams from Lucidchart to diagrams.net or draw.io with this simple tool.

    Access and integrate Google Drive files with Draw.io using the Google Picker tool for seamless diagram creation.

    Clearing Cached version 29.3.4... OK Update Start App

    confEmbedUpload=For a better editing experience, please use the regular draw.io macro to insert a blank diagram, then from (File menu → Import From → Device...) select the file you want to upload and embed.

    3 way switch,3 way switch wiring,3 way switch wiring diagram pdf,3 way wiring diagram,3way switch wiring diagram,4 prong dryer outlet wiring diagram,4 prong trailer wiring diagram,6 way trailer wiring diagram,7 pin trailer wiring diagram with brakes,7 pin wiring diagram,alternator wiring diagram,amp wiring diagram,automotive lighting,cable harness,chevrolet,diagram,dodge,doorbell wiring diagram,ecobee wiring diagram,electric motor,electrical connector,electrical wiring,electrical wiring diagram,ford,fuse,honeywell thermostat wiring diagram,ignition system,kenwood car stereo wiring diagram,light switch wiring diagram,lighting,motor wiring diagram,nest doorbell wiring diagram,nest hello wiring diagram,nest labs,nest thermostat,nest thermostat wiring diagram,phone connector,pin,pioneer wiring diagram,plug wiring diagram,pump,radio,radio wiring diagram,relay,relay wiring diagram,resistor,rj45 wiring diagram,schematic,semi-trailer truck,sensor,seven pin trailer wiring diagram,speaker wiring diagram,starter wiring diagram,stereo wiring diagram,stereophonic sound,strat wiring diagram,switch,switch wiring diagram,telecaster wiring diagram,thermostat wiring,thermostat wiring diagram,trailer brake controller,trailer plug wiring diagram,trailer wiring diagram,user guide,wire,wire diagram,wiring diagram,wiring diagram 3 way switch,wiring harness

    close