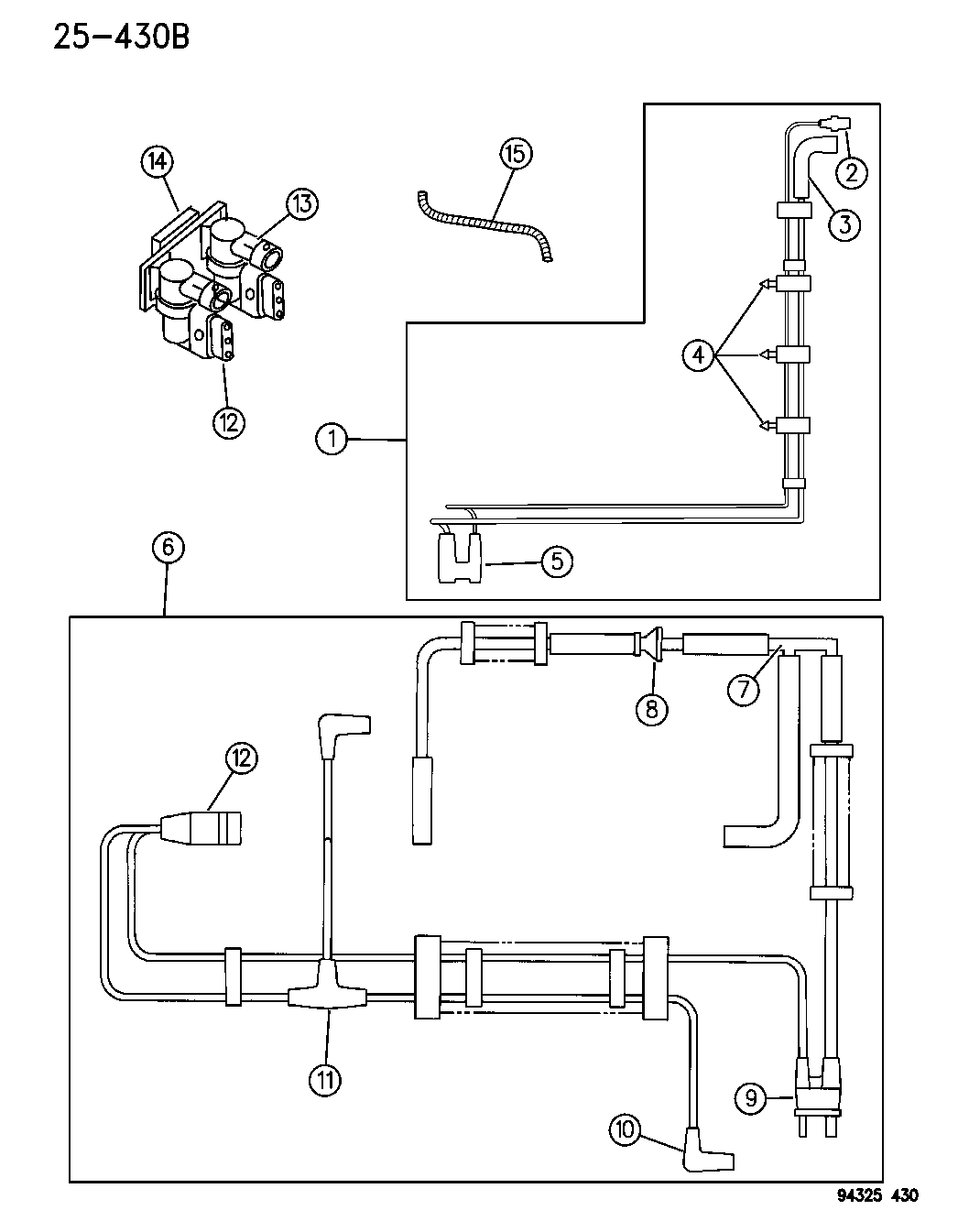
1999 Dodge Dakota Vacuum Diagram

1999 Dodge Dakota Vacuum Diagram

  • Category : Vacuum Diagram
  • Post Date : January 27, 2026
1999 Dodge Dakota Vacuum Diagram 9 out of 10 based on 20 ratings. 90 user reviews.

1999 Dodge Dakota Vacuum Diagram

1988 Dodge Dakota Vacuum Schematic I U0026 39 M Looking For The Vacuum

Need Vacuum Hose Diagram For 1994 Dodge Dakota 3 9 Engine

Vacuum Line Diagram For 98 Dodge Dakota

Vacuum Line Diagram For 98 Dodge Dakota

Solved Vacuum Diagram 02 Dakota 3 9l 2 Wheel Drive Club

Vacuum Line Diagram For 98 Dodge Dakota

I Need A Vacuum Hose Diagram For A Magnum V 94 Last 8 Of The Vin Is

Dodge Dakota Vacuum Diagram

Dodge Dakota Questions - The Hose It U0026 39 S On The Front Of The Carburetor Where Does It Go

1998 Dodge Durango Vacuum Diagram I Think That When I Replaced

4734722

Vacuum Line Diagram For 98 Dodge Dakota

98 Dodge Stratus Vacuum Diagram

Need The Vacuum Hose Diagram For Carb 88 Dodge Ram 50

Where Can I Get A Vacuum Schematic For A Dodge Raider 4 Cyl Year 1987

Diagram 2002 Dodge 1500 4 7 Vacuum Diagram Pictures

Drawing Of The Vacuum System Vac Tank Check Valve And Hoses

Need A Vacuum Line Diagram For Heater Controls 1986 Dodge D150 Like All Others It Crumbled At

Nvld Pump Installation Help

Vacuum Hose Removal - Dodge Dakota Forum

1990 Dodge Sperit 2 5 Non Turbo I Need The Engine Valcum Digram

Where Can I Get A Vacuum Diagram For A 87 Dodge Ram Van

98 Dodge Stratus Vacuum Diagram

89 Dodge Dakota Vacuum Line Diagram Wiring Schematic

89 Dodge Dakota Vacuum Line Diagram Wiring Schematic

Technical Car Experts Answers Everything You Need Vacuum Reservoir Diagram For 1998 Dodge Ram

Dodge Ram 50 Pickup Questions

Vacuum Lines At Transfer Case

Repair Guides

1999 Dodge Ram Vacuum Diagram

Parts Com U00ae

My 2003 Dodge Dakota V8 Check Engine Light Is On The Obd Ii Code Is P0441 I Have Average

6 Best Images Of Dodge Vacuum Line Diagram

2004 Ram 4 7 Need Diagram For The Vacuum Lines I Disconected All Of Them Dont Know How The Plug

1999 Dodge Ram Vacuum Diagram

89 Dodge Dakota Vacuum Line Diagram Wiring Schematic

Need A Diagram Of The Vacuum Hose Attachments Points Of The Carb Of A Ram 50 1987 2 6 Liter

2003 Dodge Ram Vacuum Diagram

I Have A 98 Dodge Dakota 4x4 5 2l V8 Automatic I Broke The Vacume Line That Controls My Defrost

53031123

Diagram 1999 Dodge Dakota Vacuum Diagram

  • Download 1999 Dodge Dakota Vacuum Diagram

    draw.io is free online diagram software for making flowcharts, process diagrams, org charts, UML, ER and network diagrams

    Open and edit diagrams online with Draw.io, a free diagram software supporting various formats and diagram types.

    Create a new diagram, or open an existing diagram in your new tab. To create a new diagram, enter a Diagram Name and click the location where you want to save the file.

    Create flowcharts and diagrams online with this easy to use software.

    Create and edit diagrams with draw.io, a free diagramming tool that integrates seamlessly with Office 365.

    app.diagrams.net

    Easily import diagrams from Lucidchart to diagrams.net or draw.io with this simple tool.

    Access and integrate Google Drive files with Draw.io using the Google Picker tool for seamless diagram creation.

    Clearing Cached version 29.3.4... OK Update Start App

    confEmbedUpload=For a better editing experience, please use the regular draw.io macro to insert a blank diagram, then from (File menu → Import From → Device...) select the file you want to upload and embed.

    3 way switch,3 way switch wiring,3 way switch wiring diagram pdf,3 way wiring diagram,3way switch wiring diagram,4 prong dryer outlet wiring diagram,4 prong trailer wiring diagram,6 way trailer wiring diagram,7 pin trailer wiring diagram with brakes,7 pin wiring diagram,alternator wiring diagram,amp wiring diagram,automotive lighting,cable harness,chevrolet,diagram,dodge,doorbell wiring diagram,ecobee wiring diagram,electric motor,electrical connector,electrical wiring,electrical wiring diagram,ford,fuse,honeywell thermostat wiring diagram,ignition system,kenwood car stereo wiring diagram,light switch wiring diagram,lighting,motor wiring diagram,nest doorbell wiring diagram,nest hello wiring diagram,nest labs,nest thermostat,nest thermostat wiring diagram,phone connector,pin,pioneer wiring diagram,plug wiring diagram,pump,radio,radio wiring diagram,relay,relay wiring diagram,resistor,rj45 wiring diagram,schematic,semi-trailer truck,sensor,seven pin trailer wiring diagram,speaker wiring diagram,starter wiring diagram,stereo wiring diagram,stereophonic sound,strat wiring diagram,switch,switch wiring diagram,telecaster wiring diagram,thermostat wiring,thermostat wiring diagram,trailer brake controller,trailer plug wiring diagram,trailer wiring diagram,user guide,wire,wire diagram,wiring diagram,wiring diagram 3 way switch,wiring harness

    close