199toyota 4runner Wiring Diagram Manual Original

199toyota 4runner Wiring Diagram Manual Original

  • Category : Manual Original
  • Post Date : January 27, 2026
199toyota 4runner Wiring Diagram Manual Original 9 out of 10 based on 70 ratings. 20 user reviews.

199toyota 4runner Wiring Diagram Manual Original

1999 Toyota A C Wiring Diagram Manual Original Corolla

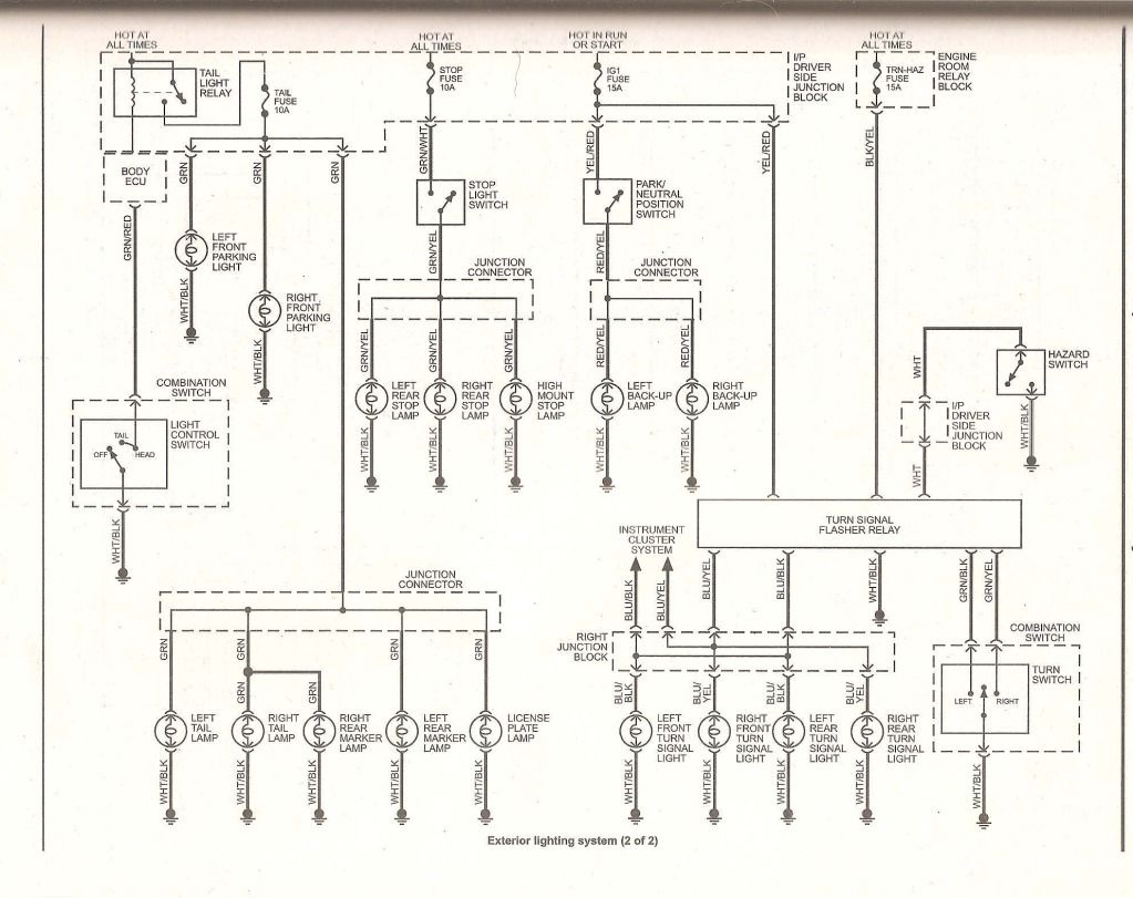
1998 Toyota 4runner Wiring Diagram Manual Original

1997 Toyota 4runner Wiring Diagram Manual Original

2003 Toyota 4runner Wiring Diagram Manual Original

2000 Toyota 4runner Wiring Diagram Manual Original

2007 Toyota 4runner Wiring Diagram

2005 Toyota 4runner Wiring Diagram

1991 Toyota Previa Wiring Diagram Manual Original

Stereo Wiring Question - Toyota 4runner Forum

1984 Toyota Tercel Wiring Diagram Manual Original

2005 Toyota Highlander Wiring Diagram Manual Original

Toyota Tape Pin Out

Anyone Have A Diagram Of The Oem Drl Relay 4th Gen

1996 Toyota 4runner Parts

Diagram 199toyota 4runner Wiring Diagram Manual Original

  • Download 199toyota 4runner Wiring Diagram Manual Original

    draw.io is free online diagram software for making flowcharts, process diagrams, org charts, UML, ER and network diagrams

    Open and edit diagrams online with Draw.io, a free diagram software supporting various formats and diagram types.

    Create a new diagram, or open an existing diagram in your new tab. To create a new diagram, enter a Diagram Name and click the location where you want to save the file.

    Create flowcharts and diagrams online with this easy to use software.

    Create and edit diagrams with draw.io, a free diagramming tool that integrates seamlessly with Office 365.

    app.diagrams.net

    Easily import diagrams from Lucidchart to diagrams.net or draw.io with this simple tool.

    Access and integrate Google Drive files with Draw.io using the Google Picker tool for seamless diagram creation.

    Clearing Cached version 29.3.4... OK Update Start App

    confEmbedUpload=For a better editing experience, please use the regular draw.io macro to insert a blank diagram, then from (File menu → Import From → Device...) select the file you want to upload and embed.

    3 way switch,3 way switch wiring,3 way switch wiring diagram pdf,3 way wiring diagram,3way switch wiring diagram,4 prong dryer outlet wiring diagram,4 prong trailer wiring diagram,6 way trailer wiring diagram,7 pin trailer wiring diagram with brakes,7 pin wiring diagram,alternator wiring diagram,amp wiring diagram,automotive lighting,cable harness,chevrolet,diagram,dodge,doorbell wiring diagram,ecobee wiring diagram,electric motor,electrical connector,electrical wiring,electrical wiring diagram,ford,fuse,honeywell thermostat wiring diagram,ignition system,kenwood car stereo wiring diagram,light switch wiring diagram,lighting,motor wiring diagram,nest doorbell wiring diagram,nest hello wiring diagram,nest labs,nest thermostat,nest thermostat wiring diagram,phone connector,pin,pioneer wiring diagram,plug wiring diagram,pump,radio,radio wiring diagram,relay,relay wiring diagram,resistor,rj45 wiring diagram,schematic,semi-trailer truck,sensor,seven pin trailer wiring diagram,speaker wiring diagram,starter wiring diagram,stereo wiring diagram,stereophonic sound,strat wiring diagram,switch,switch wiring diagram,telecaster wiring diagram,thermostat wiring,thermostat wiring diagram,trailer brake controller,trailer plug wiring diagram,trailer wiring diagram,user guide,wire,wire diagram,wiring diagram,wiring diagram 3 way switch,wiring harness

    close