2000 Daewoo Leganza Fuse Box

2000 Daewoo Leganza Fuse Box

  • Category : Fuse Box
  • Post Date : January 26, 2026
2000 Daewoo Leganza Fuse Box 9 out of 10 based on 100 ratings. 60 user reviews.

2000 Daewoo Leganza Fuse Box

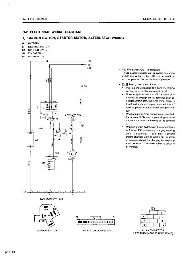
Solved Were Is My Brake Fuse Located On My 2001 Daewoo

I Need A Diagram For The Fuses In A Daewoo Leganza 2001

Daewoo Lanos Se Manual Passenger 2001 Fuse Box Block

I Cannot Find Where The Fuse Is For My Tail Lights And

Daewoo Lanos Drl 2007 Fuse Box Block Circuit Breaker

2001 Daewoo Leganza Wiring Diagrams

Daewoo Ac Wiring Diagrams

2001 Daewoo Leganza Exhaust Diagram Daewoo Auto Parts

Buy 02

Diagram Motor 2011 Lincoln Mks Pdf

Service Manual Diagrams To Remove 2007 Honda Pilot Driver

Diagram 2000 Daewoo Leganza Fuse Box

  • Download 2000 Daewoo Leganza Fuse Box

    draw.io is free online diagram software for making flowcharts, process diagrams, org charts, UML, ER and network diagrams

    Open and edit diagrams online with Draw.io, a free diagram software supporting various formats and diagram types.

    Create a new diagram, or open an existing diagram in your new tab. To create a new diagram, enter a Diagram Name and click the location where you want to save the file.

    Create flowcharts and diagrams online with this easy to use software.

    Create and edit diagrams with draw.io, a free diagramming tool that integrates seamlessly with Office 365.

    Easily import diagrams from Lucidchart to diagrams.net or draw.io with this simple tool.

    Access and integrate Google Drive files with Draw.io using the Google Picker tool for seamless diagram creation.

    Clearing Cached version 29.3.4... OK Update Start App

    confEmbedUpload=For a better editing experience, please use the regular draw.io macro to insert a blank diagram, then from (File menu → Import From → Device...) select the file you want to upload and embed.

    If you enter personal information into a diagram and perform an action that requires us to send that diagram to a server for processing, your personal data may be processed on that server, but never stored.

    3 way switch,3 way switch wiring,3 way switch wiring diagram pdf,3 way wiring diagram,3way switch wiring diagram,4 prong dryer outlet wiring diagram,4 prong trailer wiring diagram,6 way trailer wiring diagram,7 pin trailer wiring diagram with brakes,7 pin wiring diagram,alternator wiring diagram,amp wiring diagram,automotive lighting,cable harness,chevrolet,diagram,dodge,doorbell wiring diagram,ecobee wiring diagram,electric motor,electrical connector,electrical wiring,electrical wiring diagram,ford,fuse,honeywell thermostat wiring diagram,ignition system,kenwood car stereo wiring diagram,light switch wiring diagram,lighting,motor wiring diagram,nest doorbell wiring diagram,nest hello wiring diagram,nest labs,nest thermostat,nest thermostat wiring diagram,phone connector,pin,pioneer wiring diagram,plug wiring diagram,pump,radio,radio wiring diagram,relay,relay wiring diagram,resistor,rj45 wiring diagram,schematic,semi-trailer truck,sensor,seven pin trailer wiring diagram,speaker wiring diagram,starter wiring diagram,stereo wiring diagram,stereophonic sound,strat wiring diagram,switch,switch wiring diagram,telecaster wiring diagram,thermostat wiring,thermostat wiring diagram,trailer brake controller,trailer plug wiring diagram,trailer wiring diagram,user guide,wire,wire diagram,wiring diagram,wiring diagram 3 way switch,wiring harness

    close