2001 Ford Focus Steering Column Wiring Diagram

2001 Ford Focus Steering Column Wiring Diagram

  • Category : Wiring Diagram
  • Post Date : January 27, 2026
2001 Ford Focus Steering Column Wiring Diagram 9 out of 10 based on 90 ratings. 90 user reviews.

2001 Ford Focus Steering Column Wiring Diagram

2002 Ford Focus Parts Diagram

How Do I Install Steering Wheel Audio Controls And Wiring

2001 Ford F 150 Suspension Diagram

Ford Truck Steering Column Diagram

Manual Fog Light Operation - Page 3

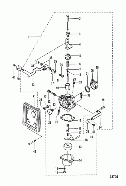
Mercury Outboard Carburetor Parts

Ford Ranger 4x4 Control Module Location Ford Wiring

Library Of 2004 Silverado Tow Package Wiring Diagram Files

2002 Ford Focus Sunroof Wiring Diagram

2002 Ford Focus Sunroof Wiring Diagram

Ford C

On My 2000 Taurus I Only Have The Right Headlight All

Electric Steering Assist

Steering Angle Sensor

Diagram 2001 Ford Focus Steering Column Wiring Diagram

  • Download 2001 Ford Focus Steering Column Wiring Diagram

    draw.io is free online diagram software for making flowcharts, process diagrams, org charts, UML, ER and network diagrams

    Open and edit diagrams online with Draw.io, a free diagram software supporting various formats and diagram types.

    Create a new diagram, or open an existing diagram in your new tab. To create a new diagram, enter a Diagram Name and click the location where you want to save the file.

    Create flowcharts and diagrams online with this easy to use software.

    Create and edit diagrams with draw.io, a free diagramming tool that integrates seamlessly with Office 365.

    Easily import diagrams from Lucidchart to diagrams.net or draw.io with this simple tool.

    Access and integrate Google Drive files with Draw.io using the Google Picker tool for seamless diagram creation.

    Clearing Cached version 29.3.4... OK Update Start App

    confEmbedUpload=For a better editing experience, please use the regular draw.io macro to insert a blank diagram, then from (File menu → Import From → Device...) select the file you want to upload and embed.

    If you enter personal information into a diagram and perform an action that requires us to send that diagram to a server for processing, your personal data may be processed on that server, but never stored.

    3 way switch,3 way switch wiring,3 way switch wiring diagram pdf,3 way wiring diagram,3way switch wiring diagram,4 prong dryer outlet wiring diagram,4 prong trailer wiring diagram,6 way trailer wiring diagram,7 pin trailer wiring diagram with brakes,7 pin wiring diagram,alternator wiring diagram,amp wiring diagram,automotive lighting,cable harness,chevrolet,diagram,dodge,doorbell wiring diagram,ecobee wiring diagram,electric motor,electrical connector,electrical wiring,electrical wiring diagram,ford,fuse,honeywell thermostat wiring diagram,ignition system,kenwood car stereo wiring diagram,light switch wiring diagram,lighting,motor wiring diagram,nest doorbell wiring diagram,nest hello wiring diagram,nest labs,nest thermostat,nest thermostat wiring diagram,phone connector,pin,pioneer wiring diagram,plug wiring diagram,pump,radio,radio wiring diagram,relay,relay wiring diagram,resistor,rj45 wiring diagram,schematic,semi-trailer truck,sensor,seven pin trailer wiring diagram,speaker wiring diagram,starter wiring diagram,stereo wiring diagram,stereophonic sound,strat wiring diagram,switch,switch wiring diagram,telecaster wiring diagram,thermostat wiring,thermostat wiring diagram,trailer brake controller,trailer plug wiring diagram,trailer wiring diagram,user guide,wire,wire diagram,wiring diagram,wiring diagram 3 way switch,wiring harness

    close