2004 Ford Ltd Fuse Panel Diagram

2004 Ford Ltd Fuse Panel Diagram

  • Category : Panel Diagram
  • Post Date : January 26, 2026
2004 Ford Ltd Fuse Panel Diagram 9 out of 10 based on 20 ratings. 10 user reviews.

2004 Ford Ltd Fuse Panel Diagram

1970 Fuse Panel Diagram

How Can I Get A Fuse Box Diagram For My 1985 5 0l Thunderbird

78 F-250 Fuse Panel

Flasher

Ford E250 2002 Engine Fuse Box Block Circuit Breaker

2008 Ford F250 Super Duty Fuse Panel Diagram

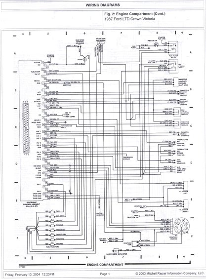
1985 Ford Crown Victoria Ltd Wire Diagrams Pictures

Ba Ltd Sat Nav Just Got The Car So Nice But How Do

Drock96marquis U0026 39 Panther Platform Fuse Charts Page

2006 Range Rover Sport Hse Fuse Box Black Bedroom

Evo 8 Interior Fuse Box Diagram

Diagram Dse 7320 Wiring Diagram Full Version Hd Quality

1985 Ford Crown Victoria Ltd Wire Diagrams Pictures

Diagram 2004 Ford Ltd Fuse Panel Diagram

  • Download 2004 Ford Ltd Fuse Panel Diagram

    draw.io is free online diagram software for making flowcharts, process diagrams, org charts, UML, ER and network diagrams

    Open and edit diagrams online with Draw.io, a free diagram software supporting various formats and diagram types.

    Create a new diagram, or open an existing diagram in your new tab. To create a new diagram, enter a Diagram Name and click the location where you want to save the file.

    Create flowcharts and diagrams online with this easy to use software.

    Create and edit diagrams with draw.io, a free diagramming tool that integrates seamlessly with Office 365.

    Easily import diagrams from Lucidchart to diagrams.net or draw.io with this simple tool.

    Access and integrate Google Drive files with Draw.io using the Google Picker tool for seamless diagram creation.

    Clearing Cached version 29.3.4... OK Update Start App

    confEmbedUpload=For a better editing experience, please use the regular draw.io macro to insert a blank diagram, then from (File menu → Import From → Device...) select the file you want to upload and embed.

    If you enter personal information into a diagram and perform an action that requires us to send that diagram to a server for processing, your personal data may be processed on that server, but never stored.

    3 way switch,3 way switch wiring,3 way switch wiring diagram pdf,3 way wiring diagram,3way switch wiring diagram,4 prong dryer outlet wiring diagram,4 prong trailer wiring diagram,6 way trailer wiring diagram,7 pin trailer wiring diagram with brakes,7 pin wiring diagram,alternator wiring diagram,amp wiring diagram,automotive lighting,cable harness,chevrolet,diagram,dodge,doorbell wiring diagram,ecobee wiring diagram,electric motor,electrical connector,electrical wiring,electrical wiring diagram,ford,fuse,honeywell thermostat wiring diagram,ignition system,kenwood car stereo wiring diagram,light switch wiring diagram,lighting,motor wiring diagram,nest doorbell wiring diagram,nest hello wiring diagram,nest labs,nest thermostat,nest thermostat wiring diagram,phone connector,pin,pioneer wiring diagram,plug wiring diagram,pump,radio,radio wiring diagram,relay,relay wiring diagram,resistor,rj45 wiring diagram,schematic,semi-trailer truck,sensor,seven pin trailer wiring diagram,speaker wiring diagram,starter wiring diagram,stereo wiring diagram,stereophonic sound,strat wiring diagram,switch,switch wiring diagram,telecaster wiring diagram,thermostat wiring,thermostat wiring diagram,trailer brake controller,trailer plug wiring diagram,trailer wiring diagram,user guide,wire,wire diagram,wiring diagram,wiring diagram 3 way switch,wiring harness

    close