2888 Rg Wiring Diagram For

2888 Rg Wiring Diagram For

  • Category : Diagram For
  • Post Date : January 26, 2026
2888 Rg Wiring Diagram For 9 out of 10 based on 50 ratings. 90 user reviews.

2888 Rg Wiring Diagram For

Ibanez Rg320 Wiring Diagram

Ibanez Rg Wiring Diagram U2013 Diagram Sample

Ibanez Rg Model Wiring Question

Ibanez Rg 320 Wiring Diagram

Best Ibanez Rg 270 Wiring Diagram Ibanez Rg Wiring Diagram

Rg220 Wiring Diagram Gif By Werner1

Ibanez Rg 320 Wiring Diagram

Rg7cttl

Ibanez Rg2ex1 Wiring Diagram

Ibanez Guitar Wiring Diagrams

Ibanez 321 Rg Series Wiring Diagram

The Guitar Wiring Blog

Rg7321 Wiring Diagram

Ibanez Rg 5 Way Switch

Rg 470 U0026 39 93 Mik - Trem U0026 Pickup Mods - Page 5

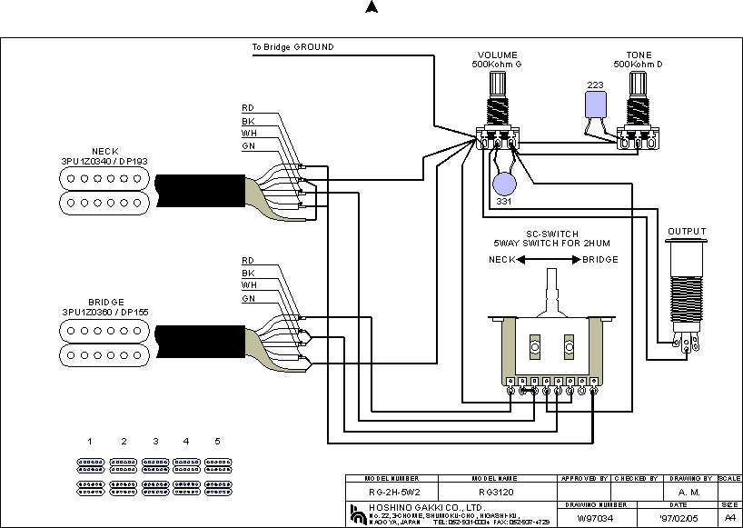
Rg3120

Rg3120f

Wiring Help

Ibanez

Rg7620 Wirring

Bridge Pickup Problem Ibanez Rg320fm

Ibanez Rg560 Pickup Wiring

Ibanez 321 Rg Series Wiring Diagram

Rg7321 Wiring Diagram

Rg927 Coil Tap Wiring

Ibanez 5 Way Pickup Selector Switch Fits Rg Rga Jem Apex

Diagram 2888 Rg Wiring Diagram For

  • Download 2888 Rg Wiring Diagram For

    draw.io is free online diagram software for making flowcharts, process diagrams, org charts, UML, ER and network diagrams

    Open and edit diagrams online with Draw.io, a free diagram software supporting various formats and diagram types.

    Create a new diagram, or open an existing diagram in your new tab. To create a new diagram, enter a Diagram Name and click the location where you want to save the file.

    Create flowcharts and diagrams online with this easy to use software.

    Easily import diagrams from Lucidchart to diagrams.net or draw.io with this simple tool.

    Create and edit diagrams with draw.io, a free diagramming tool that integrates seamlessly with Office 365.

    Access and integrate Google Drive files with Draw.io using the Google Picker tool for seamless diagram creation.

    Clearing Cached version 29.3.4... OK Update Start App

    7.2 The Software will initiate transfers of data forming part of the Diagrams (“Diagram Data”) to services supplied by third parties when you expressly request conversion of Diagrams: a. to another supported file format; and b. to PDF format.

    "short_name": "draw.io", "description": "draw.io is a free diagram editor", "icons": [ { "src": ".. favicon.ico", "type": "image x icon", "sizes": "16x16 32x32" }, { "src": "icon 192.png", "type": "image png", "sizes": "192x192" }, { "src": "icon 512.png", "type": "image png", "sizes": "512x512" },

    3 way switch,3 way switch wiring,3 way switch wiring diagram pdf,3 way wiring diagram,3way switch wiring diagram,4 prong dryer outlet wiring diagram,4 prong trailer wiring diagram,6 way trailer wiring diagram,7 pin trailer wiring diagram with brakes,7 pin wiring diagram,alternator wiring diagram,amp wiring diagram,automotive lighting,cable harness,chevrolet,diagram,dodge,doorbell wiring diagram,ecobee wiring diagram,electric motor,electrical connector,electrical wiring,electrical wiring diagram,ford,fuse,honeywell thermostat wiring diagram,ignition system,kenwood car stereo wiring diagram,light switch wiring diagram,lighting,motor wiring diagram,nest doorbell wiring diagram,nest hello wiring diagram,nest labs,nest thermostat,nest thermostat wiring diagram,phone connector,pin,pioneer wiring diagram,plug wiring diagram,pump,radio,radio wiring diagram,relay,relay wiring diagram,resistor,rj45 wiring diagram,schematic,semi-trailer truck,sensor,seven pin trailer wiring diagram,speaker wiring diagram,starter wiring diagram,stereo wiring diagram,stereophonic sound,strat wiring diagram,switch,switch wiring diagram,telecaster wiring diagram,thermostat wiring,thermostat wiring diagram,trailer brake controller,trailer plug wiring diagram,trailer wiring diagram,user guide,wire,wire diagram,wiring diagram,wiring diagram 3 way switch,wiring harness

    close