50 Hp Mercury Wiring Diagram 1980 Or 1981

50 Hp Mercury Wiring Diagram 1980 Or 1981

  • Category : Or 1981
  • Post Date : January 27, 2026
50 Hp Mercury Wiring Diagram 1980 Or 1981 9 out of 10 based on 30 ratings. 70 user reviews.

50 Hp Mercury Wiring Diagram 1980 Or 1981

Mercury Outboard Wiring Diagrams

Mercury Outboard Wiring Diagrams

1980-1981 70 Hp Ignition Problem Page 1

Mercury Outboard Wiring Diagrams

Mercury Outboard Wiring Diagrams

Mercury Outboard Wiring Diagrams

I U0026 39 M Looking For A Wiring Diagram For A 1984 Mercury 115 Hp

1979 115 Chrysler Wiring Diagram Page 1

Evinrude Johnson Outboard Wiring Diagrams

Mastertech Marine

I Have A 1980 U0026 39 S Mercury 200hp Outboard Only Have Spark On

I Have A 1979 Mercury 50 Hp Removed Rectafier Last Year To

Mercury Outboard Wiring Diagrams

30 Hp Mercury Outboard Wiring Diagram

Mercury Outboard Wiring Diagrams

Mastertech Marine

Mercruiser 470 Mie Mercury 224 I L4 1980

Mercury Outboard Wiring Diagrams

Evinrude Johnson Outboard Wiring Diagrams

Mercury Outboard Wiring Diagrams

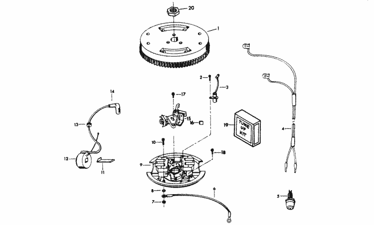
Flywheel Ignition Coil And Switch Box

1983 Mercury 50 Hp 4 Cylinder Electric Start Wiring

Mercury

Mercury Outboard Wiring Diagrams

40 Hp Mercury Outboard Starter Solenoid Wiring Diagram

Have A Mercury Hp Elpto Stroke Motor That Wasn T 50 Parts

115 Hp Mercury Outboard Starter Diagram Html

1977

1979 Or 1980 Merc 70 Hp Fuel Pump Page 1

Evinrude Magneto Parts For 1980 35hp E35elcsm Outboard Motor

Wiring Harness And Ignition Coil

Chrysler 20 Hp 1980 Magneto Parts

Wire Harness Internal Engine Mercury Mariner 45

1965

1977

Mercury Outboard Pink Salmon Wire Page 1

Mercury Wiring Harness 1980

Johnson Ignition Switch Wiring Diagram

Mercury Trim Pump Wiring

1978 25 Hp Johnson Outboard Motor

Mercury Outboard Wiring Diagrams

Wiring Harness Circuit Breaker And Starter Solenoid For

Mastertech Marine

Mercury Outboard Wiring Diagrams

1971

Mastertech Marine

Mastertech Marine

Mercury Outboard Wiring Diagrams

1978 140 Hp Mercury Outboard Wiring Diagram

Mastertech Marine

4 5 Hp Evinrude Outboard Motor Parts

15 Hp Evinrude Parts

Diagrama Chysler 35 50 Hp 1980 A 1984

Mercury Outboard Wiring Diagrams

Diagrama Evinrude Johnson 1985 90 115 Tnt

1971

Diagram 50 Hp Mercury Wiring Diagram 1980 Or 1981

  • Download 50 Hp Mercury Wiring Diagram 1980 Or 1981

    draw.io is free online diagram software for making flowcharts, process diagrams, org charts, UML, ER and network diagrams

    Open and edit diagrams online with Draw.io, a free diagram software supporting various formats and diagram types.

    Create a new diagram, or open an existing diagram in your new tab. To create a new diagram, enter a Diagram Name and click the location where you want to save the file.

    Create flowcharts and diagrams online with this easy to use software.

    Create and edit diagrams with draw.io, a free diagramming tool that integrates seamlessly with Office 365.

    app.diagrams.net

    Easily import diagrams from Lucidchart to diagrams.net or draw.io with this simple tool.

    Access and integrate Google Drive files with Draw.io using the Google Picker tool for seamless diagram creation.

    Clearing Cached version 29.3.4... OK Update Start App

    confEmbedUpload=For a better editing experience, please use the regular draw.io macro to insert a blank diagram, then from (File menu → Import From → Device...) select the file you want to upload and embed.

    3 way switch,3 way switch wiring,3 way switch wiring diagram pdf,3 way wiring diagram,3way switch wiring diagram,4 prong dryer outlet wiring diagram,4 prong trailer wiring diagram,6 way trailer wiring diagram,7 pin trailer wiring diagram with brakes,7 pin wiring diagram,alternator wiring diagram,amp wiring diagram,automotive lighting,cable harness,chevrolet,diagram,dodge,doorbell wiring diagram,ecobee wiring diagram,electric motor,electrical connector,electrical wiring,electrical wiring diagram,ford,fuse,honeywell thermostat wiring diagram,ignition system,kenwood car stereo wiring diagram,light switch wiring diagram,lighting,motor wiring diagram,nest doorbell wiring diagram,nest hello wiring diagram,nest labs,nest thermostat,nest thermostat wiring diagram,phone connector,pin,pioneer wiring diagram,plug wiring diagram,pump,radio,radio wiring diagram,relay,relay wiring diagram,resistor,rj45 wiring diagram,schematic,semi-trailer truck,sensor,seven pin trailer wiring diagram,speaker wiring diagram,starter wiring diagram,stereo wiring diagram,stereophonic sound,strat wiring diagram,switch,switch wiring diagram,telecaster wiring diagram,thermostat wiring,thermostat wiring diagram,trailer brake controller,trailer plug wiring diagram,trailer wiring diagram,user guide,wire,wire diagram,wiring diagram,wiring diagram 3 way switch,wiring harness

    close