Air Con Inverter Wiring Diagram

Air Con Inverter Wiring Diagram

  • Category : Wiring Diagram
  • Post Date : January 27, 2026
Air Con Inverter Wiring Diagram 9 out of 10 based on 20 ratings. 100 user reviews.

Air Con Inverter Wiring Diagram

How To Build An Inverter 1000 Watts Inverter Circuit Diagram

Pwm Inverter Circuit Png 922 U00d7796

745 Best Images About Electronic On Pinterest

Pwm Inverter Circuit

Simplest Power Inverter Circuit Using A Single 555 Ic

40 Watt Inverter Circuit Using Cd4047

Modified Sine Wave Inverter Circuit Using Ic 3525 With

Me Hice Un Elevador De Tensi U00f3n Y Te Lo Muestro

Pin Em Schemi

Types Of Home Roof Designs With Illustrations Construction

Power Inverter

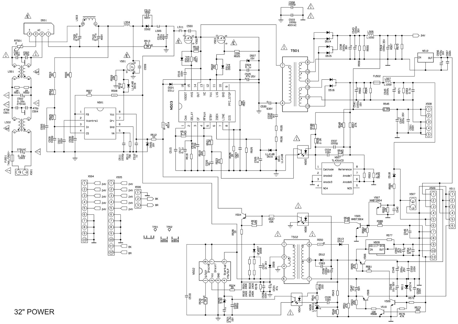
Bbk Lt 3210 - Lcd Tv - 32 U0026quot Power Supply

Bbk Lt 3210 - Lcd Tv - 32 U0026quot Power Supply

12v To 220v Dc To Ac Converter Circuit

Details About Egp3000w Three

Ic 4047 Datasheet Pinouts Application Notes

555 Adjustable Timer Circuits

Converter 12 Vdc To 230 Vac Or Inverter Circuit Diagram

1kva 1000 Watts Pure Sine Wave Inverter Circuit

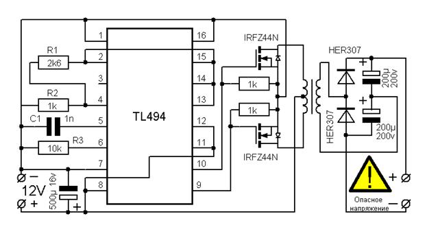
C U1ea7n Gi U00fap V U1ec1 Fet Irfz44n V U00e0 Ic Tl494

Bbk Lt 3210 - Lcd Tv - 32 U0026quot Power Supply

Inverter Circuit Using Cd4047

Inversor Con Sg 3525 An O Sg3524n

Simple 12v To 230vac Inverter Circuit U2013 Mosfet U2013 Diy

Window Wall Lights Photo Elektronik Symbole Plan Symbols

Simple Inverter Circuit Using Cd4047 And Uln2003

2n3055 Inverter Circuit Diagram

Pin On Technology

500w Inverter Circuit

300w U9006 U53d8 U5668

How To Make 12v Dc To 220v Ac Converter Inverter Circuit

Lg 47lg90 Led Lcd Tv

This Article Explains A Simple Pure Sine Wave Inverter

Simple Inverter Circuit Diagram

How To Make Simple Inverter U0026 Diagram Simple Inverter

Pin On Electronic Diy Circuit Projects

1000w Mosfet Power Inverter Circuit

Solar Inverter Using Sg3525

Inverter Circuit Using Ic Sg3524

Simple Inverter 100w With Fet Irf540

Bbk Lt 3210 - Lcd Tv - 32 U0026quot Power Supply

I U0026 39 M Yahica Inverter Circuit Diagram Using Mosfet

I U0026 39 M Yahica 12v 60w Led Circuit Diagram

12v To 220v 100w Transistor Inverter

Diagrama Del Circuito Ups Inversor 12kw Solar Inversor De

Simple Inverter Circuit Using Ic 555

Today U0026 39 S Electronics 12v Inverter Circuit Using 4013

Schema Inverter Con Sg3525

Modificar Inversor

Pure Sine Wave Inverter Using Ir2110

50w 220v Inverter Circuit Diagram Using Ic 4047

Schema Inverter Con Sg3524

12v To 220v Inverter Based Mosfet Irfz44

Acer Al1715 - Lcd Monitor - Schematic

Simple Inverter Schematic Diagram Use Mj2955

Simple 12v To 220v Modified Sine

Diagram Air Con Inverter Wiring Diagram

  • Download Air Con Inverter Wiring Diagram

    draw.io is free online diagram software for making flowcharts, process diagrams, org charts, UML, ER and network diagrams

    Open and edit diagrams online with Draw.io, a free diagram software supporting various formats and diagram types.

    Create a new diagram, or open an existing diagram in your new tab. To create a new diagram, enter a Diagram Name and click the location where you want to save the file.

    Create flowcharts and diagrams online with this easy to use software.

    Create and edit diagrams with draw.io, a free diagramming tool that integrates seamlessly with Office 365.

    Easily import diagrams from Lucidchart to diagrams.net or draw.io with this simple tool.

    Access and integrate Google Drive files with Draw.io using the Google Picker tool for seamless diagram creation.

    Clearing Cached version 29.3.4... OK Update Start App

    confEmbedUpload=For a better editing experience, please use the regular draw.io macro to insert a blank diagram, then from (File menu → Import From → Device...) select the file you want to upload and embed.

    If you enter personal information into a diagram and perform an action that requires us to send that diagram to a server for processing, your personal data may be processed on that server, but never stored.

    3 way switch,3 way switch wiring,3 way switch wiring diagram pdf,3 way wiring diagram,3way switch wiring diagram,4 prong dryer outlet wiring diagram,4 prong trailer wiring diagram,6 way trailer wiring diagram,7 pin trailer wiring diagram with brakes,7 pin wiring diagram,alternator wiring diagram,amp wiring diagram,automotive lighting,cable harness,chevrolet,diagram,dodge,doorbell wiring diagram,ecobee wiring diagram,electric motor,electrical connector,electrical wiring,electrical wiring diagram,ford,fuse,honeywell thermostat wiring diagram,ignition system,kenwood car stereo wiring diagram,light switch wiring diagram,lighting,motor wiring diagram,nest doorbell wiring diagram,nest hello wiring diagram,nest labs,nest thermostat,nest thermostat wiring diagram,phone connector,pin,pioneer wiring diagram,plug wiring diagram,pump,radio,radio wiring diagram,relay,relay wiring diagram,resistor,rj45 wiring diagram,schematic,semi-trailer truck,sensor,seven pin trailer wiring diagram,speaker wiring diagram,starter wiring diagram,stereo wiring diagram,stereophonic sound,strat wiring diagram,switch,switch wiring diagram,telecaster wiring diagram,thermostat wiring,thermostat wiring diagram,trailer brake controller,trailer plug wiring diagram,trailer wiring diagram,user guide,wire,wire diagram,wiring diagram,wiring diagram 3 way switch,wiring harness

    close