And Mosfet Wiring Diagram Led

And Mosfet Wiring Diagram Led

  • Category : Diagram Led
  • Post Date : January 27, 2026
And Mosfet Wiring Diagram Led 9 out of 10 based on 20 ratings. 40 user reviews.

And Mosfet Wiring Diagram Led

Amz Mosfet Booster Modules

Mosfet

Battery Tesla Switch Power Mosfet Circuit Uses No Schottky

Pyle - Plam3000 - Marine And Waterproof

Relay Page 4 Schematic Electronic Diagram

Pyle - Plmra400 - Marine And Waterproof

Whelen Edge 9000 Wiring Diagram Deltagenerali Me Best Of

Amazon Com Pyle Plta180 2 Channel 800 Watt 24 Volt Truck

Electronic Circuits Diagram Motorcyle Alarm

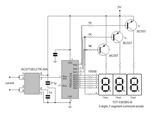
Pic16f684 Digital Ammeter

U0026gt Circuits U0026gt How To Make Induction Cooker L31515

Esp8266 Wifi Led Dimmer Part 2 Of X The Hardware

Simple Inverter Schematic Diagram Use Mj2955

Four Channel Solid State Relay Module Four

Diagram And Mosfet Wiring Diagram Led

  • Download And Mosfet Wiring Diagram Led

    draw.io is free online diagram software for making flowcharts, process diagrams, org charts, UML, ER and network diagrams

    Open and edit diagrams online with Draw.io, a free diagram software supporting various formats and diagram types.

    Create a new diagram, or open an existing diagram in your new tab. To create a new diagram, enter a Diagram Name and click the location where you want to save the file.

    Create flowcharts and diagrams online with this easy to use software.

    Create and edit diagrams with draw.io, a free diagramming tool that integrates seamlessly with Office 365.

    app.diagrams.net

    Easily import diagrams from Lucidchart to diagrams.net or draw.io with this simple tool.

    Access and integrate Google Drive files with Draw.io using the Google Picker tool for seamless diagram creation.

    Clearing Cached version 29.3.4... OK Update Start App

    confEmbedUpload=For a better editing experience, please use the regular draw.io macro to insert a blank diagram, then from (File menu → Import From → Device...) select the file you want to upload and embed.

    3 way switch,3 way switch wiring,3 way switch wiring diagram pdf,3 way wiring diagram,3way switch wiring diagram,4 prong dryer outlet wiring diagram,4 prong trailer wiring diagram,6 way trailer wiring diagram,7 pin trailer wiring diagram with brakes,7 pin wiring diagram,alternator wiring diagram,amp wiring diagram,automotive lighting,cable harness,chevrolet,diagram,dodge,doorbell wiring diagram,ecobee wiring diagram,electric motor,electrical connector,electrical wiring,electrical wiring diagram,ford,fuse,honeywell thermostat wiring diagram,ignition system,kenwood car stereo wiring diagram,light switch wiring diagram,lighting,motor wiring diagram,nest doorbell wiring diagram,nest hello wiring diagram,nest labs,nest thermostat,nest thermostat wiring diagram,phone connector,pin,pioneer wiring diagram,plug wiring diagram,pump,radio,radio wiring diagram,relay,relay wiring diagram,resistor,rj45 wiring diagram,schematic,semi-trailer truck,sensor,seven pin trailer wiring diagram,speaker wiring diagram,starter wiring diagram,stereo wiring diagram,stereophonic sound,strat wiring diagram,switch,switch wiring diagram,telecaster wiring diagram,thermostat wiring,thermostat wiring diagram,trailer brake controller,trailer plug wiring diagram,trailer wiring diagram,user guide,wire,wire diagram,wiring diagram,wiring diagram 3 way switch,wiring harness

    close