Audi Symphony 2 Wiring Diagram

Audi Symphony 2 Wiring Diagram

  • Category : Wiring Diagram
  • Post Date : January 26, 2026
Audi Symphony 2 Wiring Diagram 9 out of 10 based on 40 ratings. 80 user reviews.

Audi Symphony 2 Wiring Diagram

Symphony Ii To Symphony Ii Wiring Harness And Antenna Adapter

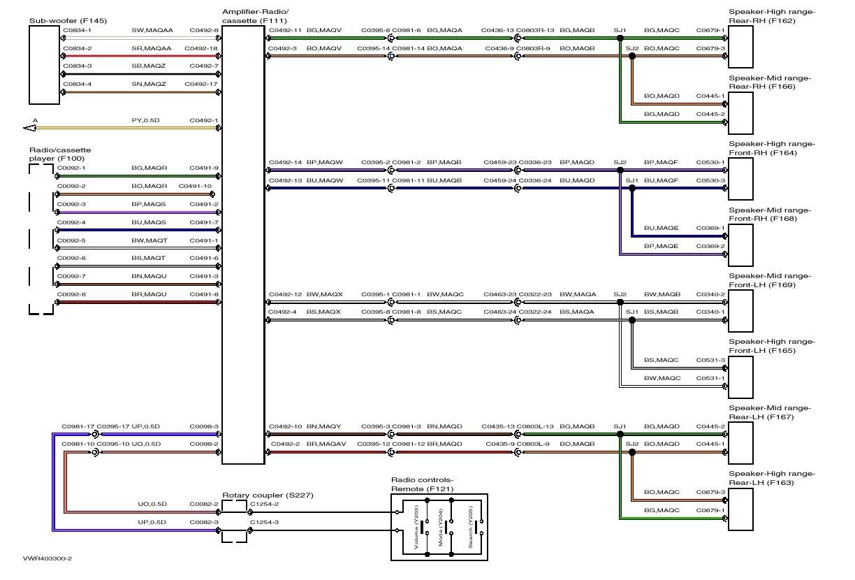
Audi A4 Symphony Ii Wiring Diagram

Audi A4 Symphony Ii Wiring Diagram

Symphony Ii Wiring Help

Symphony 2 To Symphony 2 Wiring

Audi A4 Symphony Ii Wiring Diagram

Audi Symphony Ii Wiring Diagram

Audi A4 Symphony Ii Wiring Diagram

Audi A4 Symphony Ii Wiring Diagram

Audi Symphony Ii Simphony Ii Cq

Audi A4 Symphony Ii Wiring Diagram

Audi A4 Symphony Ii Wiring Diagram

Audi Symphony Ii Wiring Diagram

Audi A3 Symphony 2 Headunit Change Amplifier Remote Wire

Audi Symphony Ii Wiring Diagram

Audi Symphony Ii Wiring Diagram

Audi Symphony Ii Wiring Diagram

Creative 350z Engine Wiring Harness Diagram Z31 Engine

Briggs And Stratton Power Products 071132-00

Audi A4 Symphony Ii Wiring Diagram

Symphony Ii Wiring Someone Please Help

Symphony Ii Wiring Help

Audi A3 8p Aftermarket Android Problems

Briggs And Stratton Power Products 071070-02

An Auxiliary Audio Input To The Audi Oem Head Unit And Cd

Does The Hot Lead On A 2001 Audi A4 Symphony Radio Have A

Symphony Ii Install

Audi Car Radio Stereo Audio Wiring Diagram Autoradio

Symphony Ii Install

Audi 30 Wiring Diagram U2013 Jnvalirajpur Com

Insatalling A Gps Navigation System In A Gallardo

Rewiring Symphony Ii To Rns

Audi A4 Symphony Ii Wiring Diagram

Audi A4 Symphony Ii Wiring Diagram

Diy Symphony Ii To Rns

Symphony I O Mk Ii - Soundgrid

2001 Audi A8 Bose Symphony Radio

Skoda Car Radio Stereo Audio Wiring Diagram Autoradio

Audi A4 Symphony Ii Wiring Diagram

Symphony Replace With Aftermarket Wiring Antenna

How U0026 39 S This For Mfsw Function Number 7

Het Grote Audi Topic - Deel 5 - Verkeer U0026 Vervoer

Audi Symphony Ii Wiring Diagram

Wiring Diagram For The Harman Kardon

Audi Car Radio Stereo Audio Wiring Diagram Autoradio

Diagram Audi Symphony 2 Wiring Diagram

  • Download Audi Symphony 2 Wiring Diagram

    draw.io is free online diagram software for making flowcharts, process diagrams, org charts, UML, ER and network diagrams

    Open and edit diagrams online with Draw.io, a free diagram software supporting various formats and diagram types.

    Create a new diagram, or open an existing diagram in your new tab. To create a new diagram, enter a Diagram Name and click the location where you want to save the file.

    Create flowcharts and diagrams online with this easy to use software.

    Easily import diagrams from Lucidchart to diagrams.net or draw.io with this simple tool.

    Create and edit diagrams with draw.io, a free diagramming tool that integrates seamlessly with Office 365.

    Access and integrate Google Drive files with Draw.io using the Google Picker tool for seamless diagram creation.

    Clearing Cached version 29.3.4... OK Update Start App

    7.2 The Software will initiate transfers of data forming part of the Diagrams (“Diagram Data”) to services supplied by third parties when you expressly request conversion of Diagrams: a. to another supported file format; and b. to PDF format.

    "short_name": "draw.io", "description": "draw.io is a free diagram editor", "icons": [ { "src": ".. favicon.ico", "type": "image x icon", "sizes": "16x16 32x32" }, { "src": "icon 192.png", "type": "image png", "sizes": "192x192" }, { "src": "icon 512.png", "type": "image png", "sizes": "512x512" },

    3 way switch,3 way switch wiring,3 way switch wiring diagram pdf,3 way wiring diagram,3way switch wiring diagram,4 prong dryer outlet wiring diagram,4 prong trailer wiring diagram,6 way trailer wiring diagram,7 pin trailer wiring diagram with brakes,7 pin wiring diagram,alternator wiring diagram,amp wiring diagram,automotive lighting,cable harness,chevrolet,diagram,dodge,doorbell wiring diagram,ecobee wiring diagram,electric motor,electrical connector,electrical wiring,electrical wiring diagram,ford,fuse,honeywell thermostat wiring diagram,ignition system,kenwood car stereo wiring diagram,light switch wiring diagram,lighting,motor wiring diagram,nest doorbell wiring diagram,nest hello wiring diagram,nest labs,nest thermostat,nest thermostat wiring diagram,phone connector,pin,pioneer wiring diagram,plug wiring diagram,pump,radio,radio wiring diagram,relay,relay wiring diagram,resistor,rj45 wiring diagram,schematic,semi-trailer truck,sensor,seven pin trailer wiring diagram,speaker wiring diagram,starter wiring diagram,stereo wiring diagram,stereophonic sound,strat wiring diagram,switch,switch wiring diagram,telecaster wiring diagram,thermostat wiring,thermostat wiring diagram,trailer brake controller,trailer plug wiring diagram,trailer wiring diagram,user guide,wire,wire diagram,wiring diagram,wiring diagram 3 way switch,wiring harness

    close