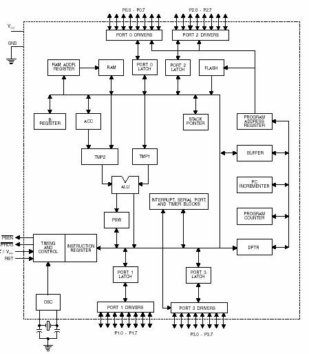
Circuit Diagram Of 89c51

Circuit Diagram Of 89c51

  • Category : Of 89c51
  • Post Date : January 27, 2026
Circuit Diagram Of 89c51 9 out of 10 based on 70 ratings. 100 user reviews.

Circuit Diagram Of 89c51

Atmel Ppt

How To Interface An Lcd To 89c51 Using 4 Bit Mode

Writing Text On Lcd Module Using 89c51

Electronics Microcontroller At89c51

Technical Tips Electronic Code Lock With User Defined Password Using 8051 Microcontroller At89c51

Programmer For 89c51 52 55 89s51 52

8 Line Intercommunication Using 89c51

89c51 Flashen Wie

89c51 Microcontroller Datasheet Ebook

Electronics Based Projects 4 U Lcd Clock Using 8051 89s51 Microcontroller

Embedded Systems Lcd Interfacing With 8051

A Signal Generator Project Based On Single Chip Microcomputer 89c51

Buy Online Atmel 89c51 Microcontroller India

89c51 Based Digital Thermometer Using Ds1820

Electronics Design The 89c51 Pabx

How To Interface Humidity Sensor With 8051 Microcontroller At89c51 Images

Digital Voltmeter Using 89c51 Microcontroller

How To Make A 89c51 8051 Development Board

Open Electronics Project Tutorial 2 Led Blink Project In 8051 Microcontroller

8051 Microcontroller Pin Diagram And Its Working Procedure

Submitted In Partial Fulfillment Of The Requirements For The Award Of The Degree Of

Atmel Ppt

89c51 U5355 U7247 U673a U7684i O U53e3 U6a21 U62df U4e32 U884c U901a U4fe1 U5b9e U73b0

Architecture Of 89c51 Pdf

Easy2

Based On My Previous Design On 16x2 Lcd Interface To At89c51 I U0026 39 M Making Advantage Of It To

Learn Something New Every Day 8051 Development Tools

How To Make A 89c51 8051 Development Board

E

8051 Microcontroller Block Diagram And Pin Diagram Of 8051 Microcontroller With Description

Digital Voltmeter Using 89c51 Microcontroller

89c51 Programming Tutorial Pdf

89c51 Microcontroller Features Pdf

Electronic Walking Stick

Microcontroller 89c51 U00ab Indianengineer

A Signal Generator Project Based On Single Chip Microcomputer 89c51

Intelligent Automatic Plant Irrigation System November 2013

Atmel 89c51 At89c51 Microcontroller Pin Diagram U0026 Description - Engineersgarage

74ls00 Quad 2 Input Nand Gate Buy Online In India

89c51 Microcontroller Datasheet Pdf

Digital Voltmeter Using 89c51 Microcontroller

Embedded C Programming Guide E Book Atmel 8051 89c51 89c52

Technology World 3

89c51 Datasheet Pdf

Diagram Circuit Diagram Of 89c51

  • Download Circuit Diagram Of 89c51

    draw.io is free online diagram software for making flowcharts, process diagrams, org charts, UML, ER and network diagrams

    Open and edit diagrams online with Draw.io, a free diagram software supporting various formats and diagram types.

    Create a new diagram, or open an existing diagram in your new tab. To create a new diagram, enter a Diagram Name and click the location where you want to save the file.

    Create flowcharts and diagrams online with this easy to use software.

    Create and edit diagrams with draw.io, a free diagramming tool that integrates seamlessly with Office 365.

    app.diagrams.net

    Easily import diagrams from Lucidchart to diagrams.net or draw.io with this simple tool.

    Access and integrate Google Drive files with Draw.io using the Google Picker tool for seamless diagram creation.

    Clearing Cached version 29.3.4... OK Update Start App

    confEmbedUpload=For a better editing experience, please use the regular draw.io macro to insert a blank diagram, then from (File menu → Import From → Device...) select the file you want to upload and embed.

    3 way switch,3 way switch wiring,3 way switch wiring diagram pdf,3 way wiring diagram,3way switch wiring diagram,4 prong dryer outlet wiring diagram,4 prong trailer wiring diagram,6 way trailer wiring diagram,7 pin trailer wiring diagram with brakes,7 pin wiring diagram,alternator wiring diagram,amp wiring diagram,automotive lighting,cable harness,chevrolet,diagram,dodge,doorbell wiring diagram,ecobee wiring diagram,electric motor,electrical connector,electrical wiring,electrical wiring diagram,ford,fuse,honeywell thermostat wiring diagram,ignition system,kenwood car stereo wiring diagram,light switch wiring diagram,lighting,motor wiring diagram,nest doorbell wiring diagram,nest hello wiring diagram,nest labs,nest thermostat,nest thermostat wiring diagram,phone connector,pin,pioneer wiring diagram,plug wiring diagram,pump,radio,radio wiring diagram,relay,relay wiring diagram,resistor,rj45 wiring diagram,schematic,semi-trailer truck,sensor,seven pin trailer wiring diagram,speaker wiring diagram,starter wiring diagram,stereo wiring diagram,stereophonic sound,strat wiring diagram,switch,switch wiring diagram,telecaster wiring diagram,thermostat wiring,thermostat wiring diagram,trailer brake controller,trailer plug wiring diagram,trailer wiring diagram,user guide,wire,wire diagram,wiring diagram,wiring diagram 3 way switch,wiring harness

    close