Diagram Of Np435

Diagram Of Np435

  • Category : Of Np435
  • Post Date : January 27, 2026
Diagram Of Np435 9 out of 10 based on 60 ratings. 40 user reviews.

Diagram Of Np435

Np435

Ford Np435 To Dana 300 For Jeep 4 0l

Long Tail

30 Np435 Transmission Rebuild Fordification

Np435 Dodge 4 Speed Transmission With Low Gear

Advance Adapters Transfercase Adapters

Sm465 Backup Light

Np435 Top Cover Removal

Rebuilt Np435 Back In The Bronco

Np203 U0026 Nwf Doubler Ford 300 Np205 And Np435

Ford Np435 4 Speed Np205 Combo For Sale In La Puente Ca

Chelsea Pto For Np435

Np435 Top Cover

1983 Ford Bronco Hydraulic Clutch Pictures Videos And

Adapting The New Process 435 Transmission To The Jeep

Np435 Manual Transmission 4

002 Gearing Choices Np435 Transmission Cutaway

New Process 435 Transmission For Sale

Search

Np435 Transmission - Replacement Engine Parts

G741 Org U2022 View Topic

Ford Dodge New Process Np435 4 Speed Transmission Gasket

Np435 4 Speed

Np435 Diagram Drawing

Parts For The New Process 435 Transmission

Np435 Gear Shifter Removal

Np453 Transmission

Ford New Process Np435 4 Speed Transmission 2wd 4wd Throw

1983 Ford Bronco Np

Ford Dodge Gm New Process Np435 4 Speed Transmission 2wd

1983 Ford Bronco Np

Ford New Process Np435 4 Speed Transmission 2wd 4wd 17

Parts For The New Process 435 Transmission

Np435 Transmission Rebuild Kit With Synchros Fits U0026 39 86

Parts For The New Process 435 Transmission

Driveshaft Questions

Np435 Fluid

Where To Find An Np435 Trans Seal

Gm Np435 Transmission For Sale In Mukilteo Wa

Np435 3rd Gear

Ford Dodge New Process Np435 4 Speed Transmission 2wd 4wd

Bronco Project Pt4 Np435 Overhaul And 351w Install

Np435 With Married Np205 From Ford Truck

Np435

Np435 Transmission For Sale New Process 435 Rebuild

26

Np435 Shifter Need Help

Np435 Transmission U0026 Adapter Kit Rebuilt

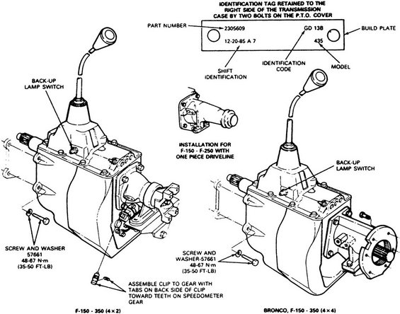
Np435 Identification

Np435 Cobra Transmission

Ford Truck Technical Drawings And Schematics

Np435 Transmission 3rd Gear Main Shaft 23

Co Np435 To Dana 20 Adapter

Np435 Transmission

New Process 435 Transmission For A 1981 International 1600

Np435 Gear 2nd Slider On Main Shaft 37 Tooth

M5od To What

Chelsea Pto For Np435

New Process Np435 Dodge Transmission Rebuilt Casting

Diagram Diagram Of Np435

  • Download Diagram Of Np435

    draw.io is free online diagram software for making flowcharts, process diagrams, org charts, UML, ER and network diagrams

    Open and edit diagrams online with Draw.io, a free diagram software supporting various formats and diagram types.

    Create a new diagram, or open an existing diagram in your new tab. To create a new diagram, enter a Diagram Name and click the location where you want to save the file.

    Create flowcharts and diagrams online with this easy to use software.

    Create and edit diagrams with draw.io, a free diagramming tool that integrates seamlessly with Office 365.

    Easily import diagrams from Lucidchart to diagrams.net or draw.io with this simple tool.

    Access and integrate Google Drive files with Draw.io using the Google Picker tool for seamless diagram creation.

    Clearing Cached version 29.3.4... OK Update Start App

    confEmbedUpload=For a better editing experience, please use the regular draw.io macro to insert a blank diagram, then from (File menu → Import From → Device...) select the file you want to upload and embed.

    If you enter personal information into a diagram and perform an action that requires us to send that diagram to a server for processing, your personal data may be processed on that server, but never stored.

    3 way switch,3 way switch wiring,3 way switch wiring diagram pdf,3 way wiring diagram,3way switch wiring diagram,4 prong dryer outlet wiring diagram,4 prong trailer wiring diagram,6 way trailer wiring diagram,7 pin trailer wiring diagram with brakes,7 pin wiring diagram,alternator wiring diagram,amp wiring diagram,automotive lighting,cable harness,chevrolet,diagram,dodge,doorbell wiring diagram,ecobee wiring diagram,electric motor,electrical connector,electrical wiring,electrical wiring diagram,ford,fuse,honeywell thermostat wiring diagram,ignition system,kenwood car stereo wiring diagram,light switch wiring diagram,lighting,motor wiring diagram,nest doorbell wiring diagram,nest hello wiring diagram,nest labs,nest thermostat,nest thermostat wiring diagram,phone connector,pin,pioneer wiring diagram,plug wiring diagram,pump,radio,radio wiring diagram,relay,relay wiring diagram,resistor,rj45 wiring diagram,schematic,semi-trailer truck,sensor,seven pin trailer wiring diagram,speaker wiring diagram,starter wiring diagram,stereo wiring diagram,stereophonic sound,strat wiring diagram,switch,switch wiring diagram,telecaster wiring diagram,thermostat wiring,thermostat wiring diagram,trailer brake controller,trailer plug wiring diagram,trailer wiring diagram,user guide,wire,wire diagram,wiring diagram,wiring diagram 3 way switch,wiring harness

    close