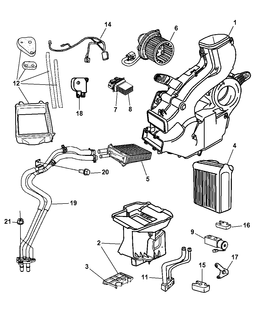
Dodge Caravan Air Conditioner Wiring Diagram

Dodge Caravan Air Conditioner Wiring Diagram

  • Category : Wiring Diagram
  • Post Date : January 26, 2026
Dodge Caravan Air Conditioner Wiring Diagram 9 out of 10 based on 100 ratings. 40 user reviews.

Dodge Caravan Air Conditioner Wiring Diagram

Dodge Dodge Grand Caravan I Am Not Able To Figure Out My Ac

Dodge Grand Caravan Harness Wiring Air Conditioning

68164489aa

Wiring Caravan Fridge Diagram

2000 Grand Caravan Removing Air Conditioning Coil Housing

1997 Dodge Grand Caravan Wiring Blower Motor Air

5019184aa

Plumbing

20 Minimalist Dometic Fridge Parts

Schematic 2001 Dodge Dakota Fuse Box Dodge Auto Fuse Box

68299450aa C And Heater

2003 Dodge Caravan Ac Wiring Diagram

Caravansplus

Caravansplus

Repair Guides

Dometic Rv Air Conditioner Troubleshooting

Coleman Mach Thermostat Wiring Diagram

Complete System Condenser And Coil Only Coleman Air

Repair Guides

A C Wiring Problem

Jayco Wiring Diagram Caravan

2006 Dodge Grand Caravan Wiring Used For A C And Heater

2011 Dodge Grand Caravan Wiring Used For A C And Heater

2010 Bmw M6 5 0l Mfi Dohc 10cyl

Repair Guides

Jayco Wiring Diagram Caravan

Repair Guides

Repair Guides

Caravan 12v Wiring Diagram

Repair Guides

Caravan U0026 Camper Battery Charging Exploroz Articles

Caravan And Motorhome Accessory Installation In North Devon

Complete System Condenser And Coil Only Coleman Air

Dometic Rv Air Conditioner Manual U2013 Hoithanhemmanuel Org

Dodge Caravan 2000 System Wiring Diagrams

2014 Dodge Grand Caravan Resistor Radiator Fan

71 Best Pop Up Campers Images On Pinterest

Auto Air Conditioning Wiring Diagram Pdf

Repair Guides

Frankinvan Is Back 1999 3 Litre Caravan No Start Problem

2007 Dodge Nitro Air Conditioning Diagram

Fuse Box Diagram Hey Guys I Have A Grand Caravan My

Sterling Caravan Wiring Diagram

Complete System Condenser And Coil Only Coleman Air

2001 Dodge Caravan Fuse Box Diagram

Wiring Caravan Fridge Diagram

Complete System Condenser And Coil Only Coleman Air

Repair Guides

Diagram Dodge Caravan Air Conditioner Wiring Diagram

  • Download Dodge Caravan Air Conditioner Wiring Diagram

    draw.io is free online diagram software for making flowcharts, process diagrams, org charts, UML, ER and network diagrams

    Open and edit diagrams online with Draw.io, a free diagram software supporting various formats and diagram types.

    Create a new diagram, or open an existing diagram in your new tab. To create a new diagram, enter a Diagram Name and click the location where you want to save the file.

    Create flowcharts and diagrams online with this easy to use software.

    Easily import diagrams from Lucidchart to diagrams.net or draw.io with this simple tool.

    Create and edit diagrams with draw.io, a free diagramming tool that integrates seamlessly with Office 365.

    Access and integrate Google Drive files with Draw.io using the Google Picker tool for seamless diagram creation.

    Clearing Cached version 29.3.4... OK Update Start App

    7.2 The Software will initiate transfers of data forming part of the Diagrams (“Diagram Data”) to services supplied by third parties when you expressly request conversion of Diagrams: a. to another supported file format; and b. to PDF format.

    "short_name": "draw.io", "description": "draw.io is a free diagram editor", "icons": [ { "src": ".. favicon.ico", "type": "image x icon", "sizes": "16x16 32x32" }, { "src": "icon 192.png", "type": "image png", "sizes": "192x192" }, { "src": "icon 512.png", "type": "image png", "sizes": "512x512" },

    3 way switch,3 way switch wiring,3 way switch wiring diagram pdf,3 way wiring diagram,3way switch wiring diagram,4 prong dryer outlet wiring diagram,4 prong trailer wiring diagram,6 way trailer wiring diagram,7 pin trailer wiring diagram with brakes,7 pin wiring diagram,alternator wiring diagram,amp wiring diagram,automotive lighting,cable harness,chevrolet,diagram,dodge,doorbell wiring diagram,ecobee wiring diagram,electric motor,electrical connector,electrical wiring,electrical wiring diagram,ford,fuse,honeywell thermostat wiring diagram,ignition system,kenwood car stereo wiring diagram,light switch wiring diagram,lighting,motor wiring diagram,nest doorbell wiring diagram,nest hello wiring diagram,nest labs,nest thermostat,nest thermostat wiring diagram,phone connector,pin,pioneer wiring diagram,plug wiring diagram,pump,radio,radio wiring diagram,relay,relay wiring diagram,resistor,rj45 wiring diagram,schematic,semi-trailer truck,sensor,seven pin trailer wiring diagram,speaker wiring diagram,starter wiring diagram,stereo wiring diagram,stereophonic sound,strat wiring diagram,switch,switch wiring diagram,telecaster wiring diagram,thermostat wiring,thermostat wiring diagram,trailer brake controller,trailer plug wiring diagram,trailer wiring diagram,user guide,wire,wire diagram,wiring diagram,wiring diagram 3 way switch,wiring harness

    close