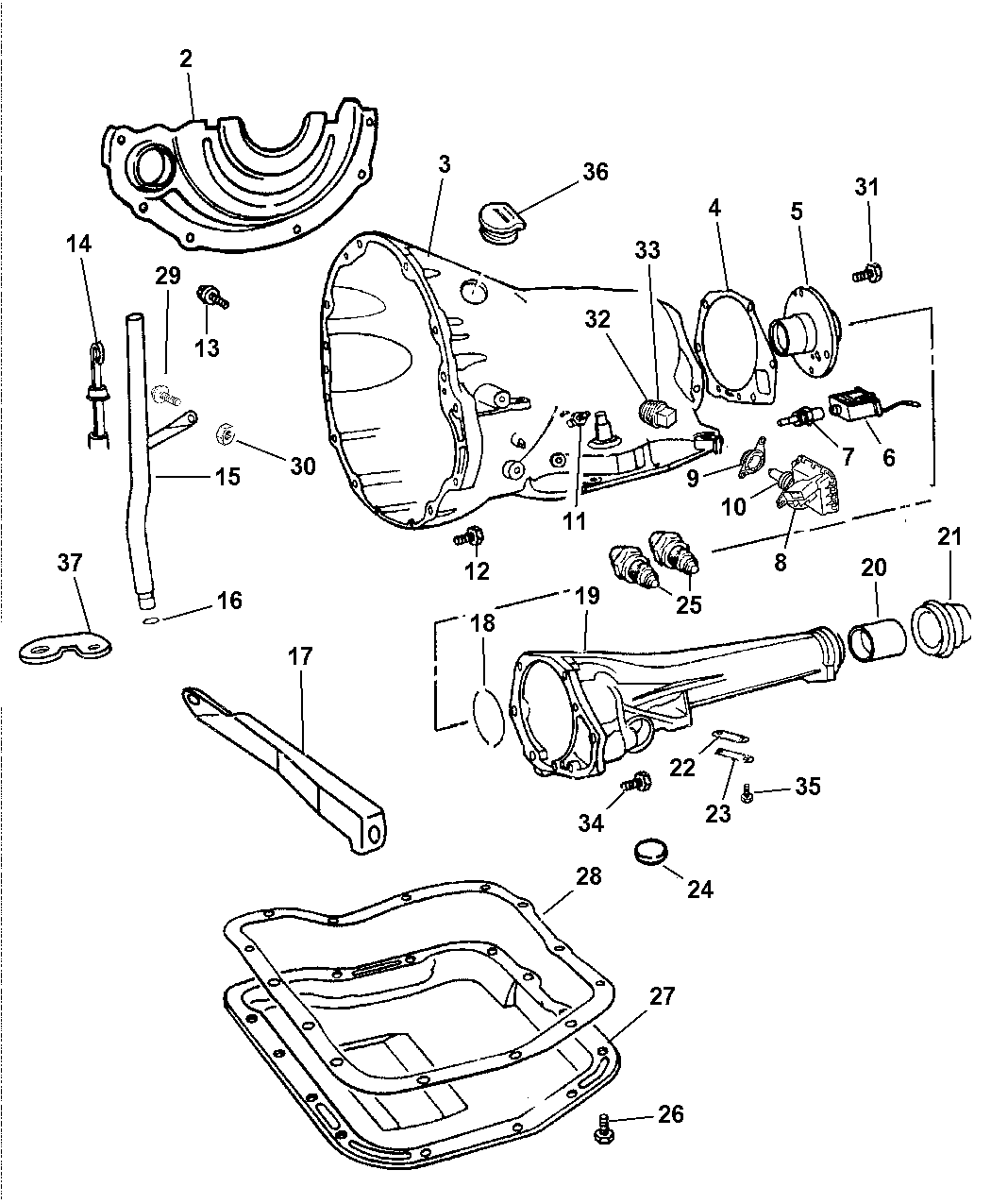
Dodge Ram Van 1500 Engine Diagram

Dodge Ram Van 1500 Engine Diagram

  • Category : Engine Diagram
  • Post Date : January 26, 2026
Dodge Ram Van 1500 Engine Diagram 9 out of 10 based on 90 ratings. 50 user reviews.

Dodge Ram Van 1500 Engine Diagram

Can You Send Me The Wiring Schematics For The Dodge 2002

2002 Ram 1500 4x4 Jeff Me The Wiring Schematics Dodge

1999 Dodge Ram 1500 Vacuum Diagram

Schematics And Diagrams How To Replace Blower Motor On

1999 Dodge Ram 1500 Vacuum Diagram

52006491ae

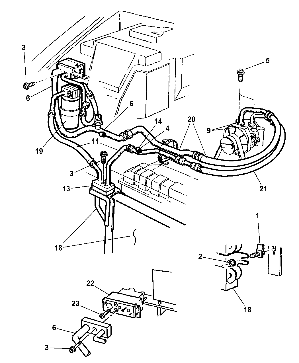
Service Manual Vacuum System Install 1998 Dodge Ram Van

5003269ad C Liquid

68277017aa

Parts Com U00ae

Radiator U0026 Related Parts For 1989 Dodge Ram Van

Parts Com U00ae

1999 Dodge Ram 1500 5 2l Serpentine Belt Diagram

Service Manual Vacuum System Install 1998 Dodge Ram Van

Parts Com U00ae

52118802

55346879

1995 Dodge Ram 1500 Parts

68228741ab

Service Manual Vacuum System Install 1998 Dodge Ram Van

Where Can I Get A Vacuum Diagram For A 87 Dodge Ram Van

2002 Ram 1500 4x4 Jeff Me The Wiring Schematics Dodge

F15d6 Fuse Box Diagram For 1999 Dodge Ram 3500

I Have A 2001 Dodge Ram Van 3500 Engine Code Z 5 9 Lt

Looking For 2000 Dodge Ram 3500 Van Wiring Diagram

The Best 2013 Ford F150 37 Fuse Box Diagram

2001 Dodge Caravan Wiring Diagram Download

2012 Dodge Ram 1500 Wiring Diagram 2000

Diagram For 1999 Dodge Ram 1500 Van Rear Brake

I Have A 1989 Dodge Ram Van 5 2l Eng B250 Conversion Van

Need Engine Wiring Harness Diagram 1997 Dodge 1500 5 2 Vin

1995 Dodge Ram Van Wiring Diagram

Dodge Van Ram 1500 Exhaust Diagram From Best Value Auto Parts

Com Questions 1999 Dodge Ram 1999 Dodge Ram 99 Ram Wiring

Ram 1500 3 6 Pentastar Problems Html

55347008af

I Need A Vacuum Diagram For A 1995 Dodge 2500 With A 360

53021142ab

55036424

Service Manual Vacuum System Install 1998 Dodge Ram Van

52102986aa

5 9 Firing Order

55075669ac

55075872

55055740ab C Suction

4361014 C And Heater

Dodge Van Ram 1500 Exhaust Diagram From Best Value Auto Parts

5ga89rk5ad C And Heater

53020931

52058414

1996 Dodge Ram Van Wiring Diagram

I Have A 2000 Dodge Ram Van 1500 The Emergency Hazard

1999 Dodge Ram 1500 Vacuum Diagram

55055508 C Control Temp

1996 Dodge Ram Van Wiring Diagram

Diagram Dodge Ram Van 1500 Engine Diagram

  • Download Dodge Ram Van 1500 Engine Diagram

    draw.io is free online diagram software for making flowcharts, process diagrams, org charts, UML, ER and network diagrams

    Open and edit diagrams online with Draw.io, a free diagram software supporting various formats and diagram types.

    Create a new diagram, or open an existing diagram in your new tab. To create a new diagram, enter a Diagram Name and click the location where you want to save the file.

    Create flowcharts and diagrams online with this easy to use software.

    Easily import diagrams from Lucidchart to diagrams.net or draw.io with this simple tool.

    Create and edit diagrams with draw.io, a free diagramming tool that integrates seamlessly with Office 365.

    Access and integrate Google Drive files with Draw.io using the Google Picker tool for seamless diagram creation.

    Clearing Cached version 29.3.4... OK Update Start App

    7.2 The Software will initiate transfers of data forming part of the Diagrams (“Diagram Data”) to services supplied by third parties when you expressly request conversion of Diagrams: a. to another supported file format; and b. to PDF format.

    "short_name": "draw.io", "description": "draw.io is a free diagram editor", "icons": [ { "src": ".. favicon.ico", "type": "image x icon", "sizes": "16x16 32x32" }, { "src": "icon 192.png", "type": "image png", "sizes": "192x192" }, { "src": "icon 512.png", "type": "image png", "sizes": "512x512" },

    3 way switch,3 way switch wiring,3 way switch wiring diagram pdf,3 way wiring diagram,3way switch wiring diagram,4 prong dryer outlet wiring diagram,4 prong trailer wiring diagram,6 way trailer wiring diagram,7 pin trailer wiring diagram with brakes,7 pin wiring diagram,alternator wiring diagram,amp wiring diagram,automotive lighting,cable harness,chevrolet,diagram,dodge,doorbell wiring diagram,ecobee wiring diagram,electric motor,electrical connector,electrical wiring,electrical wiring diagram,ford,fuse,honeywell thermostat wiring diagram,ignition system,kenwood car stereo wiring diagram,light switch wiring diagram,lighting,motor wiring diagram,nest doorbell wiring diagram,nest hello wiring diagram,nest labs,nest thermostat,nest thermostat wiring diagram,phone connector,pin,pioneer wiring diagram,plug wiring diagram,pump,radio,radio wiring diagram,relay,relay wiring diagram,resistor,rj45 wiring diagram,schematic,semi-trailer truck,sensor,seven pin trailer wiring diagram,speaker wiring diagram,starter wiring diagram,stereo wiring diagram,stereophonic sound,strat wiring diagram,switch,switch wiring diagram,telecaster wiring diagram,thermostat wiring,thermostat wiring diagram,trailer brake controller,trailer plug wiring diagram,trailer wiring diagram,user guide,wire,wire diagram,wiring diagram,wiring diagram 3 way switch,wiring harness

    close