Dragonfire Pup Wiring Diagram Jemsite

Dragonfire Pup Wiring Diagram Jemsite

  • Category : Diagram Jemsite
  • Post Date : January 26, 2026
Dragonfire Pup Wiring Diagram Jemsite 9 out of 10 based on 10 ratings. 60 user reviews.

Dragonfire Pup Wiring Diagram Jemsite

Mid Pup Suggestion Wiring Help

Mid Pup Suggestion Wiring Help

Ibanez Wiring Diagram

I Have An 82 U0026 39 Isuzu Pup Diesel Pickup 5 Speed And I Am

Jem Wiring Diagram

Please Help Wiring Diagram 1955 70 Diesel With Gas Pup

Please Help Wiring Diagram 1955 70 Diesel With Gas Pup

Repair

87 Isuzu Pup Wiring Diagram

Middle Switch Selection

Pgm 200 Wiring Diagram

Installed 5

Peavey T

Pickup Wiring Question Delano Mm J Pups Into A Lh3 Pre

Air Norton S As Middle Pup - Page 2

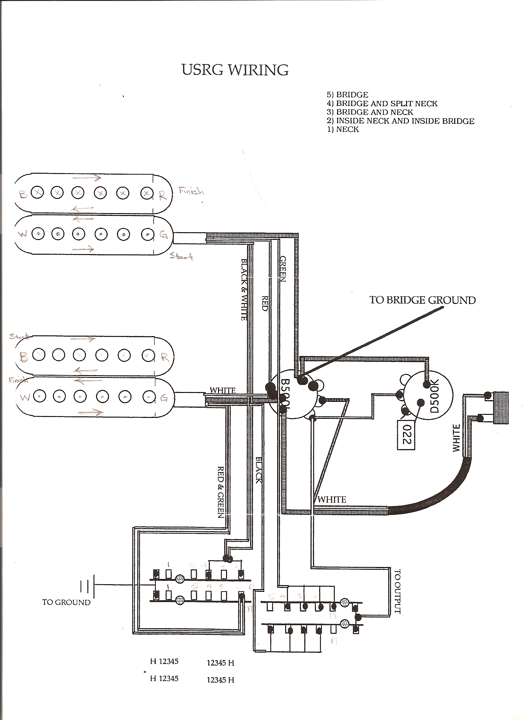
Usrg30 Wiring Diagram

Wiring Diagram Mag Pup Vol Tone Piezo Vol 3 Way Switch

9mm Bull Pup

Correct Diagram

Less Bass On Neck Pup Needed

87 Isuzu Pup Wiring Diagram

Pup Trailers

87 Isuzu Pup Wiring Diagram

Rg550 Wiring Blackwhite Help

Please Help Wiring Diagram 1955 70 Diesel With Gas Pup

Changing Emg Hz U0026 39 S Tonepump For 40p5 40tw Bqc Questions

Castleton Industries Inc

Here Is A Common Wiring Diagram For A 2

Castleton Industries Inc

Mighty Mite Wiring Diagrams Pup Wiring Diagram Com Wiring

Please Help Wiring Diagram 1955 70 Diesel With Gas Pup

1985 Isuzu P U0026 39 Up Repair Shop Manual Factory Reprint

Ethernet Wiring Diagram

Help Vintage Noiseless No Sound On Neck Pup

2005 S470 Mik Mid Pup Wiring Help

Castleton Industries Inc

2007 Pup Lightning 60 Inch Deck Parts And Schematic

Castleton Industries Inc

Wiring Mod For Three Pickup Guitars

Custom Wiring Help Please

Hsh 2 Conductor Wiring Diagram

3 Pup Wiring

2012 Standard Wiring Issues Pup Connector

Castleton Industries Inc

Need 91 Or 92 S Series Mij Hsh Wiring Diagram Ibanez Pups

Ibanez Wiring Diagram

Cherokee Wolf Pup Travel Trailers By Forest River Rv

Wiring Diagram For Isuzu Npr

Wiring Diagram Help Connect The Dots For Me Easy

Chef Lighted Shaft Simmerstat Control

2006 Isuzu Truck Wiring Diagram

Ibanez Wiring Diagram

Can U0026 39 T Get Parallel To Work

2007 Pup Lightning Actuator Bar Parts And Schematic

Usrg30 Wiring Diagram

Jem Wiring Diagram

Diagram Dragonfire Pup Wiring Diagram Jemsite

  • Download Dragonfire Pup Wiring Diagram Jemsite

    draw.io is free online diagram software for making flowcharts, process diagrams, org charts, UML, ER and network diagrams

    Open and edit diagrams online with Draw.io, a free diagram software supporting various formats and diagram types.

    Create a new diagram, or open an existing diagram in your new tab. To create a new diagram, enter a Diagram Name and click the location where you want to save the file.

    Create flowcharts and diagrams online with this easy to use software.

    Create and edit diagrams with draw.io, a free diagramming tool that integrates seamlessly with Office 365.

    Easily import diagrams from Lucidchart to diagrams.net or draw.io with this simple tool.

    Access and integrate Google Drive files with Draw.io using the Google Picker tool for seamless diagram creation.

    Clearing Cached version 29.3.4... OK Update Start App

    confEmbedUpload=For a better editing experience, please use the regular draw.io macro to insert a blank diagram, then from (File menu → Import From → Device...) select the file you want to upload and embed.

    If you enter personal information into a diagram and perform an action that requires us to send that diagram to a server for processing, your personal data may be processed on that server, but never stored.

    3 way switch,3 way switch wiring,3 way switch wiring diagram pdf,3 way wiring diagram,3way switch wiring diagram,4 prong dryer outlet wiring diagram,4 prong trailer wiring diagram,6 way trailer wiring diagram,7 pin trailer wiring diagram with brakes,7 pin wiring diagram,alternator wiring diagram,amp wiring diagram,automotive lighting,cable harness,chevrolet,diagram,dodge,doorbell wiring diagram,ecobee wiring diagram,electric motor,electrical connector,electrical wiring,electrical wiring diagram,ford,fuse,honeywell thermostat wiring diagram,ignition system,kenwood car stereo wiring diagram,light switch wiring diagram,lighting,motor wiring diagram,nest doorbell wiring diagram,nest hello wiring diagram,nest labs,nest thermostat,nest thermostat wiring diagram,phone connector,pin,pioneer wiring diagram,plug wiring diagram,pump,radio,radio wiring diagram,relay,relay wiring diagram,resistor,rj45 wiring diagram,schematic,semi-trailer truck,sensor,seven pin trailer wiring diagram,speaker wiring diagram,starter wiring diagram,stereo wiring diagram,stereophonic sound,strat wiring diagram,switch,switch wiring diagram,telecaster wiring diagram,thermostat wiring,thermostat wiring diagram,trailer brake controller,trailer plug wiring diagram,trailer wiring diagram,user guide,wire,wire diagram,wiring diagram,wiring diagram 3 way switch,wiring harness

    close