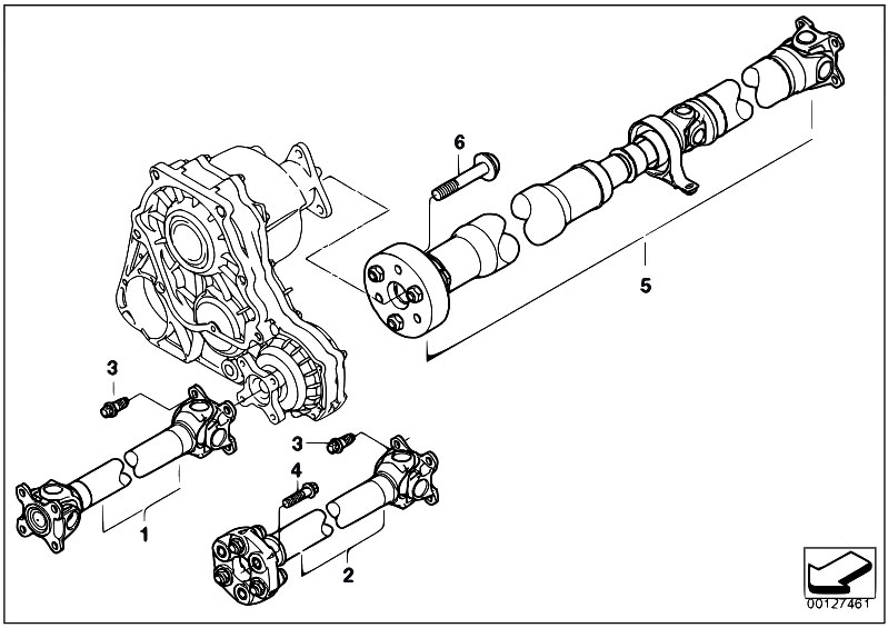
Ez Go Drivetrain Diagram

Ez Go Drivetrain Diagram

  • Category : Drivetrain Diagram
  • Post Date : January 26, 2026
Ez Go Drivetrain Diagram 9 out of 10 based on 70 ratings. 20 user reviews.

Ez Go Drivetrain Diagram

How A Car U0026 39 S Drivetrain Works

Drive Train Diagram

E

How A Car U0026 39 S Drivetrain Works

Services Archive

Fwd Vs 4wd Vs Awd

Chassis Brake Drivetrain

Supertruck Drive-train Planning Diagram

Car Powertrain Basics How

Planetisuzoo Com Isuzu Suv Club U2022 View Topic

How A Car U0026 39 S Drivetrain Works

Recent Motorcycle Adventures

Offroadtb Com U2022 View Topic

How Full

Does Revving The Engine In Neutral In An Automatic Car

Boeing Ch-47d Chinook

05078930aa

Why Are Most Trucks Rear Wheel Drive

Simplified Schematic Of The Vehicle And Drivetrain Model

05189840aa

Dodge Ram 1500 Sensor Trans Pressure Transducer

Differences Between Fwd Rwd Awd And 4wd

4wd Vs Awd

What Is Drivetrain 5 Types You Need To Know

E

Electric And Hybrid Vehicles

Alphabet Soup 4x4 Vs 4wd Vs Awd Where U0026 39 S The Differential

Looking For Tuff Torq Model K46aw Engine U0026 Drivetrain

Electric And Hybrid Vehicles

Subaru All

Drivetrain Quiz

Porsche To Add Another Hybrid To Its Future Lineup

Engine And Drivetrain

Engine Conversion And Other Questions - Page 2

Freestompboxes Org U2022 View Topic

Saturn Ion Frame Chassis Frame Drivetrain U0026 Frt Susp

15232962

Transmission Wiring - Ranger-forums

Ford Fiesta Drivetrain Diagram

05078336ac

2005 F-250 Fx4 6 0 Hub And Axle Shaft Replacement

16 Best Jeep Wagoneer Sj Parts Diagrams Images On

330xi Front Driveshaft A T Came Loose

330xi Front Driveshaft A T Came Loose

Definition Of A Powertrain Warranty

Ubco Bikes New Zealand

How To Install A Camaro T-5 - The 1947

Mercedes-benz Sls Amg - First Look

My Grey Market 1986 325ix Engine Rebuild Into 3 0l Stroker

Saturn Ion Frame Chassis Frame Drivetrain U0026 Frt Susp

Mightyram50 Net U2022 View Topic

68071234aa

Drivetrain

Looking For Craftsman Model 91725940 Engine U0026 Drivetrain

Hammerhead 150cc Rear Swing Arm

Diagram Ez Go Drivetrain Diagram

  • Download Ez Go Drivetrain Diagram

    draw.io is free online diagram software for making flowcharts, process diagrams, org charts, UML, ER and network diagrams

    Open and edit diagrams online with Draw.io, a free diagram software supporting various formats and diagram types.

    Create a new diagram, or open an existing diagram in your new tab. To create a new diagram, enter a Diagram Name and click the location where you want to save the file.

    Create flowcharts and diagrams online with this easy to use software.

    Easily import diagrams from Lucidchart to diagrams.net or draw.io with this simple tool.

    Create and edit diagrams with draw.io, a free diagramming tool that integrates seamlessly with Office 365.

    app.diagrams.net

    Access and integrate Google Drive files with Draw.io using the Google Picker tool for seamless diagram creation.

    Clearing Cached version 29.3.4... OK Update Start App

    7.2 The Software will initiate transfers of data forming part of the Diagrams (“Diagram Data”) to services supplied by third parties when you expressly request conversion of Diagrams: a. to another supported file format; and b. to PDF format.

    3 way switch,3 way switch wiring,3 way switch wiring diagram pdf,3 way wiring diagram,3way switch wiring diagram,4 prong dryer outlet wiring diagram,4 prong trailer wiring diagram,6 way trailer wiring diagram,7 pin trailer wiring diagram with brakes,7 pin wiring diagram,alternator wiring diagram,amp wiring diagram,automotive lighting,cable harness,chevrolet,diagram,dodge,doorbell wiring diagram,ecobee wiring diagram,electric motor,electrical connector,electrical wiring,electrical wiring diagram,ford,fuse,honeywell thermostat wiring diagram,ignition system,kenwood car stereo wiring diagram,light switch wiring diagram,lighting,motor wiring diagram,nest doorbell wiring diagram,nest hello wiring diagram,nest labs,nest thermostat,nest thermostat wiring diagram,phone connector,pin,pioneer wiring diagram,plug wiring diagram,pump,radio,radio wiring diagram,relay,relay wiring diagram,resistor,rj45 wiring diagram,schematic,semi-trailer truck,sensor,seven pin trailer wiring diagram,speaker wiring diagram,starter wiring diagram,stereo wiring diagram,stereophonic sound,strat wiring diagram,switch,switch wiring diagram,telecaster wiring diagram,thermostat wiring,thermostat wiring diagram,trailer brake controller,trailer plug wiring diagram,trailer wiring diagram,user guide,wire,wire diagram,wiring diagram,wiring diagram 3 way switch,wiring harness

    close