Ford Escape Vacuum Hose Diagram

Ford Escape Vacuum Hose Diagram

  • Category : Hose Diagram
  • Post Date : January 26, 2026
Ford Escape Vacuum Hose Diagram 9 out of 10 based on 10 ratings. 40 user reviews.

Ford Escape Vacuum Hose Diagram

2002 Ford Escape Vacuum Hose Diagram U2013 Festival Collections

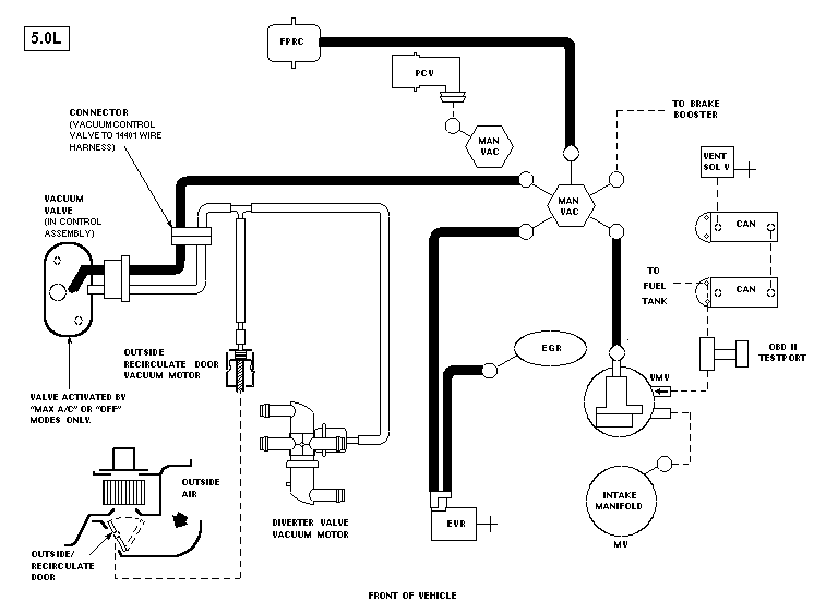
2004 Ford Escape Vacuum Hose Diagram

2004 Ford Escape Vacuum Diagram

2004 Ford F150 Vacuum Diagram

2004 Ford Escape Vacuum Diagram

Vacuum Hose Diagram Ford Escape

2004 Ford Escape Vacuum Diagram

2004 Ford Escape Vacuum Diagram

I Have A 2001 Ford Escape With A 3 0 L 4x4 I Will Pay One

Car Updates

Ford Escape Air Conditioning High Speed Low Speed But

38 2003 Ford Windstar Vacuum Hose Diagram Ford F 150 2wd

2004 Ford Escape Vacuum Diagram

Repair Guides

2006 Mazda 6 3 0 Vacuum Hose Diagram

2004 Ford Escape Vacuum Line Diagram

2006 Ford Escape Xlt 3 0l V6

Repair Guides

I Had A Chance Today To Check What You Told Me Regarding

Repair Guides

After Getting A Fault Reader It Says U0026quot Ignition Coil Pri

Escape-city Com U2022 View Topic

Vacuum Hose Diagram 2002 Ford Explorer

Repair Guides

2003 Ford Escape Vacuum Hose Diagram

Escape-city Com U2022 View Topic

Car Updates

Escape-city Com U2022 View Topic

Escape-city Com U2022 View Topic

Escape-city Com U2022 View Topic

2002 Ford Escape V6 Vacuum Hose Diagram

Car Updates

Escape-city Com U2022 View Topic

Oem New 2001

Vacuum Lines Go Where

Escape-city Com U2022 View Topic

2001 Ford Escape With 6 Cyl Has Been Idling Very Rough

2004 Ford Escape 3 0 Vacuum Hose Diagram

38 2003 Ford Windstar Vacuum Hose Diagram Ford F 150 2wd

Knock Sensor Is The Right Side Wiring Harness The One

Ford Explorer Throttle Body Location

03 Escape Radiator Hose Diagram

2005 Ford Escape Valve Cover Gasket Need To Know Step By

2004 Ford F150 Vacuum Diagram

Solved 2004 Ford Escape Egr Problem

Car Updates

2006 Mazda 6 3 0 Vacuum Hose Diagram

2002 Ford Explorer Vacuum Hose Routing

Diagram Ford Escape Vacuum Hose Diagram

  • Download Ford Escape Vacuum Hose Diagram

    draw.io is free online diagram software for making flowcharts, process diagrams, org charts, UML, ER and network diagrams

    Open and edit diagrams online with Draw.io, a free diagram software supporting various formats and diagram types.

    Create a new diagram, or open an existing diagram in your new tab. To create a new diagram, enter a Diagram Name and click the location where you want to save the file.

    Create flowcharts and diagrams online with this easy to use software.

    Easily import diagrams from Lucidchart to diagrams.net or draw.io with this simple tool.

    Create and edit diagrams with draw.io, a free diagramming tool that integrates seamlessly with Office 365.

    Access and integrate Google Drive files with Draw.io using the Google Picker tool for seamless diagram creation.

    Clearing Cached version 29.3.4... OK Update Start App

    7.2 The Software will initiate transfers of data forming part of the Diagrams (“Diagram Data”) to services supplied by third parties when you expressly request conversion of Diagrams: a. to another supported file format; and b. to PDF format.

    "short_name": "draw.io", "description": "draw.io is a free diagram editor", "icons": [ { "src": ".. favicon.ico", "type": "image x icon", "sizes": "16x16 32x32" }, { "src": "icon 192.png", "type": "image png", "sizes": "192x192" }, { "src": "icon 512.png", "type": "image png", "sizes": "512x512" },

    3 way switch,3 way switch wiring,3 way switch wiring diagram pdf,3 way wiring diagram,3way switch wiring diagram,4 prong dryer outlet wiring diagram,4 prong trailer wiring diagram,6 way trailer wiring diagram,7 pin trailer wiring diagram with brakes,7 pin wiring diagram,alternator wiring diagram,amp wiring diagram,automotive lighting,cable harness,chevrolet,diagram,dodge,doorbell wiring diagram,ecobee wiring diagram,electric motor,electrical connector,electrical wiring,electrical wiring diagram,ford,fuse,honeywell thermostat wiring diagram,ignition system,kenwood car stereo wiring diagram,light switch wiring diagram,lighting,motor wiring diagram,nest doorbell wiring diagram,nest hello wiring diagram,nest labs,nest thermostat,nest thermostat wiring diagram,phone connector,pin,pioneer wiring diagram,plug wiring diagram,pump,radio,radio wiring diagram,relay,relay wiring diagram,resistor,rj45 wiring diagram,schematic,semi-trailer truck,sensor,seven pin trailer wiring diagram,speaker wiring diagram,starter wiring diagram,stereo wiring diagram,stereophonic sound,strat wiring diagram,switch,switch wiring diagram,telecaster wiring diagram,thermostat wiring,thermostat wiring diagram,trailer brake controller,trailer plug wiring diagram,trailer wiring diagram,user guide,wire,wire diagram,wiring diagram,wiring diagram 3 way switch,wiring harness

    close