Home Safety Diagrams

Home Safety Diagrams

  • Category : Safety Diagrams
  • Post Date : January 26, 2026
Home Safety Diagrams 9 out of 10 based on 90 ratings. 100 user reviews.

Home Safety Diagrams

Safety System Elements Diagram

Core Environmental Services Asbestos Removal Asbestos

The Most Recent - Page 8 Of 28

Eye

Fm 23

Emergency Evacuation Diagram Sample - Hotel

Circle

Fire Safety Building Regulations Part B

Emergency Evacuation Diagram

Safety Culture Powerpoint Diagram

Car Safety Basics How

Safety Diagrams Middle Georgia State University

Making A Yacht Safety Diagram

Safety Management Model Business Diagram Stock Vector

Car Safety Basics How

9 Safety Tips To Help Navigate The Engineering World Of

Internet Security Infographics Stock Vector

Safety Cases

Safety Health Environment And Quality Diagram Stock

Process Safety For Hazardous Chemicals

A Personal Safety Net Diagram

Uc Davis Safety Services

Safety And Risk Management Business Diagram Stock

Fire Safety Signs U0026 Symbols

Noteworthy Practices Addressing Safety On Locally

Emergency Evacuation Diagrams Safety Graphics

Safety Slogan

Diagram This Gun Safety

Electrical Safety

Car Accident Car Accident Road Diagrams

Step

Mrs Remis U0026 39 Science Blog

Diagram Of Health And Safety Environment U2014 Stock Photo

Evacuation Signs And Diagrams

Harmer Creative

Ladder Safety

How Health And Safety Is Monitored And Reviewed

Safe Drive Control Including Safe Torque Off Sto

Muzzleloader Parts

Making A Yacht Safety Diagram

Physics Form 4 2 7 Being Aware Of The Need For Safety

Interactive Safety Hazard Diagrams

Interactive Safety Hazard Diagrams

Safety Wire Still Use Loctite Too - Page 2

Experts Tackle Fire Protection Weaknesses

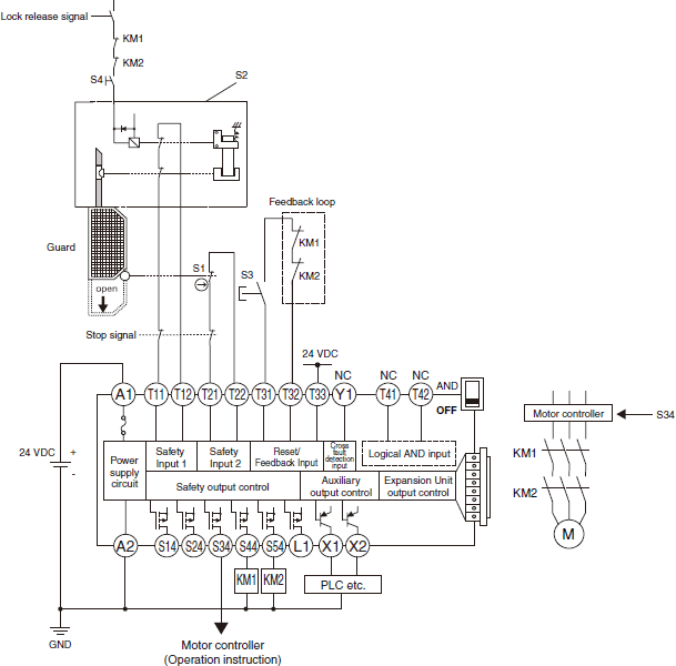
Circuit Connection Examples Of Safety Components

Car Safety Features Drawings And Diagrams

Get Lokar Neutral Safety Switch Wiring Diagram Download

How To Use Fishbone Diagrams In Aviation Sms

Magnetic Body

Transport Hazard Pictograms

Circuit Diagrams Of Safety Components

How Do These Safety Relays Work

Naep Science 2009 - Naep

Lokar Neutral Safety Switch Wiring Diagram Download

Safety Light Curtain Type 2 Sf2b Ver 2 I O Circuit And

Circuit Diagrams Of Safety Components

Risk Management Business Diagram Stock Vector

Trenching And Excavation Safety

Diagram Home Safety Diagrams

  • Download Home Safety Diagrams

    draw.io is free online diagram software for making flowcharts, process diagrams, org charts, UML, ER and network diagrams

    Open and edit diagrams online with Draw.io, a free diagram software supporting various formats and diagram types.

    Create a new diagram, or open an existing diagram in your new tab. To create a new diagram, enter a Diagram Name and click the location where you want to save the file.

    Create flowcharts and diagrams online with this easy to use software.

    Create and edit diagrams with draw.io, a free diagramming tool that integrates seamlessly with Office 365.

    Easily import diagrams from Lucidchart to diagrams.net or draw.io with this simple tool.

    Access and integrate Google Drive files with Draw.io using the Google Picker tool for seamless diagram creation.

    Clearing Cached version 29.3.4... OK Update Start App

    confEmbedUpload=For a better editing experience, please use the regular draw.io macro to insert a blank diagram, then from (File menu → Import From → Device...) select the file you want to upload and embed.

    If you enter personal information into a diagram and perform an action that requires us to send that diagram to a server for processing, your personal data may be processed on that server, but never stored.

    3 way switch,3 way switch wiring,3 way switch wiring diagram pdf,3 way wiring diagram,3way switch wiring diagram,4 prong dryer outlet wiring diagram,4 prong trailer wiring diagram,6 way trailer wiring diagram,7 pin trailer wiring diagram with brakes,7 pin wiring diagram,alternator wiring diagram,amp wiring diagram,automotive lighting,cable harness,chevrolet,diagram,dodge,doorbell wiring diagram,ecobee wiring diagram,electric motor,electrical connector,electrical wiring,electrical wiring diagram,ford,fuse,honeywell thermostat wiring diagram,ignition system,kenwood car stereo wiring diagram,light switch wiring diagram,lighting,motor wiring diagram,nest doorbell wiring diagram,nest hello wiring diagram,nest labs,nest thermostat,nest thermostat wiring diagram,phone connector,pin,pioneer wiring diagram,plug wiring diagram,pump,radio,radio wiring diagram,relay,relay wiring diagram,resistor,rj45 wiring diagram,schematic,semi-trailer truck,sensor,seven pin trailer wiring diagram,speaker wiring diagram,starter wiring diagram,stereo wiring diagram,stereophonic sound,strat wiring diagram,switch,switch wiring diagram,telecaster wiring diagram,thermostat wiring,thermostat wiring diagram,trailer brake controller,trailer plug wiring diagram,trailer wiring diagram,user guide,wire,wire diagram,wiring diagram,wiring diagram 3 way switch,wiring harness

    close