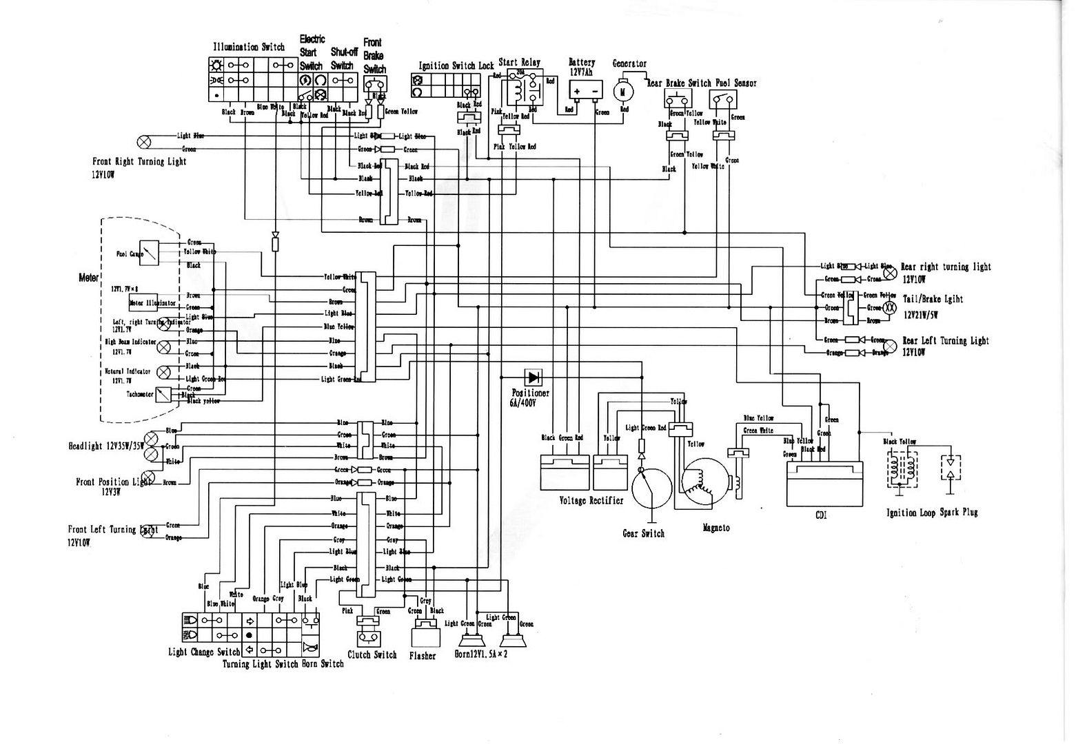
Honda E Storm Wiring Diagram

Honda E Storm Wiring Diagram

  • Category : Wiring Diagram
  • Post Date : January 26, 2026
Honda E Storm Wiring Diagram 9 out of 10 based on 90 ratings. 80 user reviews.

Honda E Storm Wiring Diagram

Feniex 4200 Mini

Technical Articles

Wiring The Storm Pro 100w Siren U2013 Feniex Industries

Eton Lightning 50 Axl Nxl Txl

Generac Gp17500e Wiring Diagram

Fleetwood Rv Wiring Diagram

Heatmiser Neostat-e Electric Thermostat

24vdc Relay Wiring Diagram Download

Xb

Wiring Link Atom To Honda Obd1 - G4

Attachment Browser Storm-osd-wiring Jpg By Btown2

Wiring Diagram For Old Storm Pro 100w And 200w U2013 Feniex Industries

Lights Not Working On My Morris 8

Edis 8 And Edis 6 Megajolt Wiring - Electrics

Briggs And Stratton Power Products 030592-01

Forum Posts Technical Talk

Solved Low Pressure Ac Port 1989 Ford Econoline 460 Van

Help Required Regarding Locating Wires For Otter Switch - Engine Ancilliaries

Wiring Diagram For 4200 Non

Wiring Diagram For Old Storm Pro 100w And 200w U2013 Feniex Industries

Wiring Diagram For Old Storm Pro 100w And 200w U2013 Feniex Industries

2006 Jetmoto Desert Storm 250 Twin Engine No Spark

W210 Speaker Wiring Diagram

Andr01d Make E

Zongshen Zs250gs Winner No Spark

Replacement Enviro Ef5 Self Adhesive Wiring Diagram

1987 Ford Motor Home 460 Motor It Caught Fire And Burnt About 2 Ft

The Official Cooler Master Storm Trooper Storm Stryker Club

Installing Turn Signals Electricscooterparts Com Support

How Do You Connect The Exo2 Sonde And Storm 3 Data Logger

Wiring Diagram For 3 Phase Motor Starter

Razor E300 And E300s Electric Scooter Parts

2016 Mxz Ace 600 - Electrical Diagram - 600 Ace 4-stroke Models

Lednings Diagram Til Pgo Hot 50 - Guider

Rb25det Neo Ecu Pinout - G4

Pit Bike Wiring Diagram Electric Start

Understanding Diagram Listrik Electrical Schema

I Have A 1992 Geo Tracker With A 1 6 Liter My Problem Is It Wont Start Unless I Spray It With

Usb Remote

Schematic Schematic Wiring Diagram

Allison Transmission Wiring Schematic

Andr01d Make 2012

Some Help Wiring A Common Wire To My Thermostats

Wiring Schematics

Rebel Wire Look Wiring Diagrams

Meyer Snow Plow Parts Diagram

Quick Basic Wiring

Delta Inverter Vfd Drive Vfd015e23a 3phase 220v 1 5kw 2hp 0 1

Forum Posts Technical Talk

Low Beam On Head Light Wont Work On A 2006 E350 Cut Away Drivers Side Headlight Does Work But

2 Step Without Trans Brake Wiring Diagram - Ls1tech

Ex

New Member Wiring Help With Older Lionel Diesel From The 70 U0026 39 S

E Stop Wiring

Arduino Controlled Barn Door Project

Gallery Of Generac Gp15000e Wiring Diagram Download

Color 000000 Design Collection

Diagram Honda E Storm Wiring Diagram

  • Download Honda E Storm Wiring Diagram

    draw.io is free online diagram software for making flowcharts, process diagrams, org charts, UML, ER and network diagrams

    Open and edit diagrams online with Draw.io, a free diagram software supporting various formats and diagram types.

    Create a new diagram, or open an existing diagram in your new tab. To create a new diagram, enter a Diagram Name and click the location where you want to save the file.

    Create flowcharts and diagrams online with this easy to use software.

    Easily import diagrams from Lucidchart to diagrams.net or draw.io with this simple tool.

    Create and edit diagrams with draw.io, a free diagramming tool that integrates seamlessly with Office 365.

    Access and integrate Google Drive files with Draw.io using the Google Picker tool for seamless diagram creation.

    Clearing Cached version 29.3.4... OK Update Start App

    7.2 The Software will initiate transfers of data forming part of the Diagrams (“Diagram Data”) to services supplied by third parties when you expressly request conversion of Diagrams: a. to another supported file format; and b. to PDF format.

    "short_name": "draw.io", "description": "draw.io is a free diagram editor", "icons": [ { "src": ".. favicon.ico", "type": "image x icon", "sizes": "16x16 32x32" }, { "src": "icon 192.png", "type": "image png", "sizes": "192x192" }, { "src": "icon 512.png", "type": "image png", "sizes": "512x512" },

    3 way switch,3 way switch wiring,3 way switch wiring diagram pdf,3 way wiring diagram,3way switch wiring diagram,4 prong dryer outlet wiring diagram,4 prong trailer wiring diagram,6 way trailer wiring diagram,7 pin trailer wiring diagram with brakes,7 pin wiring diagram,alternator wiring diagram,amp wiring diagram,automotive lighting,cable harness,chevrolet,diagram,dodge,doorbell wiring diagram,ecobee wiring diagram,electric motor,electrical connector,electrical wiring,electrical wiring diagram,ford,fuse,honeywell thermostat wiring diagram,ignition system,kenwood car stereo wiring diagram,light switch wiring diagram,lighting,motor wiring diagram,nest doorbell wiring diagram,nest hello wiring diagram,nest labs,nest thermostat,nest thermostat wiring diagram,phone connector,pin,pioneer wiring diagram,plug wiring diagram,pump,radio,radio wiring diagram,relay,relay wiring diagram,resistor,rj45 wiring diagram,schematic,semi-trailer truck,sensor,seven pin trailer wiring diagram,speaker wiring diagram,starter wiring diagram,stereo wiring diagram,stereophonic sound,strat wiring diagram,switch,switch wiring diagram,telecaster wiring diagram,thermostat wiring,thermostat wiring diagram,trailer brake controller,trailer plug wiring diagram,trailer wiring diagram,user guide,wire,wire diagram,wiring diagram,wiring diagram 3 way switch,wiring harness

    close