Hyundai Hd65 Wiring Diagram

Hyundai Hd65 Wiring Diagram

  • Category : Wiring Diagram
  • Post Date : January 27, 2026
Hyundai Hd65 Wiring Diagram 9 out of 10 based on 30 ratings. 70 user reviews.

Hyundai Hd65 Wiring Diagram

Vintagegolfcartparts Com

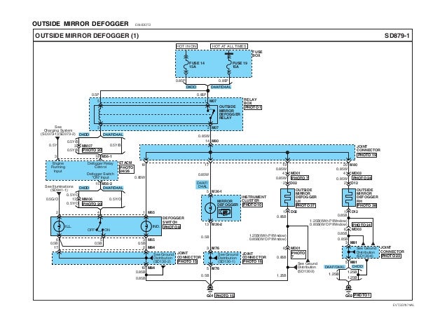
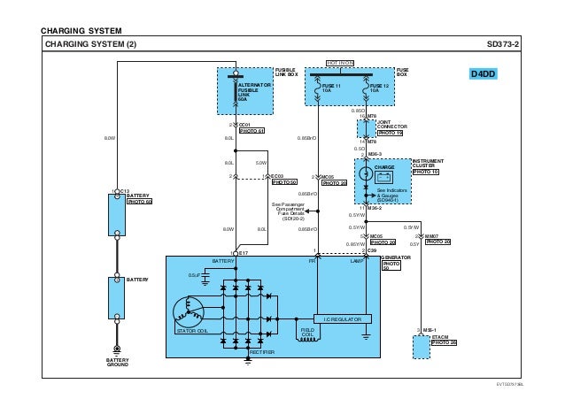
Hyundai Hd65 Hd72 Hd78 Electrical Troubleshooting Manual

Hyundai Hd65 Hd72 Hd78 Electrical Troubleshooting Manual

Hyundai Hd65 Hd72 Hd78 Electrical Troubleshooting Manual

Hyundai Hd65 Hd72 Hd78 Electrical Troubleshooting Manual

Repair Guides

Gravely 992101 000101

Hardinge Hlv-h 397 Wiring Diagram Pdf

Honeywell Thermostat Ct31a1003 Wiring Diagram

Hyundai Hd72 By Vuxuan1122 U2019s

Repair

Repair

Hj60 Pre

Hyundai Hd65 Hd72 Hd78 Electrical Troubleshooting Manual

Hyundai Hd65 Hd72 Hd78 Electrical Troubleshooting Manual

Understanding Diagram Listrik Electrical Schema

Dvr To Hd Tv Connection Wiring Diagram

Wiring Diagram 307 2007

Homelite Ps907000s 7 000 Watt Generator Mfg No 090930276 Parts Diagram For Wiring Diagram

685 U2013 International Harvester Heritage Association

Hyundai Hd65 Hd72 Hd78 Electrical Troubleshooting Manual

Internal Panel Light Switch Function Electrical Instruments By Lotuselan Net

Humidity Sensor Rh

Ac Servo -10 Control Wiring-1 U0634 U0631 U062d U0627 U0644 U0633 U064a U0631 U0641 U0648

Turntable Drives

New Cb450 Wiring Diagram

Wiring A Photoelectric Eye To Automatic Gate Opener

1993 Ls400 1uz-fe Wiring Diagram

Wiring Diagrams 911 December 2011

K990 Connection Diagram

Hyundai D4dc Abs Schematic Diagrams

Wiring Diagram Help - Clublexus

Wiring A Photoelectric Eye To Automatic Gate Opener

How To Wire A Positive Type Door Locking System With Car Alarm - Outputs

Somewhere In The Boundary Layer Thermoelectric Peltier Wine Cooler

How To Wire Honeywell T-stat Th8320wf

Index Of Wp Uploads 2017 08

Wiring An Illuminated Switch Radioshack Toggle 275-021

1uzfe Spitronics Wiring - Part 5

Ap200 Ph Sensor Wiring

Vp1 - Wiring For Normally Closed Relay Operation I E Maglock

Honeywell - Installing A Thermostat

How To Wire Photoelectric Sensors To Gates

How To Wire A Variac

Wiring A Contactor By Your Own Hands

1 System Configuration Installation And Wiring - Melsec Tutorial

Installing A Motion Detector Led Light - Plus Wire Nut Lesson

Wi Fi C Wire Install Video

Wiring Diagram Help - Clublexus

87 Yj Gauge Cluster Wiring Diagram

Wiring Diagram Fc250bj 11

Wiring Locations On Rheem Air Handler

I Need Help With Wiring - Kawiforums

Electric Oven Repair

Motor Replacement For Compressor

1965 Chevrolet Corvair Electrical Wiring Diagram

Kohler Voltage Regulator Re-regulator

Wiring Diagrams O

Diagram Dw744 Type 6 Wiring Diagram Full Version Hd Quality Wiring Diagram

Diagram Hyundai Hd65 Wiring Diagram

  • Download Hyundai Hd65 Wiring Diagram

    draw.io is free online diagram software for making flowcharts, process diagrams, org charts, UML, ER and network diagrams

    Open and edit diagrams online with Draw.io, a free diagram software supporting various formats and diagram types.

    Create a new diagram, or open an existing diagram in your new tab. To create a new diagram, enter a Diagram Name and click the location where you want to save the file.

    Create flowcharts and diagrams online with this easy to use software.

    Create and edit diagrams with draw.io, a free diagramming tool that integrates seamlessly with Office 365.

    app.diagrams.net

    Easily import diagrams from Lucidchart to diagrams.net or draw.io with this simple tool.

    Access and integrate Google Drive files with Draw.io using the Google Picker tool for seamless diagram creation.

    Clearing Cached version 29.3.4... OK Update Start App

    confEmbedUpload=For a better editing experience, please use the regular draw.io macro to insert a blank diagram, then from (File menu → Import From → Device...) select the file you want to upload and embed.

    3 way switch,3 way switch wiring,3 way switch wiring diagram pdf,3 way wiring diagram,3way switch wiring diagram,4 prong dryer outlet wiring diagram,4 prong trailer wiring diagram,6 way trailer wiring diagram,7 pin trailer wiring diagram with brakes,7 pin wiring diagram,alternator wiring diagram,amp wiring diagram,automotive lighting,cable harness,chevrolet,diagram,dodge,doorbell wiring diagram,ecobee wiring diagram,electric motor,electrical connector,electrical wiring,electrical wiring diagram,ford,fuse,honeywell thermostat wiring diagram,ignition system,kenwood car stereo wiring diagram,light switch wiring diagram,lighting,motor wiring diagram,nest doorbell wiring diagram,nest hello wiring diagram,nest labs,nest thermostat,nest thermostat wiring diagram,phone connector,pin,pioneer wiring diagram,plug wiring diagram,pump,radio,radio wiring diagram,relay,relay wiring diagram,resistor,rj45 wiring diagram,schematic,semi-trailer truck,sensor,seven pin trailer wiring diagram,speaker wiring diagram,starter wiring diagram,stereo wiring diagram,stereophonic sound,strat wiring diagram,switch,switch wiring diagram,telecaster wiring diagram,thermostat wiring,thermostat wiring diagram,trailer brake controller,trailer plug wiring diagram,trailer wiring diagram,user guide,wire,wire diagram,wiring diagram,wiring diagram 3 way switch,wiring harness

    close