Lexus Nx 200t Wiring Diagram

Lexus Nx 200t Wiring Diagram

  • Category : Wiring Diagram
  • Post Date : January 26, 2026
Lexus Nx 200t Wiring Diagram 9 out of 10 based on 100 ratings. 80 user reviews.

Lexus Nx 200t Wiring Diagram

Lexus Nx200 Nx200t Repair Manual Pdf

S-10 Forum

Quick Help Headlamp Wiring Diagram - Clublexus

Nx650 A Simple Wiring Loom

Good Quality Image File Of Nx650 Wiring Diagram

What U0026 39 S This Bit For

5215278010 - Extension Rear Bumper Stay Interior Body

Nx Pf Pc Tbx Nx Specifications

Nx Pf Pc Tbx Nx Specifications

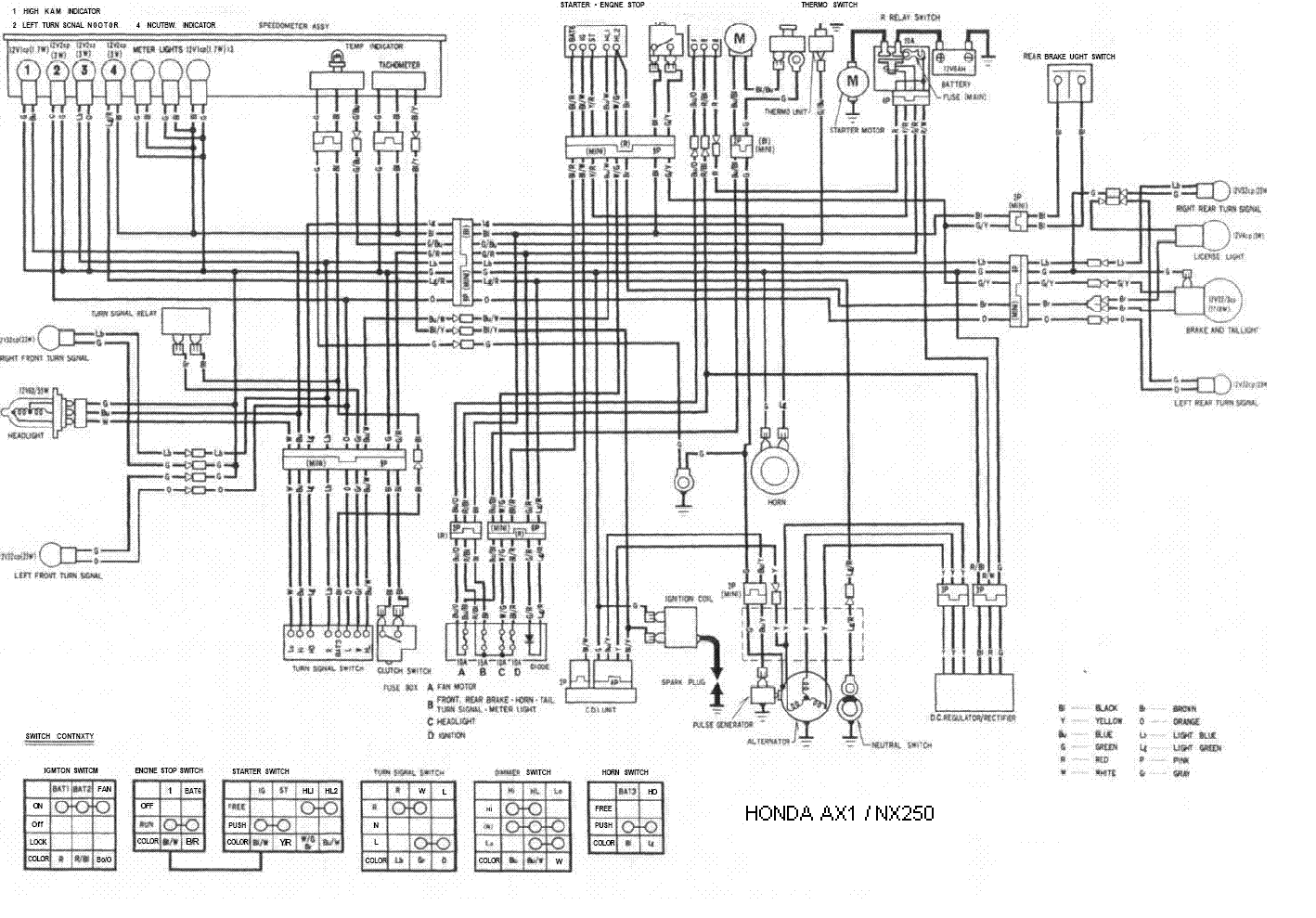
Honda Nx 250 Wiring Diagram

Nx250 Cdi Issues Nx650 Dominator Forum

Honda Nx 250 Wiring Diagram

Nx250 Thread

Electrical Nightmare

Ge Networx Nx-8v2 To Horn Via Rbsn Relay

Need Wiring Diagram From Radio Harness - Clublexus

Nx 61

Manual De Servi U00e7o Xr200 R Nx200 Cbx200s Mskbb931p Diagrama

Honda Nx 250 Wiring Diagram

Need Wiring Diagram From Radio Harness

Nx Uc2dc Ub9ac Uc988 Ub85c Ub4dc Uc140 Uc785 Ub825 Uc7a5 Uce58

5212624030 - Bracket Fog Lamp Mounting Left Bumper

Nx Maximizer 4 Lingenfelter Launch Control Lnc-003 Wiring Diagram - Ls1tech

Nx Da Nx O Unit Specifications

Lexus Nx 300h Luxury Price In Chennai Features Reviews

Honda Nx250 1988 J Usa California Wire Harness

Lexus Nx200

How To Set A Fpss Without A Fp Gauge

Lexus Nx200t Usa 10 2014 Service Manual

Nx7 5 Electrical Routing 04 Create Wire And Terminals

1988 Nx250 Set Wiring Diagram

2015 Lexus Nx 200t Custom Fit Vehicle Wiring

Test - V U00fdkonn U00e9 Kompaktn U00ed Plc Omron Nx1p2 - 1 D U00edl

2016 Lexus Rx 350 Curt T-connector Vehicle Wiring Harness For Factory Tow Package

2016 Lexus Nx 200t Custom Fit Vehicle Wiring

1993 Nissan Sentra And Nx Wiring Diagram Manual Original

How To Install An Nx Digital Window Switch On Your 1986

2008 Lexus Fuse Box Diagram

Technische Daten

Neutral Bei Gezogener Kupplung

Honda Nx 250 Wiring Diagram

How To Install An Nx Bottle Heater

Nx Wiring Diagram

Lexus Nx200t Usa 10 2014 Service Manual

Honda Nx 250 Wiring Diagram

Honda Nx 250 Wiring Diagram

Honda Nx 250 Wiring Diagram

8293053010 - Condenser Assembly Wiring Harness No 1

2016 Lexus Rx 350 Curt T-connector Vehicle Wiring Harness For Factory Tow Package

2016 Lexus Nx 200t Custom Fit Vehicle Wiring

Lexus Nx 200t Trailer Install

Honda Nx650 Dominator 1991 M Germany Wire Harness Ignition Coil

How To Analog To Digital Cluster - 93-94 Se-r Nx

Stihl Ms 200 T Handle

Honda Nx 250 Wiring Diagram

Need Help To Solve Electrics Of Yingang 250cc Engine Yg170mm

Nx Ia Od Oc Md Nx O Unit Specifications

Diagram Lexus Nx 200t Wiring Diagram

  • Download Lexus Nx 200t Wiring Diagram

    draw.io is free online diagram software for making flowcharts, process diagrams, org charts, UML, ER and network diagrams

    Open and edit diagrams online with Draw.io, a free diagram software supporting various formats and diagram types.

    Create a new diagram, or open an existing diagram in your new tab. To create a new diagram, enter a Diagram Name and click the location where you want to save the file.

    Create flowcharts and diagrams online with this easy to use software.

    Easily import diagrams from Lucidchart to diagrams.net or draw.io with this simple tool.

    Create and edit diagrams with draw.io, a free diagramming tool that integrates seamlessly with Office 365.

    Access and integrate Google Drive files with Draw.io using the Google Picker tool for seamless diagram creation.

    Clearing Cached version 29.3.4... OK Update Start App

    7.2 The Software will initiate transfers of data forming part of the Diagrams (“Diagram Data”) to services supplied by third parties when you expressly request conversion of Diagrams: a. to another supported file format; and b. to PDF format.

    "short_name": "draw.io", "description": "draw.io is a free diagram editor", "icons": [ { "src": ".. favicon.ico", "type": "image x icon", "sizes": "16x16 32x32" }, { "src": "icon 192.png", "type": "image png", "sizes": "192x192" }, { "src": "icon 512.png", "type": "image png", "sizes": "512x512" },

    3 way switch,3 way switch wiring,3 way switch wiring diagram pdf,3 way wiring diagram,3way switch wiring diagram,4 prong dryer outlet wiring diagram,4 prong trailer wiring diagram,6 way trailer wiring diagram,7 pin trailer wiring diagram with brakes,7 pin wiring diagram,alternator wiring diagram,amp wiring diagram,automotive lighting,cable harness,chevrolet,diagram,dodge,doorbell wiring diagram,ecobee wiring diagram,electric motor,electrical connector,electrical wiring,electrical wiring diagram,ford,fuse,honeywell thermostat wiring diagram,ignition system,kenwood car stereo wiring diagram,light switch wiring diagram,lighting,motor wiring diagram,nest doorbell wiring diagram,nest hello wiring diagram,nest labs,nest thermostat,nest thermostat wiring diagram,phone connector,pin,pioneer wiring diagram,plug wiring diagram,pump,radio,radio wiring diagram,relay,relay wiring diagram,resistor,rj45 wiring diagram,schematic,semi-trailer truck,sensor,seven pin trailer wiring diagram,speaker wiring diagram,starter wiring diagram,stereo wiring diagram,stereophonic sound,strat wiring diagram,switch,switch wiring diagram,telecaster wiring diagram,thermostat wiring,thermostat wiring diagram,trailer brake controller,trailer plug wiring diagram,trailer wiring diagram,user guide,wire,wire diagram,wiring diagram,wiring diagram 3 way switch,wiring harness

    close