Lincoln Spool Gun Wiring Diagram

Lincoln Spool Gun Wiring Diagram

  • Category : Wiring Diagram
  • Post Date : January 26, 2026
Lincoln Spool Gun Wiring Diagram 9 out of 10 based on 10 ratings. 60 user reviews.

Lincoln Spool Gun Wiring Diagram

Spool Gun Hookup Chart

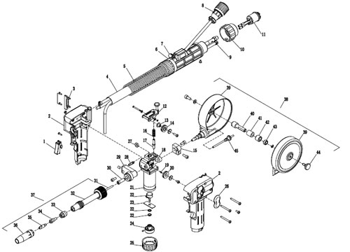
Mig Spool Gun

Wiring Diagram F 118

Spoolmatic 30a Gun Pinout Diagram Illustration

Spoolmatic 30a Gun Pinout Diagram Illustration

707 1850 Spool Gun Switch Kit

Lincoln Sp

Troubleshooting Aec 200

Unimig Mig Spool Gun 8m 240 Amp

Lincoln Magnum Sg

Miller Millermatic 211 Mig Welder Spoolmate 150 And Accessories 907614 907614

Revolution Direct

Lincoln Magnum Sg

Dial Arc 250

Gas Metal Arc Welding Torch Introduction China Mag Mig Welding Gun Manufacturer

Safety And Operating Instructions

Hobart Ironman 230 Mig Welder 500536

Safety Maintenance Warning

Mig Welding Equipment

Best Mig Welder For The Money

Lincoln Electric Im408 Magnum Sg Spool Gun User Manual

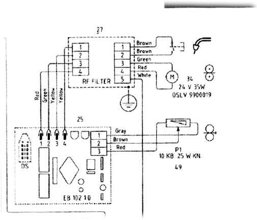
Electrical Diagrams Wiring Diagram

Lincoln Electric Imt913 Magnum 100sg Spool Gun User Manual

Miller Nozzle Insulator For Spoolmatic 30a

Lincoln Electric 100 Spool Gun Wiring Harness Hook Up

Miller Spoolmatic 30a 130831

Ssc Remote Foot Pedal For Kemppi Tig Welders - 7pin Plug

Mig Spool Gun - 8 Meter -240 Amp -euro Connection -unimig Style

What Was The Last Tool You Bought - Page 26

Trafimet Spool Gun

Mig Spool Gun - 3 Meter - 180 Amp - Xcel-arc

Revolution Direct

Welded Aluminum Jet Boat Plans

Mig Spool Gun - 4 Meter - 180 Amp

Spool Gun Handheld Wirefeed Welder Powered By Car Batteries

Spool Gun Handheld Wirefeed Welder Powered By Car Batteries 10 Steps With Pictures

September

Soleus Parts Diagrammiller 200 Welder Parts Diagram U2022 Downloaddescargar Com

Mod-your-151 How-to Guide

Diagrams

Power I-mig 140e

Moses Ludel U0026 39 S 4wd Mechanix Magazine

Miller Spoolmate 100 Spool Gun

Mega 4 Mig Gun 15 U0026 39 Lincoln Compatible With Lincoln U00ae Machines Ln7 Ln8 Ln9 Ln25 Ln742

Submerged Arc Welding

Miller Spoolmatic 30a 130831

Lincoln Electric Im408 Magnum Sg Spool Gun User Manual

Miller Spoolmatic 30a Mig Spool Gun For Sale 130831

Revolution Spool Gun Parts

Hobart Welder Wiring Diagram

Soldador Pistola De Bobina Mig North Soldador Flex U00edvel

Wire In A Push Pull Gun

Millermatic 252 Mig Pkg With Spoolmatic 30a 208 230 Volt 951066

Spool Gun Handheld Wirefeed Welder Powered By Car Batteries

120 Hobart Welder Wiring Diagram

Spoolgun100 Help

Miller Millermatic 350p Mig Welding Aluminum Package For Sale 907300002

Miller Spoolmate 100 Mig Spoolgun 300371

Diagram Lincoln Spool Gun Wiring Diagram

  • Download Lincoln Spool Gun Wiring Diagram

    draw.io is free online diagram software for making flowcharts, process diagrams, org charts, UML, ER and network diagrams

    Open and edit diagrams online with Draw.io, a free diagram software supporting various formats and diagram types.

    Create a new diagram, or open an existing diagram in your new tab. To create a new diagram, enter a Diagram Name and click the location where you want to save the file.

    Create flowcharts and diagrams online with this easy to use software.

    Easily import diagrams from Lucidchart to diagrams.net or draw.io with this simple tool.

    Create and edit diagrams with draw.io, a free diagramming tool that integrates seamlessly with Office 365.

    Access and integrate Google Drive files with Draw.io using the Google Picker tool for seamless diagram creation.

    Clearing Cached version 29.3.4... OK Update Start App

    7.2 The Software will initiate transfers of data forming part of the Diagrams (“Diagram Data”) to services supplied by third parties when you expressly request conversion of Diagrams: a. to another supported file format; and b. to PDF format.

    "short_name": "draw.io", "description": "draw.io is a free diagram editor", "icons": [ { "src": ".. favicon.ico", "type": "image x icon", "sizes": "16x16 32x32" }, { "src": "icon 192.png", "type": "image png", "sizes": "192x192" }, { "src": "icon 512.png", "type": "image png", "sizes": "512x512" },

    3 way switch,3 way switch wiring,3 way switch wiring diagram pdf,3 way wiring diagram,3way switch wiring diagram,4 prong dryer outlet wiring diagram,4 prong trailer wiring diagram,6 way trailer wiring diagram,7 pin trailer wiring diagram with brakes,7 pin wiring diagram,alternator wiring diagram,amp wiring diagram,automotive lighting,cable harness,chevrolet,diagram,dodge,doorbell wiring diagram,ecobee wiring diagram,electric motor,electrical connector,electrical wiring,electrical wiring diagram,ford,fuse,honeywell thermostat wiring diagram,ignition system,kenwood car stereo wiring diagram,light switch wiring diagram,lighting,motor wiring diagram,nest doorbell wiring diagram,nest hello wiring diagram,nest labs,nest thermostat,nest thermostat wiring diagram,phone connector,pin,pioneer wiring diagram,plug wiring diagram,pump,radio,radio wiring diagram,relay,relay wiring diagram,resistor,rj45 wiring diagram,schematic,semi-trailer truck,sensor,seven pin trailer wiring diagram,speaker wiring diagram,starter wiring diagram,stereo wiring diagram,stereophonic sound,strat wiring diagram,switch,switch wiring diagram,telecaster wiring diagram,thermostat wiring,thermostat wiring diagram,trailer brake controller,trailer plug wiring diagram,trailer wiring diagram,user guide,wire,wire diagram,wiring diagram,wiring diagram 3 way switch,wiring harness

    close