Long S Stepper Motor Wiring Diagram

Long S Stepper Motor Wiring Diagram

  • Category : Wiring Diagram
  • Post Date : January 27, 2026
Long S Stepper Motor Wiring Diagram 9 out of 10 based on 50 ratings. 20 user reviews.

Long S Stepper Motor Wiring Diagram

Stepper Motor Wiring

Drv8825 Stepper Motor Driver Carrier High Current

Complete Beginner Trying To Make My Stepper Motor Work

Radio Controlled Stepper

Wiring Diagram Of Stepper Motor

A4988 - Stepper Motor Jittering

Us De Ship 4axis Nema34 Stepper Motor 1600oz In U0026driver

Attempted Fun With Engineering Arduino Library For

U3010german Free Ship U30113axis Nema23 Stepper Motor 270oz

Eu Free Ship 4axis Nema17 Stepper Motor 52oz In 4kg Cm

Eu Free Ship 4axis Nema23 Stepper Motor 425oz

Using L298n H Bridge With Stepper Motors On Arduino

Plc Stepper Motor Control

28byj

A4988 Arduino Stepper Motor - Miscellaneous

How To Control A Stepper Motor With A4988 And Arduino 4

Lesson 25 Stepper Motor

Stepper Motor Holding Current

Cnc Diy M335 Cnc Stepper Driver Support Nema17 Nema23

March 2018 Archive Electronic Circuit Diagram

How To Control A Stepper Motor With Arduino Motor Shield

1axis Longs Nema 42 Stepper Motor 3256oz

28byj

Stepper Motor U0026 Drivers Tb67s Stepper Driver

Leadshine 86hs35 2

Diy And Cnc Central

Drv8880 2a Stepper Motor Driver With Autotune

Difference Between 4

Wiring And Grounding Stepper Motors

Wantai Stepper Motor Wiring Diagram

Us Ship 3axis Nema 23 Stepper Motor 425oz

Mini Project Stepper Motor Controller Using Pic

Valuable Longs Motor Wiring Diagram 4 Axis Nema 23 Stepper

4axis Nema23 Stepper Motor 23hs8610 287oz

How To Connect A Stepper Motor With Exactly 4 Wires To

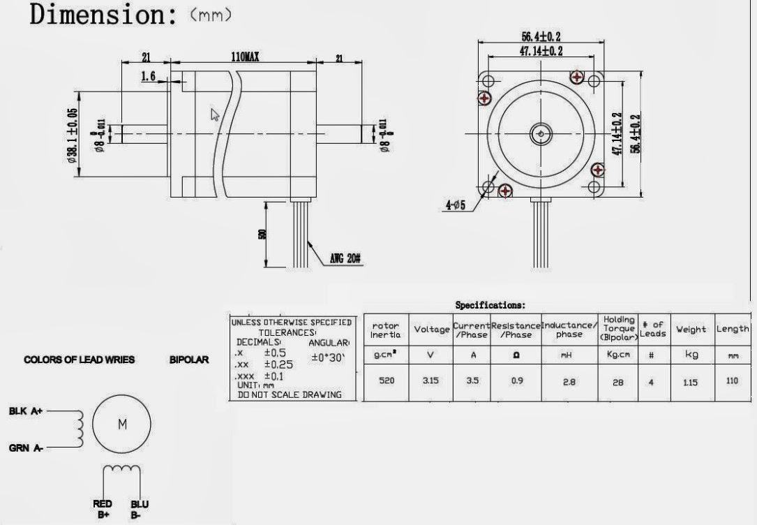
Wiring Diagram Of Stepper Motor

Nema 23 Stepper Motor 1a 1 8 Degree 2 Phase 6 Wires

Stepper Motors Bipolar Connections For 2

Stepper Motor Pin Diagram

23w

Stepper Motors U2013 Wiring Up A Bipolar Stepper Motor

What Have I Gotten Myself Into November 2013

As Abs Direct Drive Diagrams

Stepper Motor With Driver 28byj

Wiring Diagram Of Stepper Motor

Modmypi

Stepper Motor Drive From Arduino

Leadshine 39hs02 Nema 16 2

Stepper Motor

Stepper Motor Driver Code

Stepper Motor Connection U2013 Aansluiten Meterkast Schema

Wiring Diagram Of Stepper Motor

Arduino Bipolar Stepper Motor Wiring Diagram

Diagram Long S Stepper Motor Wiring Diagram

  • Download Long S Stepper Motor Wiring Diagram

    draw.io is free online diagram software for making flowcharts, process diagrams, org charts, UML, ER and network diagrams

    Open and edit diagrams online with Draw.io, a free diagram software supporting various formats and diagram types.

    Create a new diagram, or open an existing diagram in your new tab. To create a new diagram, enter a Diagram Name and click the location where you want to save the file.

    Create flowcharts and diagrams online with this easy to use software.

    Create and edit diagrams with draw.io, a free diagramming tool that integrates seamlessly with Office 365.

    app.diagrams.net

    Easily import diagrams from Lucidchart to diagrams.net or draw.io with this simple tool.

    Access and integrate Google Drive files with Draw.io using the Google Picker tool for seamless diagram creation.

    Clearing Cached version 29.3.4... OK Update Start App

    confEmbedUpload=For a better editing experience, please use the regular draw.io macro to insert a blank diagram, then from (File menu → Import From → Device...) select the file you want to upload and embed.

    3 way switch,3 way switch wiring,3 way switch wiring diagram pdf,3 way wiring diagram,3way switch wiring diagram,4 prong dryer outlet wiring diagram,4 prong trailer wiring diagram,6 way trailer wiring diagram,7 pin trailer wiring diagram with brakes,7 pin wiring diagram,alternator wiring diagram,amp wiring diagram,automotive lighting,cable harness,chevrolet,diagram,dodge,doorbell wiring diagram,ecobee wiring diagram,electric motor,electrical connector,electrical wiring,electrical wiring diagram,ford,fuse,honeywell thermostat wiring diagram,ignition system,kenwood car stereo wiring diagram,light switch wiring diagram,lighting,motor wiring diagram,nest doorbell wiring diagram,nest hello wiring diagram,nest labs,nest thermostat,nest thermostat wiring diagram,phone connector,pin,pioneer wiring diagram,plug wiring diagram,pump,radio,radio wiring diagram,relay,relay wiring diagram,resistor,rj45 wiring diagram,schematic,semi-trailer truck,sensor,seven pin trailer wiring diagram,speaker wiring diagram,starter wiring diagram,stereo wiring diagram,stereophonic sound,strat wiring diagram,switch,switch wiring diagram,telecaster wiring diagram,thermostat wiring,thermostat wiring diagram,trailer brake controller,trailer plug wiring diagram,trailer wiring diagram,user guide,wire,wire diagram,wiring diagram,wiring diagram 3 way switch,wiring harness

    close