Mazda6 F L Mazda6 Mps Wiring Diagrams

Mazda6 F L Mazda6 Mps Wiring Diagrams

  • Category : Wiring Diagrams
  • Post Date : January 27, 2026
Mazda6 F L Mazda6 Mps Wiring Diagrams 9 out of 10 based on 100 ratings. 40 user reviews.

Mazda6 F L Mazda6 Mps Wiring Diagrams

Mazda 6 Gg 2002

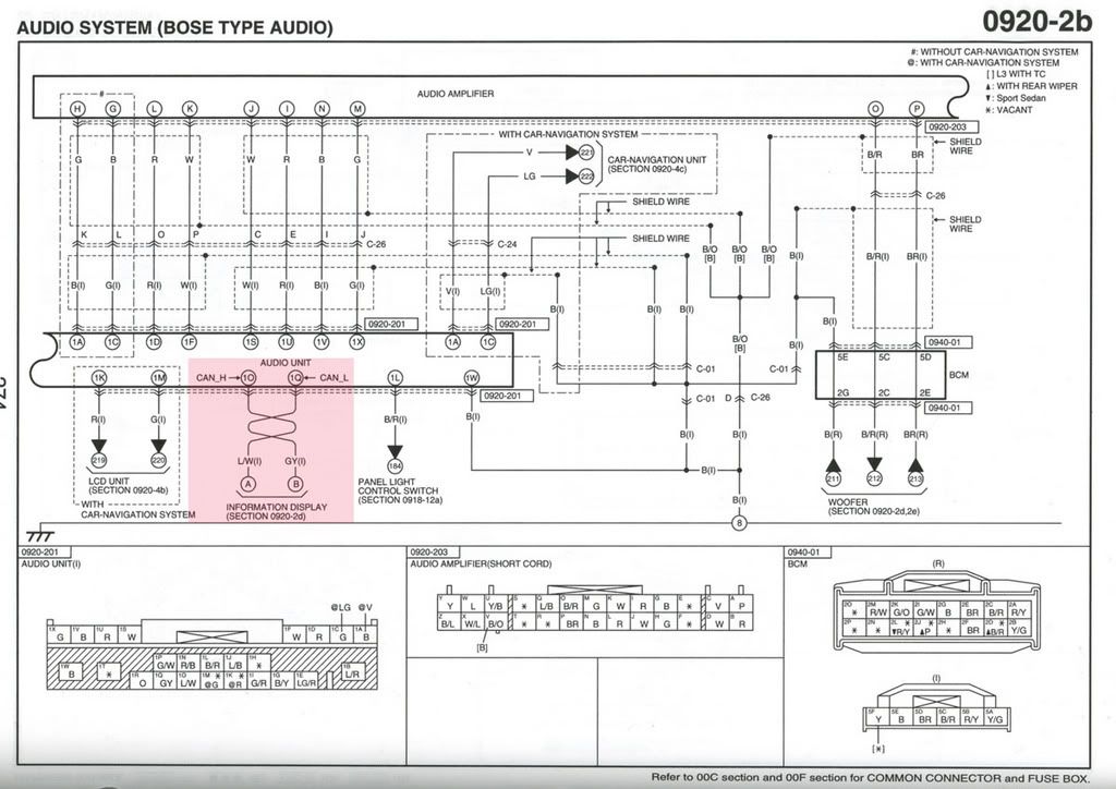
Mazda 6 Mps Gg Wiring Diagram 2002

Mazda 6 Gg 2002

Mazda 6 2 5l 2015 Wiring Diagram

Mazda 6 Gg 2002

Mazda 3 Mps Wiring Diagram

Mazda 3 2015 2 4l Wiring Diagrams

The Wiring Diagram For The 89 Mx6 626 - Page 2

Mazda 6 Fl Mps Wiring Diagram

Oil Filter U0026 39 Spin

Mazda 6 Gg 2002

Mazda 6 Fl Mps Wiring Diagram

2005 Mazda 6 2 3 L Service Manual

Wire Color Legend

2006 Mazda 6 3 0 Vacuum Hose Diagram

Mazda 6 Fl Mps Wiring Diagram

Parts Com U00ae

Mazda 6 Mps Gg Wiring Diagram 2002

Mazda6 Mps Supplement Training Manual

Mazda Mx5 Miata 2008

Mazda 3 2015 2 4l Wiring Diagrams

Mazda 3 Mps Wiring Diagram

Mazda B4000 Exhaust System Diagram U2022 Downloaddescargar Com

Mazda 6 Mps Gg Wiring Diagram 2002

Mazda Turbo 2 Tps Wiring Diagram

Simple 2004 Mazda 6 Speaker Wiring Diagram Mazda 6 Wiring

Magicalillusions Org

Enabling Trip Computer On Ms6 - Page 18

F250 Super Duty Air Intake On The Map Iat Sensor Which

Zzz 14021 041 Water Pump Gasket Mazda E2200 Diesel 2 2l

2006 Mazda 6 3 0 Vacuum Hose Diagram

Mazda Cx

2003 Ford Excursion 6 8l Mass Air Wiring Diagram

Mazda Bt 50 Wiring Diagrams Manual 2012

Mazda Cx

What Are The Radio Wire Color Codes On A Base Radio How Do

Final Check Before I Start My Install 14 Mazda Cx Bose

Mazda Wiring Diagram U2013 Auto Workshop Repair Manuals Online

Enabling Trip Computer On Ms6 - Page 18

Mazda 3 2014 Workshop U0026repair Service Manual

Mps Wiring Diagram

Mazda Cx

Mazda Cx

Mazda6 Mps Supplement Training Manual

Parts Com U00ae

Mazda 6 Cx

2006 Mazda 6 3 0 Vacuum Hose Diagram

Repair Guides

Hyster H50f Engine Parts U2022 Downloaddescargar Com

F250 Super Duty Air Intake On The Map Iat Sensor Which

2005 Mazda 6 2 3 L Service Manual

1989 Mazda B2200 Wiring Diagram Mazda Wiring Diagram Images

Mazda Protege

2006 Ford Ranger 3 0l Iac Wiring Diagram

Bt 50 Brake Controller Wiring Diagram

Diy 3 5mm Stereo To Bose System

6 6l Belt Diagram

Mazda 3 Tis Repair Manuals Download Wiring Diagram

My Son U0026 39 S 02 Protege 5 With The 2 0 Liter Engine Is Giving

Diagram Mazda6 F L Mazda6 Mps Wiring Diagrams

  • Download Mazda6 F L Mazda6 Mps Wiring Diagrams

    draw.io is free online diagram software for making flowcharts, process diagrams, org charts, UML, ER and network diagrams

    Open and edit diagrams online with Draw.io, a free diagram software supporting various formats and diagram types.

    Create a new diagram, or open an existing diagram in your new tab. To create a new diagram, enter a Diagram Name and click the location where you want to save the file.

    Create flowcharts and diagrams online with this easy to use software.

    Create and edit diagrams with draw.io, a free diagramming tool that integrates seamlessly with Office 365.

    app.diagrams.net

    Easily import diagrams from Lucidchart to diagrams.net or draw.io with this simple tool.

    Access and integrate Google Drive files with Draw.io using the Google Picker tool for seamless diagram creation.

    Clearing Cached version 29.3.4... OK Update Start App

    confEmbedUpload=For a better editing experience, please use the regular draw.io macro to insert a blank diagram, then from (File menu → Import From → Device...) select the file you want to upload and embed.

    3 way switch,3 way switch wiring,3 way switch wiring diagram pdf,3 way wiring diagram,3way switch wiring diagram,4 prong dryer outlet wiring diagram,4 prong trailer wiring diagram,6 way trailer wiring diagram,7 pin trailer wiring diagram with brakes,7 pin wiring diagram,alternator wiring diagram,amp wiring diagram,automotive lighting,cable harness,chevrolet,diagram,dodge,doorbell wiring diagram,ecobee wiring diagram,electric motor,electrical connector,electrical wiring,electrical wiring diagram,ford,fuse,honeywell thermostat wiring diagram,ignition system,kenwood car stereo wiring diagram,light switch wiring diagram,lighting,motor wiring diagram,nest doorbell wiring diagram,nest hello wiring diagram,nest labs,nest thermostat,nest thermostat wiring diagram,phone connector,pin,pioneer wiring diagram,plug wiring diagram,pump,radio,radio wiring diagram,relay,relay wiring diagram,resistor,rj45 wiring diagram,schematic,semi-trailer truck,sensor,seven pin trailer wiring diagram,speaker wiring diagram,starter wiring diagram,stereo wiring diagram,stereophonic sound,strat wiring diagram,switch,switch wiring diagram,telecaster wiring diagram,thermostat wiring,thermostat wiring diagram,trailer brake controller,trailer plug wiring diagram,trailer wiring diagram,user guide,wire,wire diagram,wiring diagram,wiring diagram 3 way switch,wiring harness

    close