Mitsubishi A700 Vfd Wiring Diagram

Mitsubishi A700 Vfd Wiring Diagram

  • Category : Wiring Diagram
  • Post Date : January 27, 2026
Mitsubishi A700 Vfd Wiring Diagram 9 out of 10 based on 40 ratings. 50 user reviews.

Mitsubishi A700 Vfd Wiring Diagram

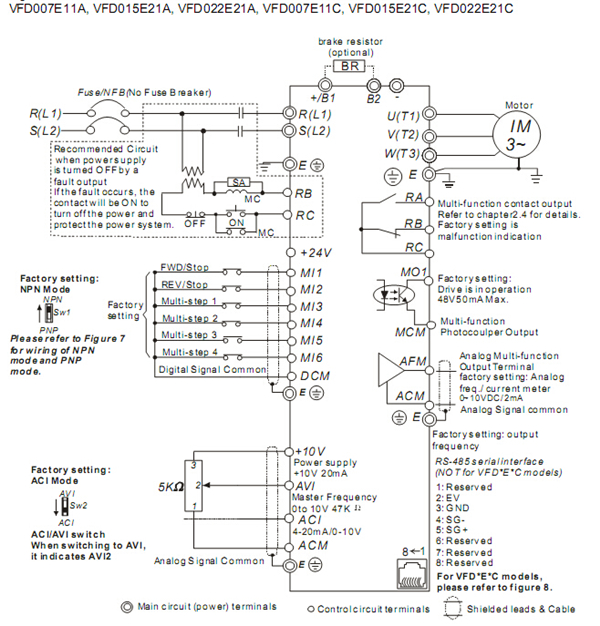
3hp 2 2kw Delta Vfd Inverter 220v 3ph Vfd022el21a Variable

Plc Programmable Logic Control

Fr-a700 Series - Mitsubishi Electric Factory Automation

Abb Vfd Wiring Diagram

1 Phase 400w 220v 0 5hp Delta Vfd Drive Inverter Vfd004m21a

Vfd Wiring Diagram

Vfd Wiring Diagram

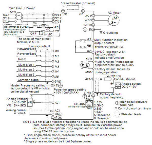
Delta Inverter Vfd Drive Vfd015s43d 3phase 380v 1 5kw 2hp

Delta Inverter Vfd Drive Vfd022e21a 1phase 220v 2 2kw 3hp

Delta Inverter Vfd Drive Vfd004el43a 3phase 380v 0 4kw 0

What Are The Fundamentals Of Matrix Variable Frequency

Delta Vfd004el43a E

Abb Vfd Wiring Diagram

Fr

Variable Frequency Drive Working Principle

Diy Knifemaker U0026 39 S Info Center Vfds Part 5

Variable Frequency Drive In Fans System

Wiki

41a7b Abb Vfd Wiring Diagram Free Picture Schematic

Wiring A Teco Fm50

Principles Of Operation

Vfd Multiple Motors

Powtech

Variable Frequency Drive Vfd Installation

Vfd Wiring Diagram

Vtdrive Technology Limited Variable Speed Drive For For

Vfd Switch Box

Vfd Forward And Reverse Wiring With Programming Logic

Beginner Vfd Wiring

File Vfd Wiring Diagram Jpg

Request For Pictures Of Vfd Installations On Lathes

Ups U0026 Inverter Wiring Diagram For One Room Office

How Do I Control The Vfd Spindle Speed

Industry Automation Blog How To Wire 3 Phase Motor To Vfd

Using Output Board For Spindle Control

Delta Inverter Vfd Drive Vfd007b21a 1phase 220v 0 75kw 1hp

Generator Wiring U2013 Circuit Wiring Diagrams

Vfd Wiring Diagram Simple Detecting Oscillations In

Cable Damencnc

Vfd On Off Output Terminals

Vfds

U6c7d U8f66 U4e2d U7684 U771f U7a7a U7ba1 U8367 U5149 U663e U793a U5668 Vfd U53c2 U8003 U8bbe U8ba1 - U53c2 U8003 U56fe

Axpert 5kva Mks Inverter Installation Planning

Top 2 2kw 3hp Vfd Single Phase Variable Speed Drive Vsd

Vfd001l21a Delta Vfd

How To Build A 2kva Inverter Circuit Diagram 2000 Watt

1 2 Hp 0 4 Kw Vfd Single Phase Input U0026 Output

U0e1e U0e37 U0e49 U0e19 U0e10 U0e32 U0e19 U0e01 U0e32 U0e23 U0e17 U0e33 U0e07 U0e32 U0e19 U0e02 U0e2d U0e07 Ac Drive U0e41 U0e25 U0e30 Vfd U0e41 U0e1b U0e25

Fm 50 Vfd W 3 Wire Contol Plus Reverse

Diagram Mitsubishi A700 Vfd Wiring Diagram

  • Download Mitsubishi A700 Vfd Wiring Diagram

    draw.io is free online diagram software for making flowcharts, process diagrams, org charts, UML, ER and network diagrams

    Open and edit diagrams online with Draw.io, a free diagram software supporting various formats and diagram types.

    Create a new diagram, or open an existing diagram in your new tab. To create a new diagram, enter a Diagram Name and click the location where you want to save the file.

    Create flowcharts and diagrams online with this easy to use software.

    Create and edit diagrams with draw.io, a free diagramming tool that integrates seamlessly with Office 365.

    app.diagrams.net

    Easily import diagrams from Lucidchart to diagrams.net or draw.io with this simple tool.

    Access and integrate Google Drive files with Draw.io using the Google Picker tool for seamless diagram creation.

    Clearing Cached version 29.3.4... OK Update Start App

    confEmbedUpload=For a better editing experience, please use the regular draw.io macro to insert a blank diagram, then from (File menu → Import From → Device...) select the file you want to upload and embed.

    3 way switch,3 way switch wiring,3 way switch wiring diagram pdf,3 way wiring diagram,3way switch wiring diagram,4 prong dryer outlet wiring diagram,4 prong trailer wiring diagram,6 way trailer wiring diagram,7 pin trailer wiring diagram with brakes,7 pin wiring diagram,alternator wiring diagram,amp wiring diagram,automotive lighting,cable harness,chevrolet,diagram,dodge,doorbell wiring diagram,ecobee wiring diagram,electric motor,electrical connector,electrical wiring,electrical wiring diagram,ford,fuse,honeywell thermostat wiring diagram,ignition system,kenwood car stereo wiring diagram,light switch wiring diagram,lighting,motor wiring diagram,nest doorbell wiring diagram,nest hello wiring diagram,nest labs,nest thermostat,nest thermostat wiring diagram,phone connector,pin,pioneer wiring diagram,plug wiring diagram,pump,radio,radio wiring diagram,relay,relay wiring diagram,resistor,rj45 wiring diagram,schematic,semi-trailer truck,sensor,seven pin trailer wiring diagram,speaker wiring diagram,starter wiring diagram,stereo wiring diagram,stereophonic sound,strat wiring diagram,switch,switch wiring diagram,telecaster wiring diagram,thermostat wiring,thermostat wiring diagram,trailer brake controller,trailer plug wiring diagram,trailer wiring diagram,user guide,wire,wire diagram,wiring diagram,wiring diagram 3 way switch,wiring harness

    close