Mitsubishi Mr Je 10a Wiring Diagram

Mitsubishi Mr Je 10a Wiring Diagram

  • Category : Wiring Diagram
  • Post Date : January 27, 2026
Mitsubishi Mr Je 10a Wiring Diagram 9 out of 10 based on 90 ratings. 50 user reviews.

Mitsubishi Mr Je 10a Wiring Diagram

Ubbf8 Ucbd4 Ube44 Uc2dc J4 Uc11c Ubcf4 Uc18c Uac1c Ubc0f Ub2e8 Uac00 20160806 Ub124 Uc774 Ubc84 Ube14 Ub85c Uadf8

Mr

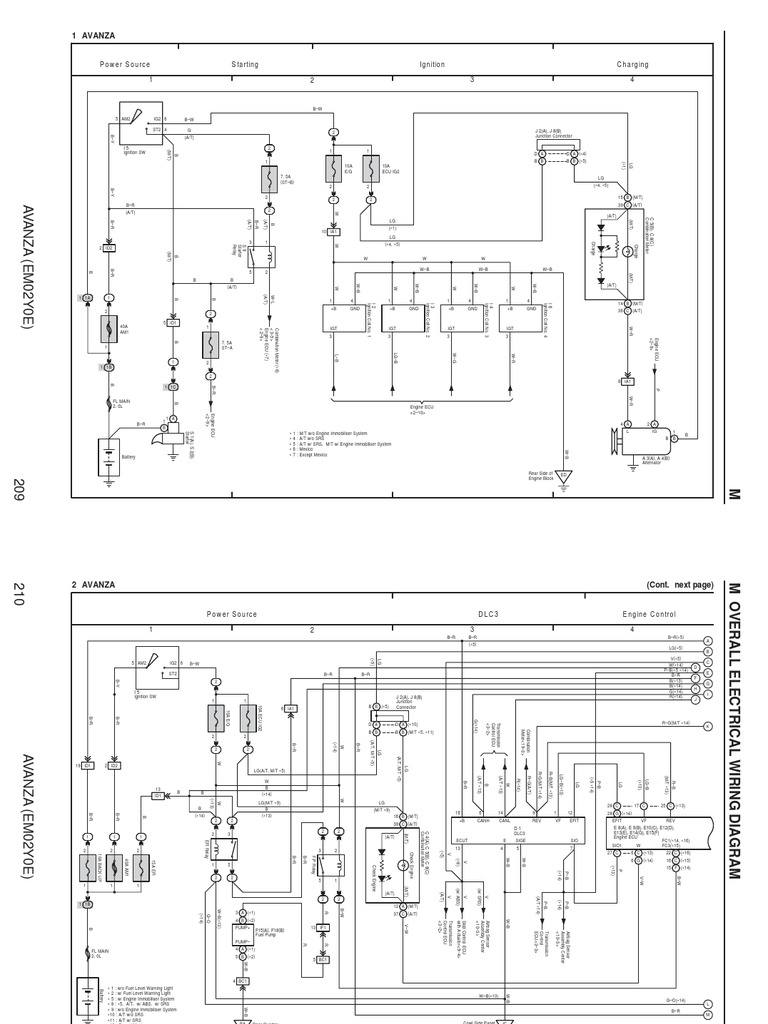
Avanza

Mr

Victron Energy Bluesolar Mppt 75 10

Zing Ear Ze

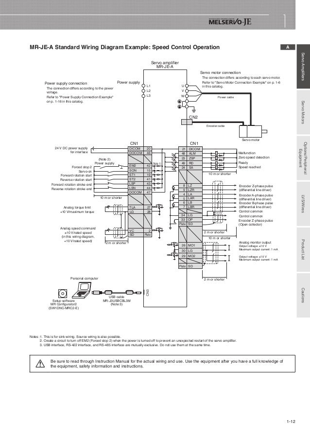
Melservo-je Servo Cables U0026 Connectors - Mitsubishi Electric Factory Automation

Spanningsregelaar Verslinder

Diy Fix On Your Own Perodua Kelisa Radio Installation

U00a8trident 80 Tsm Transformer The Jensen Je 123-s

12v 8 - Ch Rel U00e9 Modul W Opto U010dlen Pro Arduino Raspberry Pi - Modr U00e1 - Doprava Zdarma

How To Connect Pot With Lm317 Or Lm338 Circuit

Zing Ear Ze

Commutateur U00e9lectrique De Transfert Du Panneau 10a

Zing Ear Ze

Wiring Diagram

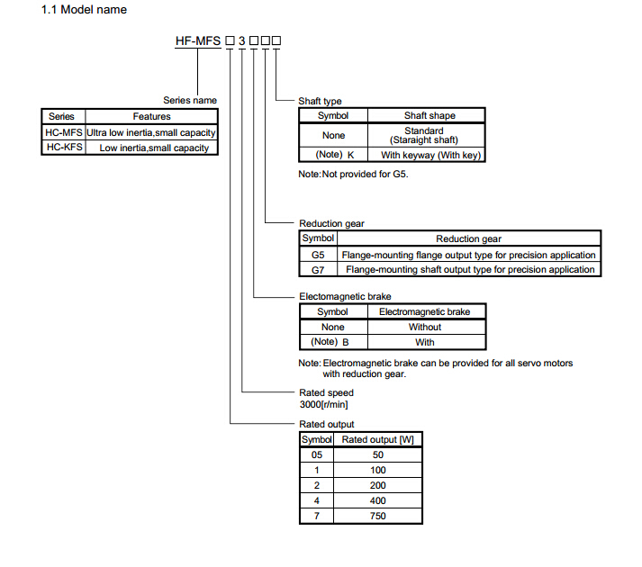
Mitsubishi Ac Servos Melservo Je

Diy Fix On Your Own Perodua Kelisa Radio Installation

Tacra U0026 39 S Diy Garage Spdt Relay

Kina 8 Pin Relay Base Diagram Proizvo U0111a U010da I Dobavlja U010da - Tvornica Veleprodaja

Where To Run Switched Ignition 12v Source For Boost Solenoid

Zing Ear Ze

Melservo-je Servo Cables U0026 Connectors - Mitsubishi Electric Factory Automation

Service Manual2005 Body Wiring System

Omron G2r Relay

Diy Fix On Your Own Perodua Kelisa Radio Installation

Delta Asd 60hz Brand

Zing Ear Ze

Audio Asylum Thread Printer

O U00f9 Trouver Connection Cable Special Td-9

Comment R U00e9parer Un Chargeur De Batterie 12v

Dpdt Relay

Ibiza Cordoba 1993 To 1999 Wiring Diagrams Pdf 1 3 Mb

Moteur Asynchrone Monophas U00e9 De D U00e9but De Condensateur De 4 Poteaux Avec Le Corps En Aluminium De

Sony Marine Cdx

Diy Fix On Your Own Perodua Kelisa Radio Installation

Diy Fix On Your Own Perodua Kelisa Radio Installation

Perkhidmatan Mekanikal Elektrik U0026 Renovasi Bangunan Lampu Auto On Switch Masa

A Bit About Everything Gaggia Classic Controlling Temperature Using Pid

Choix Et Installation D U0026 39 Une Broche Cnc 2 2kw Water-cooled

Diy Fix On Your Own Perodua Kelisa Radio Installation

Ma U00eft U00e9 Est Branch U00e9e Connecteur Cloison Parefeu Cj7 Diesel

Service Manual2005 Body Wiring System

Forum Automobile Propre U2022 C U00e2ble De Recharge Rapide Nissan Leaf

Diy Fix On Your Own Perodua Kelisa Radio Installation

Outer Rotor Met Lichtspoel En Nog Wat Vraagjes

Lucas 35927 57sa Ein Ein

Sevener Lotus Seven Caterham U0026 Co U2022 Stack Display

Led Flasher Automobil Oder Motorrad Schritt 5 Flasher Schaltung Schaltplan

Releco Mr

Electrical Wiring Diagram 2005 Nubira

Omron G2r Relay

Itawk Com

Schema Electrique Keeway F Act 50

Service Manual2005 Body Wiring System

Diagram Mitsubishi Mr Je 10a Wiring Diagram

  • Download Mitsubishi Mr Je 10a Wiring Diagram

    draw.io is free online diagram software for making flowcharts, process diagrams, org charts, UML, ER and network diagrams

    Open and edit diagrams online with Draw.io, a free diagram software supporting various formats and diagram types.

    Create a new diagram, or open an existing diagram in your new tab. To create a new diagram, enter a Diagram Name and click the location where you want to save the file.

    Create flowcharts and diagrams online with this easy to use software.

    Create and edit diagrams with draw.io, a free diagramming tool that integrates seamlessly with Office 365.

    app.diagrams.net

    Easily import diagrams from Lucidchart to diagrams.net or draw.io with this simple tool.

    Access and integrate Google Drive files with Draw.io using the Google Picker tool for seamless diagram creation.

    Clearing Cached version 29.3.4... OK Update Start App

    confEmbedUpload=For a better editing experience, please use the regular draw.io macro to insert a blank diagram, then from (File menu → Import From → Device...) select the file you want to upload and embed.

    3 way switch,3 way switch wiring,3 way switch wiring diagram pdf,3 way wiring diagram,3way switch wiring diagram,4 prong dryer outlet wiring diagram,4 prong trailer wiring diagram,6 way trailer wiring diagram,7 pin trailer wiring diagram with brakes,7 pin wiring diagram,alternator wiring diagram,amp wiring diagram,automotive lighting,cable harness,chevrolet,diagram,dodge,doorbell wiring diagram,ecobee wiring diagram,electric motor,electrical connector,electrical wiring,electrical wiring diagram,ford,fuse,honeywell thermostat wiring diagram,ignition system,kenwood car stereo wiring diagram,light switch wiring diagram,lighting,motor wiring diagram,nest doorbell wiring diagram,nest hello wiring diagram,nest labs,nest thermostat,nest thermostat wiring diagram,phone connector,pin,pioneer wiring diagram,plug wiring diagram,pump,radio,radio wiring diagram,relay,relay wiring diagram,resistor,rj45 wiring diagram,schematic,semi-trailer truck,sensor,seven pin trailer wiring diagram,speaker wiring diagram,starter wiring diagram,stereo wiring diagram,stereophonic sound,strat wiring diagram,switch,switch wiring diagram,telecaster wiring diagram,thermostat wiring,thermostat wiring diagram,trailer brake controller,trailer plug wiring diagram,trailer wiring diagram,user guide,wire,wire diagram,wiring diagram,wiring diagram 3 way switch,wiring harness

    close