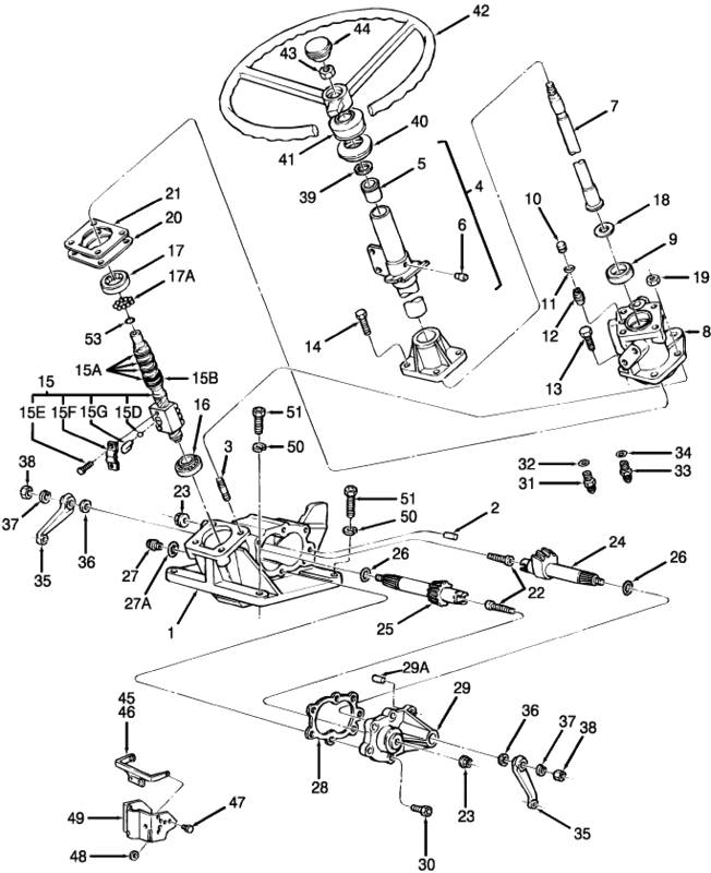
New Holland Ls45 Steering Diagram

New Holland Ls45 Steering Diagram

  • Category : Steering Diagram
  • Post Date : January 26, 2026
New Holland Ls45 Steering Diagram 9 out of 10 based on 80 ratings. 80 user reviews.

New Holland Ls45 Steering Diagram

New Holland Ls45 Wiring Diagram

New Holland Ls45 Wiring Diagram

Ford Ls45 Manual

Power Steering Ram

New Holland L185 Wiring Diagrams

Snapper Tractor 46 U0026quot Mower Deck Parts

345c - 3 Cyl Tractor Loader 12 88-8 92 06

Ford Ls45 Manual

New Holland L553 Skid Steer Parts Manual

Ford Ls45 Manual

New Holland Ls45 Wiring Diagram

Newholland Agriculture

New Holland Ls45 Wiring Diagram

Fl14e - Crawler Loader 08 Steering

Ford Ls45 Manual

100-90 Dt - Fiat Tractor 1 84-12 88 04

5610s - 4 Cyl Ag Tractor 12 93-12 04 06

100-90 Dt - Fiat Tractor 1 84-12 88 04

5610s - 4 Cyl Ag Tractor 12 93-12 04 06

Ford Ls45 Manual

Ford Ls45 Manual

New Holland Ls45 Ls55 Tilt Steering Column Assembly

New Holland 1530 1630 1725 1925 Tc25d Tc29d Tc33d Service

New Holland 535 Parts Manual Tractor Loader U00ab Youfixthis

Ford Ls45 Manual

New Holland Tn55 Tn65 Tn70 Tn75 Repair Manual U00ab Youfixthis

New Holland L865 Lx865 Lx885 Lx985 Skid

New Holland Parts Diagram

New Holland Ls180 B Ls185 B Ls190 B Workshop Manual Pdf

New Holland Ls180 U0026 Ls190 Skid Steer Loaders Pdf Manual

Ford New Holland Ls 45h Cv 18s Kohler Engine Mower Deck

Ford Ls45 Parts

Ford Ls45 Lawn Tractor Parts

1104-4904 New Holland Steering Wheel Replacement

New Gray Seat Ford New Holland Tc Compact Tractors Tc18

New Holland L865 Lx865 Lx885 Lx985 Skid

Steering Cylinder Bearing

New Holland Ford 5640 6640 7740 8240 8340 Tractors Pdf Manuals

Ford 335 Power Steering Shaft

Used Lawn Tractor Parts High Quality Guaranteed

Ford Ls45 Manual

New Holland Tn55d Tn55s Tn65d Tn65s Tn70d Tn70s Tn75d

Ford Ls45 Manual

New Holland W190b Wheel Loader Workshop Manual Pdf

Newholland Series Tm Tractors Workshop Manual

2000 New Holland Ls45 Lawn U0026 Garden And Commercial Mowing

New Holland Tc35d Tc40d Tc45d Service Workshop Repair Book

New Holland Tn55d Tn55s Tn65d Tn65s Tn70d Tn70s Tn75d

1210 N 11150001 U0026 After

New Holland Tl80a Tl90a Tl100a Service Manual Tractor

Pin New Holland Ts110 On Pinterest

New Holland Tn60da Tn60sa Tn70da Tn70sa Tn75da Tn75sa

New Holland W130 W130tc Wheel Loader Workshop Manual

5166131

New Holland L445 Skid Steer Service Manual

Diagram New Holland Ls45 Steering Diagram

  • Download New Holland Ls45 Steering Diagram

    draw.io is free online diagram software for making flowcharts, process diagrams, org charts, UML, ER and network diagrams

    Open and edit diagrams online with Draw.io, a free diagram software supporting various formats and diagram types.

    Create a new diagram, or open an existing diagram in your new tab. To create a new diagram, enter a Diagram Name and click the location where you want to save the file.

    Create flowcharts and diagrams online with this easy to use software.

    Create and edit diagrams with draw.io, a free diagramming tool that integrates seamlessly with Office 365.

    Easily import diagrams from Lucidchart to diagrams.net or draw.io with this simple tool.

    Access and integrate Google Drive files with Draw.io using the Google Picker tool for seamless diagram creation.

    Clearing Cached version 29.3.4... OK Update Start App

    confEmbedUpload=For a better editing experience, please use the regular draw.io macro to insert a blank diagram, then from (File menu → Import From → Device...) select the file you want to upload and embed.

    If you enter personal information into a diagram and perform an action that requires us to send that diagram to a server for processing, your personal data may be processed on that server, but never stored.

    3 way switch,3 way switch wiring,3 way switch wiring diagram pdf,3 way wiring diagram,3way switch wiring diagram,4 prong dryer outlet wiring diagram,4 prong trailer wiring diagram,6 way trailer wiring diagram,7 pin trailer wiring diagram with brakes,7 pin wiring diagram,alternator wiring diagram,amp wiring diagram,automotive lighting,cable harness,chevrolet,diagram,dodge,doorbell wiring diagram,ecobee wiring diagram,electric motor,electrical connector,electrical wiring,electrical wiring diagram,ford,fuse,honeywell thermostat wiring diagram,ignition system,kenwood car stereo wiring diagram,light switch wiring diagram,lighting,motor wiring diagram,nest doorbell wiring diagram,nest hello wiring diagram,nest labs,nest thermostat,nest thermostat wiring diagram,phone connector,pin,pioneer wiring diagram,plug wiring diagram,pump,radio,radio wiring diagram,relay,relay wiring diagram,resistor,rj45 wiring diagram,schematic,semi-trailer truck,sensor,seven pin trailer wiring diagram,speaker wiring diagram,starter wiring diagram,stereo wiring diagram,stereophonic sound,strat wiring diagram,switch,switch wiring diagram,telecaster wiring diagram,thermostat wiring,thermostat wiring diagram,trailer brake controller,trailer plug wiring diagram,trailer wiring diagram,user guide,wire,wire diagram,wiring diagram,wiring diagram 3 way switch,wiring harness

    close