Schematic Diagram Sharp Tv

Schematic Diagram Sharp Tv

  • Category : Sharp Tv
  • Post Date : January 26, 2026
Schematic Diagram Sharp Tv 9 out of 10 based on 80 ratings. 40 user reviews.

Schematic Diagram Sharp Tv

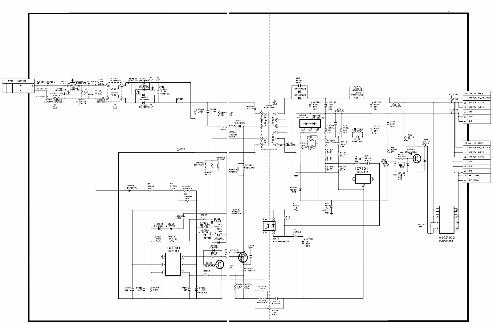
Sharp 21v-fl200 - Crt Tv - Service Mode

Sharp Lcd Tv No Power

Sharp 21v-fl200 - Crt Tv - Service Mode

Sharp C1451sc Tv D Service Manual Download Schematics

Sharp Led Television Parts

Bush Dled32165hddvd And Vestel 32 Inch Lcd Tvs Smps

Sharp Lc-30ad1e Serv Man11 Service Manual

Sharp Lc-37p50e Serv Man12 Service Manual

Sharp Lc-37ad1e Serv Man16 Service Manual

Sharp Lc

Sharp Lcd Television Parts

Sharp Model Lc

Sharp Lc32sh20u Power Schematic Sch Service Manual

Sharp 21v

Sharp Lc

Sharp Lc24le150m U2013 Led Backlight Tv U2013 Smps Schematic

Sharp 14r2 14r2b Service Manual Download Schematics

Sharp Aquos- Lc-26 32d44ee-bk Gy 32d44es Gy

Bush Dled32165hddvd And Vestel 32 Inch Lcd Tvs Smps

I Am Looking For A Manual For An Old Gf 8585 Cassette Deck

Sharp Tv C1440 20r11 Service Manual Download Schematics

Sharp Lc24le510 Led Tv Power Supply Smps U0026 Led Converter

Sharp Lc24le510 Led Tv Power Supply Smps U0026 Led Converter

Sharp Aquos Lc 40 46 52 Le700un Service Manual

Analogs Drive Sharp Aquos 45

Sharp Lc32bd6x Lcd Tv Sm Service Manual Download

Sharp Aquos Lc32 40 46 52le700un Service Manual Download

Sharp Lcd Television Parts

Secret Diagram Topic Circuit Diagram Lcd Tv

Sharp Lc

Sharp Aquos Lc-60ue30u

Blog Archives

How To Fix A Dead Tv With No Power Sharp Lc

Download Free Schematic Diagram Sharp 21df25 Tv

Sharp Lc

Sharp Lc

Sharp Lcd Television Parts

Sharp Ga1 Chassis Cx51n3 Tv Sm Service Manual Download

Electronics Etc Sharp Crt Tv No Sound

Sharp 13gm60 Tv Sm Service Manual Download Schematics

Sharp Lc

Sharp Lc-37b20e Serv Man5 Service Manual

Sharp Lc

Sharp Lc

Sharp Lc-40d68ut Service Manual U0026 Repair Guide

Sharp 37am23s Tv D Service Manual Download Schematics

Sharp Lc

Sharp Lcd Television Parts

I Have A Sharp Aquos Model Lc

Sharp Aquos Lc30hv4u Tv Display Died Due To F1 On Power

Sharp Color Tv Chasis

Sharp Lc

Dimensions

Sharp Sv

Sharp Lc

Sharp Led Television Parts

Tv Set Sharp 70cs03s 63cs03s

Sharp Lc

Bush Dled32165hddvd And Vestel 32 Inch Lcd Tvs Smps

Sharp Lc-13s1e Serv Man11 Service Manual

Diagram Schematic Diagram Sharp Tv

  • Download Schematic Diagram Sharp Tv

    draw.io is free online diagram software for making flowcharts, process diagrams, org charts, UML, ER and network diagrams

    Open and edit diagrams online with Draw.io, a free diagram software supporting various formats and diagram types.

    Create a new diagram, or open an existing diagram in your new tab. To create a new diagram, enter a Diagram Name and click the location where you want to save the file.

    Create flowcharts and diagrams online with this easy to use software.

    Easily import diagrams from Lucidchart to diagrams.net or draw.io with this simple tool.

    Create and edit diagrams with draw.io, a free diagramming tool that integrates seamlessly with Office 365.

    app.diagrams.net

    Access and integrate Google Drive files with Draw.io using the Google Picker tool for seamless diagram creation.

    Clearing Cached version 29.3.4... OK Update Start App

    7.2 The Software will initiate transfers of data forming part of the Diagrams (“Diagram Data”) to services supplied by third parties when you expressly request conversion of Diagrams: a. to another supported file format; and b. to PDF format.

    3 way switch,3 way switch wiring,3 way switch wiring diagram pdf,3 way wiring diagram,3way switch wiring diagram,4 prong dryer outlet wiring diagram,4 prong trailer wiring diagram,6 way trailer wiring diagram,7 pin trailer wiring diagram with brakes,7 pin wiring diagram,alternator wiring diagram,amp wiring diagram,automotive lighting,cable harness,chevrolet,diagram,dodge,doorbell wiring diagram,ecobee wiring diagram,electric motor,electrical connector,electrical wiring,electrical wiring diagram,ford,fuse,honeywell thermostat wiring diagram,ignition system,kenwood car stereo wiring diagram,light switch wiring diagram,lighting,motor wiring diagram,nest doorbell wiring diagram,nest hello wiring diagram,nest labs,nest thermostat,nest thermostat wiring diagram,phone connector,pin,pioneer wiring diagram,plug wiring diagram,pump,radio,radio wiring diagram,relay,relay wiring diagram,resistor,rj45 wiring diagram,schematic,semi-trailer truck,sensor,seven pin trailer wiring diagram,speaker wiring diagram,starter wiring diagram,stereo wiring diagram,stereophonic sound,strat wiring diagram,switch,switch wiring diagram,telecaster wiring diagram,thermostat wiring,thermostat wiring diagram,trailer brake controller,trailer plug wiring diagram,trailer wiring diagram,user guide,wire,wire diagram,wiring diagram,wiring diagram 3 way switch,wiring harness

    close