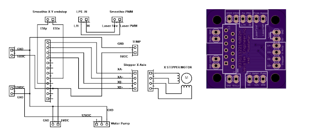
Sick Dt50 Laser Wiring Diagrams

Sick Dt50 Laser Wiring Diagrams

  • Category : Wiring Diagrams
  • Post Date : January 26, 2026
Sick Dt50 Laser Wiring Diagrams 9 out of 10 based on 20 ratings. 100 user reviews.

Sick Dt50 Laser Wiring Diagrams

X Carve Upgrade

Fsl Gen 5 Hobby Laser Schematic

Re Not

X Carve Compatible Laser Upgrade By J Tech Photonics Inc

Laser Cutter And Engraver 24 X 20 Inches

First 445nm Build

Wiring The Diffused Reflection Laser Sensor With

Re Opensource-laser Re Schematics Feedback

K40 Smoothie Wiring Diagram Lasercutting

Philips Cdm12 4 Laser Head Sch Service Manual Download

How To Read A Sensor Connection Diagram

Laser Gooseneck Boom And Parts Diagram

Arduino

Smoothk40 Guide

Compact Laser Displacement Sensor Hl O Circuit And

Laser Security Alarm Circuit Diagram

Go Look Importantbook Remote Electronic With Led Dot

Laser U2013 Circuit Wiring Diagrams

Adventures In Diy Engineering 40 Watt Chinese Co2 Laser

Amplifier O

Yamaha Dt50 Wiring Diagram

Faqs For Laser Cutting

21 Best K40 Laser Images On Pinterest

Don U0026 39 S Laser Cutter Things K40

Laserline 989 - U0421 U0438 U0433 U043d U0430 U043b U0438 U0437 U0430 U0446 U0438 U0438

Circuit Diagram Of Laser Diode Driver Circuit

Laser Pointer Audio Modulator

Don U0026 39 S Laser Cutter Things K40 Lps Configuration And Wiring

Don U0026 39 S Laser Cutter Things K40 Lps Configuration And Wiring

How To Connect Laser To Ramps1 4

Endurance Coherent Fap 800 15 25 30 Watt Infrared

Why Can U0026 39 T I See My Laser

K40 Laser Wiring Diagram

Sick Distance Sensors Dt100 Dt Dl1000 At Rs 24000

5w Laser U2013 Mini

Wire Connections Between Mother Board Laser Controller

Nolatech 520nm Green Laser Diode 10mw

Wiring The Blacktooth And Power Supply Details

Diy Cnc Router Kits 3018 Grbl Control 3 Axis Plastic

Typical Green Dpss Laser Pointer Using Mca

Ruida Automatic Fan Upgrade With Fan Stop Timer

Hq Professional 40w Power Supply For Co2 Laser Engraving

Don U0026 39 S Laser Cutter Things Click Here For The Index To K40

Don U0026 39 S Laser Cutter Things K40

How To Wire Stepper Motors To Motor Drivers For Laser

Amplifier O

Sick Dt50

Focusable 500mw 808nm Infrared Ir Laser Diode Dot Module

Original 90w 100w Reci Power Supply P12 For Long Life Co2

Mpc6565

Laser Cutting Circuit Diagrams In Plywood Using Inkscape

Laser Security System

Co2 Laser Controllers U0026 Electronics U2013 Timsmachines Com

Wiring The Laser Transmitter On Photocell With

Laser U2013 Circuit Wiring Diagrams

Ford Laser 2001 Workshop Manual

Don U0026 39 S Laser Cutter Things K40

Diagram Sick Dt50 Laser Wiring Diagrams

  • Download Sick Dt50 Laser Wiring Diagrams

    draw.io is free online diagram software for making flowcharts, process diagrams, org charts, UML, ER and network diagrams

    Open and edit diagrams online with Draw.io, a free diagram software supporting various formats and diagram types.

    Create a new diagram, or open an existing diagram in your new tab. To create a new diagram, enter a Diagram Name and click the location where you want to save the file.

    Create flowcharts and diagrams online with this easy to use software.

    Easily import diagrams from Lucidchart to diagrams.net or draw.io with this simple tool.

    Create and edit diagrams with draw.io, a free diagramming tool that integrates seamlessly with Office 365.

    Access and integrate Google Drive files with Draw.io using the Google Picker tool for seamless diagram creation.

    Clearing Cached version 29.3.4... OK Update Start App

    7.2 The Software will initiate transfers of data forming part of the Diagrams (“Diagram Data”) to services supplied by third parties when you expressly request conversion of Diagrams: a. to another supported file format; and b. to PDF format.

    "short_name": "draw.io", "description": "draw.io is a free diagram editor", "icons": [ { "src": ".. favicon.ico", "type": "image x icon", "sizes": "16x16 32x32" }, { "src": "icon 192.png", "type": "image png", "sizes": "192x192" }, { "src": "icon 512.png", "type": "image png", "sizes": "512x512" },

    3 way switch,3 way switch wiring,3 way switch wiring diagram pdf,3 way wiring diagram,3way switch wiring diagram,4 prong dryer outlet wiring diagram,4 prong trailer wiring diagram,6 way trailer wiring diagram,7 pin trailer wiring diagram with brakes,7 pin wiring diagram,alternator wiring diagram,amp wiring diagram,automotive lighting,cable harness,chevrolet,diagram,dodge,doorbell wiring diagram,ecobee wiring diagram,electric motor,electrical connector,electrical wiring,electrical wiring diagram,ford,fuse,honeywell thermostat wiring diagram,ignition system,kenwood car stereo wiring diagram,light switch wiring diagram,lighting,motor wiring diagram,nest doorbell wiring diagram,nest hello wiring diagram,nest labs,nest thermostat,nest thermostat wiring diagram,phone connector,pin,pioneer wiring diagram,plug wiring diagram,pump,radio,radio wiring diagram,relay,relay wiring diagram,resistor,rj45 wiring diagram,schematic,semi-trailer truck,sensor,seven pin trailer wiring diagram,speaker wiring diagram,starter wiring diagram,stereo wiring diagram,stereophonic sound,strat wiring diagram,switch,switch wiring diagram,telecaster wiring diagram,thermostat wiring,thermostat wiring diagram,trailer brake controller,trailer plug wiring diagram,trailer wiring diagram,user guide,wire,wire diagram,wiring diagram,wiring diagram 3 way switch,wiring harness

    close