Simple Wiring Diagram For Suzuki Gs1100

Simple Wiring Diagram For Suzuki Gs1100

  • Category : Suzuki Gs1100
  • Post Date : January 27, 2026
Simple Wiring Diagram For Suzuki Gs1100 9 out of 10 based on 40 ratings. 50 user reviews.

Simple Wiring Diagram For Suzuki Gs1100

Suzuki Gs1100 E 1980 1981 Usa Parts Lists

Simple Wiring Diagram For Suzuki Gs1100

Simple Wiring Diagram For Suzuki Gs1100

Simple Wiring Diagram For Suzuki Gs1100

Simple Wiring Diagram For Suzuki Gs1100

Simple Wiring Diagram For Suzuki Gs1100

Voltage Regulator Questions

Simple Wiring Diagram For Suzuki Gs1100

Simple Wiring Diagram For Suzuki Gs1100

Bikecliff U0026 39 S Website

Simple Wiring Diagram For Suzuki Gs1100

Suzuki Gs1100 E 1980-1981 Usa Wiring Harness

Suzuki Gs1100 1982 Gkz Wiring Harness

Bikecliff U0026 39 S Website

Simple Wiring Diagram For Suzuki Gs1100

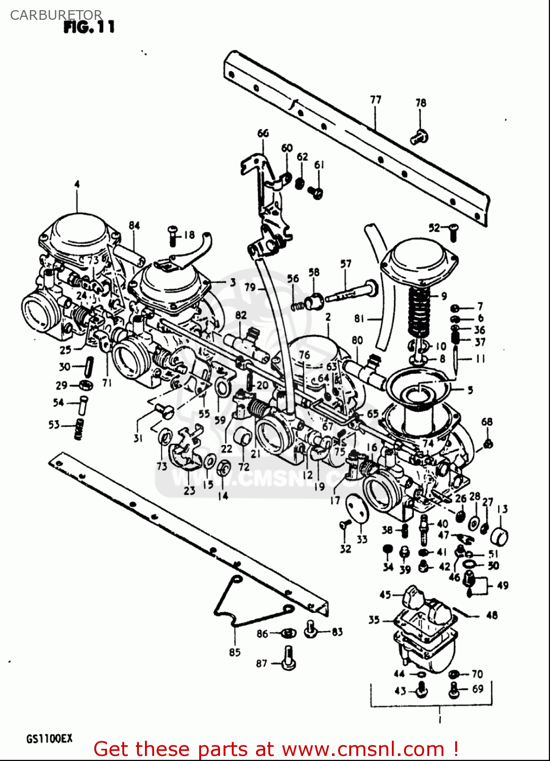
Suzuki Gs1100 G 1982-1983 Usa Carburetor

Bikecliff U0026 39 S Website

Diagrama Suzuki Gs1000

Suzuki Gs1100 Gk 1982 1983 Usa

Suzuki Gs1100gl 1982-1983 Z D Usa Propeller Shaft-final Drive Gear

Suzuki Gs1100 Gl 1982-1983 Usa Front Fork Model Z

Diagrama Suzuki Gs550

Suzuki Gs1100 Gk 1982 1983 Usa

Simple Wiring Diagram For Suzuki Gs1100

Suzuki Gs1100 Gl 1982-1983 Usa Front Master Cylinder

1989 Suzuki Gsxr1100 Canada Model Wiring Diagram 61591

Suzuki Gs550 Wiring Diagram

Coil Concern - Kzrider Forum

Bikecliff U0026 39 S Website

Anybody Know What This Wire Is For - Drz400 E S Sm

Suzuki Gs1100g 1983 D General Export E01 Wiring Harness

2005 Suzuki Gs500 Wiring Diagram

Bikecliff U0026 39 S Website

Solved Need Wiring Diagram For Suzuki Gs 750

Bikecliff U0026 39 S Website

Gsx-r1100 U3055 U3093 U306e U30e1 U30fc U30bf U30fc U3092 U30c7 U30b8 U30bf U30eb U5316 Uff1a U305d U306e U53c2

Bobines Gs550 - Techniek Vragen En Antwoorden

Suzuki Gs1100 E 1980-1981 Usa Carburetor

Ownership Thread Suzuki Gs150r

Electrical Parasite Drain Issue

Index Of Diagrams Suzuki Four Gs550

Suzuki Gs850 Gs1000 Gs1100 Shaft Drive 1979

Xbhp Universal Thread Circuit Diagrams

91 Suzuki Gsxr 1100 Wiring Diagram

Suzuki Gs1100es 1982 Z Usa E03 Turn Signal Lamp Gs1100esd

Bobines Gs550 - Techniek Vragen En Antwoorden

Suzuki Gs650gt 1981 X E01 E02 E04 E15 E16 E17 E18 E21 22 24 25 26 34 Wiring Harness

Suzuki Gs850g 1979 Usa Spec Colour Electrical Wiring Loom Diagram

Suzuki Gsx 1100 Gs 1150 1983 1987 Service Rep By Sabori Sabori

Index Of Diagrams Suzuki Four

Suzuki Gs1100 Gk 1982 1983 Usa

Gs500 Wiring Diagram

Diagram Simple Wiring Diagram For Suzuki Gs1100

  • Download Simple Wiring Diagram For Suzuki Gs1100

    draw.io is free online diagram software for making flowcharts, process diagrams, org charts, UML, ER and network diagrams

    Open and edit diagrams online with Draw.io, a free diagram software supporting various formats and diagram types.

    Create a new diagram, or open an existing diagram in your new tab. To create a new diagram, enter a Diagram Name and click the location where you want to save the file.

    Create flowcharts and diagrams online with this easy to use software.

    Create and edit diagrams with draw.io, a free diagramming tool that integrates seamlessly with Office 365.

    Easily import diagrams from Lucidchart to diagrams.net or draw.io with this simple tool.

    Access and integrate Google Drive files with Draw.io using the Google Picker tool for seamless diagram creation.

    Clearing Cached version 29.3.4... OK Update Start App

    confEmbedUpload=For a better editing experience, please use the regular draw.io macro to insert a blank diagram, then from (File menu → Import From → Device...) select the file you want to upload and embed.

    If you enter personal information into a diagram and perform an action that requires us to send that diagram to a server for processing, your personal data may be processed on that server, but never stored.

    3 way switch,3 way switch wiring,3 way switch wiring diagram pdf,3 way wiring diagram,3way switch wiring diagram,4 prong dryer outlet wiring diagram,4 prong trailer wiring diagram,6 way trailer wiring diagram,7 pin trailer wiring diagram with brakes,7 pin wiring diagram,alternator wiring diagram,amp wiring diagram,automotive lighting,cable harness,chevrolet,diagram,dodge,doorbell wiring diagram,ecobee wiring diagram,electric motor,electrical connector,electrical wiring,electrical wiring diagram,ford,fuse,honeywell thermostat wiring diagram,ignition system,kenwood car stereo wiring diagram,light switch wiring diagram,lighting,motor wiring diagram,nest doorbell wiring diagram,nest hello wiring diagram,nest labs,nest thermostat,nest thermostat wiring diagram,phone connector,pin,pioneer wiring diagram,plug wiring diagram,pump,radio,radio wiring diagram,relay,relay wiring diagram,resistor,rj45 wiring diagram,schematic,semi-trailer truck,sensor,seven pin trailer wiring diagram,speaker wiring diagram,starter wiring diagram,stereo wiring diagram,stereophonic sound,strat wiring diagram,switch,switch wiring diagram,telecaster wiring diagram,thermostat wiring,thermostat wiring diagram,trailer brake controller,trailer plug wiring diagram,trailer wiring diagram,user guide,wire,wire diagram,wiring diagram,wiring diagram 3 way switch,wiring harness

    close