Single Phase Contactor Wiring Diagram Need To Connect Hager

Single Phase Contactor Wiring Diagram Need To Connect Hager

  • Category : Connect Hager
  • Post Date : January 27, 2026
Single Phase Contactor Wiring Diagram Need To Connect Hager 9 out of 10 based on 40 ratings. 80 user reviews.

Single Phase Contactor Wiring Diagram Need To Connect Hager

I Need To Connect Hager Contactor It Is 230v Single Phase It Is To Switch Sockets Through A

Premium 230v Contactor Wiring Diagram I Need To Connect Hager Contactor It Is 230v Single Phase

Contactor Wiring Guide For 3 Phase Motor With Circuit Breaker Overload Relay Nc No Switches

Single Phase Motor Wiring With Contactor Diagram

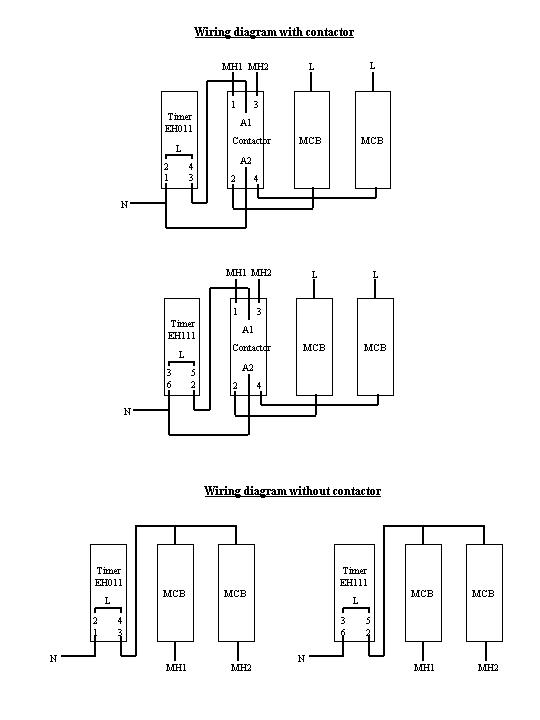
I Am Connecting A Hagar Eh011 Timer Switch Through A Hagar Esc125 Contractor To Time When I Heat

How To Wire A Contactor And Overload

Three Phase Motor Control Circuit Difference Between Relay And Contactor Contactors Vs Relays

Premium 230v Contactor Wiring Diagram I Need To Connect Hager Contactor It Is 230v Single Phase

Single Pole Ac Contactor Wiring Diagram

Premium 230v Contactor Wiring Diagram I Need To Connect Hager Contactor It Is 230v Single Phase

I Am Connecting A Hagar Eh011 Timer Switch Through A Hagar Esc125 Contractor To Time When I Heat

Contactor Help

A Simple Circuit Diagram Of Contactor With Three Phase Motor

Three Phase Contactor Wiring Diagram U2013 Volovets Info

Power Contactor Diagram

I Have A 240 Volt Single Phase Generator To Run A 3 Wire 4 With Ground Single Phase Pump Here

Baldor Motor Wiring Diagrams 3 Phase

Ao Smith 2 Speed Motor Wiring Diagram Collection

Direct Online Starter Animation Diagrams

Reversing Motor Starter Wiring Diagram

Motor Starter Diagram Start Stop 3 Wire Control Starting A Three Phase Motor

Single Phase Forward Reverse Motor Wiring Diagram

Three Phase Wiring

3 Phase Dol Starter Wiring Diagram Urdu Hindi

Forward Reverse 3 Phase Ac Motor Control Wiring Diagram

Electric Box Pics Of Setup And Wiring - Page 2 - Diy Forum

How To Wire 3 Phase Motor With Circuit Breaker Contactor And Overload Relay

The Beginner U0026 39 S Guide To Wiring A Star

Wiring A 3 Phase Motor Starter

How To Wire A Contactor U2026

Electrical World How To Wire Contactor And Overload Relay

Wire Lighting Contactor Schematic

4 Pole 3 Phase Automatic Changeover Change Over Switch For Generator

240v Contactor Wiring Diagram U2013 Dogboi Info

Timer Photocell Wiring Diagram

Star Delta Starter

Star-delta Starter Plc Program And Wiring

I Am Wiring A Three Phase Compressor And Am Having Trouble With Wiring The Pressure Switch I

Dol Starter Wiring Diagram Tamil Best Wiring Diagram Star

2 Pole Contactor Wiring Diagram

How To Wire A Contactor 13 Steps With Pictures

Magnetic Starter Wiring Diagram

3 Phase 208v Motor Wiring Diagram

Star Delta Starters Explained

Rcd Wiring Installation In Single Phase Distribution Board

Westinghouse Single Phase Motor Wiring Diagram Mars Motors

2 Pole Contactor Wiring Diagram

Star-delta Starter Plc Program And Wiring

Need Help With Furnas Mag Starter

How To Wire A Contactor 13 Steps With Pictures

Wiring Diagram For 220 Volt Single Phase Motor

Diagram Single Phase Contactor Wiring Diagram Need To Connect Hager

  • Download Single Phase Contactor Wiring Diagram Need To Connect Hager

    draw.io is free online diagram software for making flowcharts, process diagrams, org charts, UML, ER and network diagrams

    Open and edit diagrams online with Draw.io, a free diagram software supporting various formats and diagram types.

    Create a new diagram, or open an existing diagram in your new tab. To create a new diagram, enter a Diagram Name and click the location where you want to save the file.

    Create flowcharts and diagrams online with this easy to use software.

    Create and edit diagrams with draw.io, a free diagramming tool that integrates seamlessly with Office 365.

    app.diagrams.net

    Easily import diagrams from Lucidchart to diagrams.net or draw.io with this simple tool.

    Access and integrate Google Drive files with Draw.io using the Google Picker tool for seamless diagram creation.

    Clearing Cached version 29.3.4... OK Update Start App

    confEmbedUpload=For a better editing experience, please use the regular draw.io macro to insert a blank diagram, then from (File menu → Import From → Device...) select the file you want to upload and embed.

    3 way switch,3 way switch wiring,3 way switch wiring diagram pdf,3 way wiring diagram,3way switch wiring diagram,4 prong dryer outlet wiring diagram,4 prong trailer wiring diagram,6 way trailer wiring diagram,7 pin trailer wiring diagram with brakes,7 pin wiring diagram,alternator wiring diagram,amp wiring diagram,automotive lighting,cable harness,chevrolet,diagram,dodge,doorbell wiring diagram,ecobee wiring diagram,electric motor,electrical connector,electrical wiring,electrical wiring diagram,ford,fuse,honeywell thermostat wiring diagram,ignition system,kenwood car stereo wiring diagram,light switch wiring diagram,lighting,motor wiring diagram,nest doorbell wiring diagram,nest hello wiring diagram,nest labs,nest thermostat,nest thermostat wiring diagram,phone connector,pin,pioneer wiring diagram,plug wiring diagram,pump,radio,radio wiring diagram,relay,relay wiring diagram,resistor,rj45 wiring diagram,schematic,semi-trailer truck,sensor,seven pin trailer wiring diagram,speaker wiring diagram,starter wiring diagram,stereo wiring diagram,stereophonic sound,strat wiring diagram,switch,switch wiring diagram,telecaster wiring diagram,thermostat wiring,thermostat wiring diagram,trailer brake controller,trailer plug wiring diagram,trailer wiring diagram,user guide,wire,wire diagram,wiring diagram,wiring diagram 3 way switch,wiring harness

    close