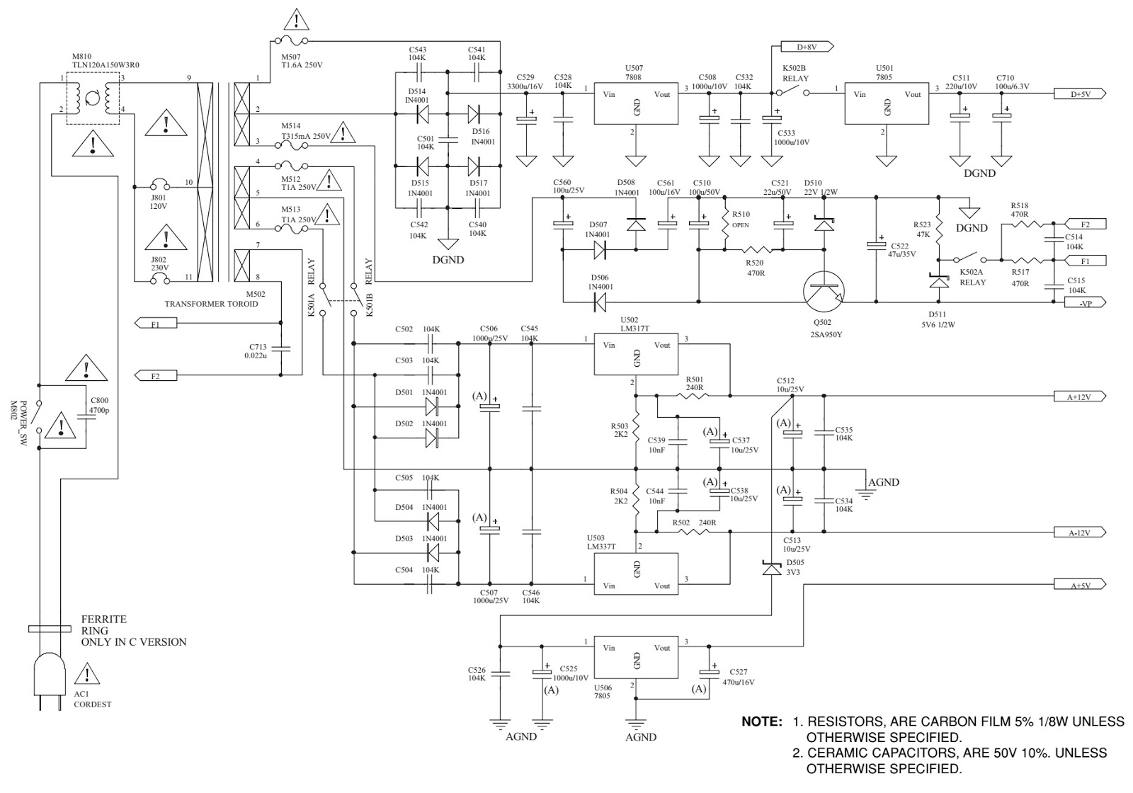
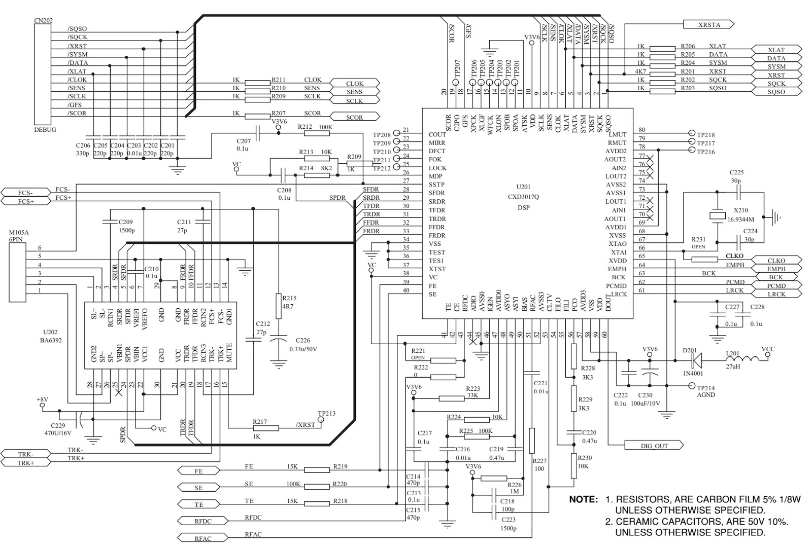
Sony Compact Cd Player Wiring Diagram

Sony Compact Cd Player Wiring Diagram

  • Category : Wiring Diagram
  • Post Date : January 26, 2026
Sony Compact Cd Player Wiring Diagram 9 out of 10 based on 50 ratings. 100 user reviews.

Sony Compact Cd Player Wiring Diagram

Sony Cd Player Wiring Diagram

Nad C 541i Compact Disc Player U2013 Circuit Diagram

Valuable Sony Fm Am Compact Disc Player Wiring Diagram

Nad C 541i Compact Disc Player U2013 Circuit Diagram

Sony Cdx Gt270mp Wiring Harness Diagram

Marantz Cd

Sony Cdp

Marantz Cd

Sony Cd Player Cdx

Yamaha Cdx 730e Service Manual Analog Alley Manuals

Nad C 541i Compact Disc Player U2013 Circuit Diagram

Amazon Com Pyle Plcd23a Am Fm

Pioneer Cdx Uc Multi

Marantz Cd

Amazon Com Stereo Radio Headunit Receiver Mp3 Usb Sd

Need Clarion Compact 6 Cd Changer F57f-18c830-dc Wire

Marantz Cd

Marantz Cd

Pioneer Pd

Amazon Com Pyle Plcd28m Am Fm Receiver Auto Loading Cd

Sony Cdx

Cd Player Q

Pioneer Cdj

Pioneer Pd

Sanyo Cp

Carver Tl

Carver Sd A

Sanyo Icr

Sanyo Cdp

Sony Cdx

04671841aa

Using Cd

Car Portable Cd Player Adapter Circuit

Sanyo Cdp

Wiring Diagram Fm Stereo Cassette With Cd Changer

Sony Cdp

Sony Cdp

Pioneer Cdx

Sony Cdx

18v 10v 5v Cd Player Voltage Regulator Circuit

Sony Cdp

Sony Cd Player Cdx

Yamaha Cdx

Sony Cdx-gt255 Service Manual

Sony Cdp

Marantz Cd

Sony Cdp

Sony Cdx

Sony Dvp Fx700 Portable Cddvd Player Service By

Nad C 541i Compact Disc Player U2013 Circuit Diagram

Amazon Com Pyle Marine Stereo Radio Headunit Receiver

Mcs 683 Digital

Cd Radio Cassette Player

Diagram Sony Compact Cd Player Wiring Diagram

  • Download Sony Compact Cd Player Wiring Diagram

    draw.io is free online diagram software for making flowcharts, process diagrams, org charts, UML, ER and network diagrams

    Open and edit diagrams online with Draw.io, a free diagram software supporting various formats and diagram types.

    Create a new diagram, or open an existing diagram in your new tab. To create a new diagram, enter a Diagram Name and click the location where you want to save the file.

    Create flowcharts and diagrams online with this easy to use software.

    Easily import diagrams from Lucidchart to diagrams.net or draw.io with this simple tool.

    Create and edit diagrams with draw.io, a free diagramming tool that integrates seamlessly with Office 365.

    Access and integrate Google Drive files with Draw.io using the Google Picker tool for seamless diagram creation.

    Clearing Cached version 29.3.4... OK Update Start App

    7.2 The Software will initiate transfers of data forming part of the Diagrams (“Diagram Data”) to services supplied by third parties when you expressly request conversion of Diagrams: a. to another supported file format; and b. to PDF format.

    "short_name": "draw.io", "description": "draw.io is a free diagram editor", "icons": [ { "src": ".. favicon.ico", "type": "image x icon", "sizes": "16x16 32x32" }, { "src": "icon 192.png", "type": "image png", "sizes": "192x192" }, { "src": "icon 512.png", "type": "image png", "sizes": "512x512" },

    3 way switch,3 way switch wiring,3 way switch wiring diagram pdf,3 way wiring diagram,3way switch wiring diagram,4 prong dryer outlet wiring diagram,4 prong trailer wiring diagram,6 way trailer wiring diagram,7 pin trailer wiring diagram with brakes,7 pin wiring diagram,alternator wiring diagram,amp wiring diagram,automotive lighting,cable harness,chevrolet,diagram,dodge,doorbell wiring diagram,ecobee wiring diagram,electric motor,electrical connector,electrical wiring,electrical wiring diagram,ford,fuse,honeywell thermostat wiring diagram,ignition system,kenwood car stereo wiring diagram,light switch wiring diagram,lighting,motor wiring diagram,nest doorbell wiring diagram,nest hello wiring diagram,nest labs,nest thermostat,nest thermostat wiring diagram,phone connector,pin,pioneer wiring diagram,plug wiring diagram,pump,radio,radio wiring diagram,relay,relay wiring diagram,resistor,rj45 wiring diagram,schematic,semi-trailer truck,sensor,seven pin trailer wiring diagram,speaker wiring diagram,starter wiring diagram,stereo wiring diagram,stereophonic sound,strat wiring diagram,switch,switch wiring diagram,telecaster wiring diagram,thermostat wiring,thermostat wiring diagram,trailer brake controller,trailer plug wiring diagram,trailer wiring diagram,user guide,wire,wire diagram,wiring diagram,wiring diagram 3 way switch,wiring harness

    close