Sprecher Schuh Ca3 9 10 Wiring Diagram

Sprecher Schuh Ca3 9 10 Wiring Diagram

  • Category : Wiring Diagram
  • Post Date : January 27, 2026
Sprecher Schuh Ca3 9 10 Wiring Diagram 9 out of 10 based on 80 ratings. 100 user reviews.

Sprecher Schuh Ca3 9 10 Wiring Diagram

Sprecher Schuh Ca3 9 10 Wiring Diagram

Sprecher Schuh Ca3 9 10 Wiring Diagram Collection

Sprecher Schuh Ca3 9 10 Wiring Diagram Collection

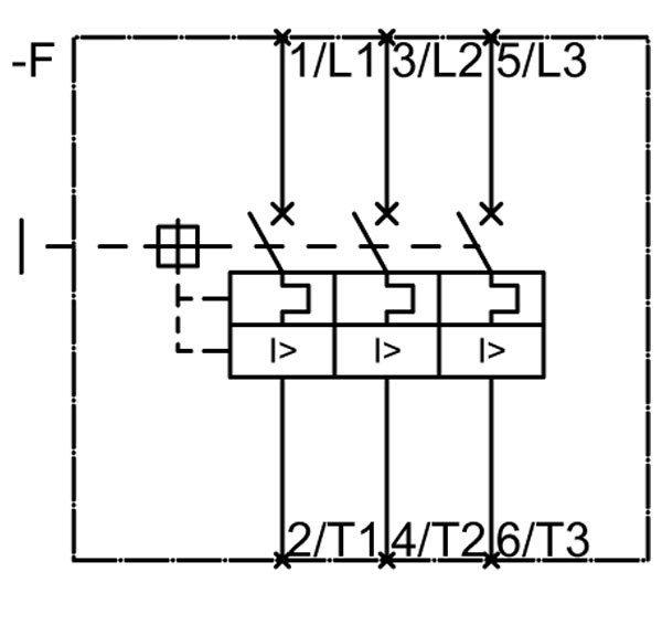
Sprecher Schuh Ca3

Ca3

Sprecher Schuh Ca7

Siemens 3rt1024

Ge Cl04a310m Contactor Rated At 54 Amps With A Ac Coil

Sprecher Schuh Ca7

Sprecher Schuh Ca7

Sprecher Schuh Ca7

Pioneer Breaker U0026 Control Supply

Allen Bradley 100 General Electric Cl And Cutler Hammer

Cs7 1 Nc

Eaton A27cnc25a1 3 Pole 25 Amp Definite Purpose Starter

Siemens 3ru1116

Ca3

Eaton Cutler Hammer Series Xt Iec Xtce012b10a 3 Pole

Siemens Sirius 3rt2026

Ge Cl02 10e 3 Pole 32 Amp Contactor With An Ac Coil

Eaton Xtob001bc1 1 Amp Thermal Overload Relay

Sprecher Schuh Ca 3 L

Allen Bradley 100 General Electric Cl And Cutler Hammer

Elec Machine

Ab Feb3t Off Delay Timing Relay With 1 Spdt C O Contact

Siemens 3rv2021

Hyundai R210lc

Electrical

M1ma070 Nordyne Gas Furnace Parts U2013 Hvacpartstore

Square D 8910dpa43 3

Eaton Cutler Hammer C25dnf340a 3 Pole Contactor

Square D 8910dpa53 3

220 440v Nameplate On 2

Fedders Furnace F80a User Guide

Benshaw Bipc Output Card Set For Lv

Square D 8910dpa52 2

Volvo4

Siemens 3rt1054

Schneider Electric Square D Telemecanique Gv2me22

Caterpillar D4 Track

Eaton Cutler Hammer C25dnf240 2 Pole Contactor Rated At

Lc1d32 Telemecanique Square D Tesys Contactor By

Rtran Ngp U0026 39 16 Is350 F Sport Build - Clublexus

Schneider Electric Lc1d09bd 24 Volt Dc Contactor

Benshaw Bipc

Dilm9 Klockner Moeller Contactor With An Ac Coil

Siemens 6ep1333

Caterpillar Tl642 U0026 Tl943 Service Manual Pdf

Lovato Bf09t4a 23060 25 Amp

Siemens 3rv2021

Eaton Cutler Hammer C25dnd325a 3 Pole Contactor Rated At

Siemens 3rt201 Series Replaces The Existing 3rt101 Contactors

Eaton Cutler Hammer Cn15bn3

Siemens 3rv2011

Schneider Electric 8910dpa22v02

Diagram Sprecher Schuh Ca3 9 10 Wiring Diagram

  • Download Sprecher Schuh Ca3 9 10 Wiring Diagram

    draw.io is free online diagram software for making flowcharts, process diagrams, org charts, UML, ER and network diagrams

    Open and edit diagrams online with Draw.io, a free diagram software supporting various formats and diagram types.

    Create a new diagram, or open an existing diagram in your new tab. To create a new diagram, enter a Diagram Name and click the location where you want to save the file.

    Create flowcharts and diagrams online with this easy to use software.

    Create and edit diagrams with draw.io, a free diagramming tool that integrates seamlessly with Office 365.

    Easily import diagrams from Lucidchart to diagrams.net or draw.io with this simple tool.

    Access and integrate Google Drive files with Draw.io using the Google Picker tool for seamless diagram creation.

    Clearing Cached version 29.3.4... OK Update Start App

    confEmbedUpload=For a better editing experience, please use the regular draw.io macro to insert a blank diagram, then from (File menu → Import From → Device...) select the file you want to upload and embed.

    If you enter personal information into a diagram and perform an action that requires us to send that diagram to a server for processing, your personal data may be processed on that server, but never stored.

    3 way switch,3 way switch wiring,3 way switch wiring diagram pdf,3 way wiring diagram,3way switch wiring diagram,4 prong dryer outlet wiring diagram,4 prong trailer wiring diagram,6 way trailer wiring diagram,7 pin trailer wiring diagram with brakes,7 pin wiring diagram,alternator wiring diagram,amp wiring diagram,automotive lighting,cable harness,chevrolet,diagram,dodge,doorbell wiring diagram,ecobee wiring diagram,electric motor,electrical connector,electrical wiring,electrical wiring diagram,ford,fuse,honeywell thermostat wiring diagram,ignition system,kenwood car stereo wiring diagram,light switch wiring diagram,lighting,motor wiring diagram,nest doorbell wiring diagram,nest hello wiring diagram,nest labs,nest thermostat,nest thermostat wiring diagram,phone connector,pin,pioneer wiring diagram,plug wiring diagram,pump,radio,radio wiring diagram,relay,relay wiring diagram,resistor,rj45 wiring diagram,schematic,semi-trailer truck,sensor,seven pin trailer wiring diagram,speaker wiring diagram,starter wiring diagram,stereo wiring diagram,stereophonic sound,strat wiring diagram,switch,switch wiring diagram,telecaster wiring diagram,thermostat wiring,thermostat wiring diagram,trailer brake controller,trailer plug wiring diagram,trailer wiring diagram,user guide,wire,wire diagram,wiring diagram,wiring diagram 3 way switch,wiring harness

    close