Subaru Legacy And Forester Haynes Wiring Diagram

Subaru Legacy And Forester Haynes Wiring Diagram

  • Category : Wiring Diagram
  • Post Date : January 27, 2026
Subaru Legacy And Forester Haynes Wiring Diagram 9 out of 10 based on 30 ratings. 100 user reviews.

Subaru Legacy And Forester Haynes Wiring Diagram

2003 Subaru Forester Wiring Schematic

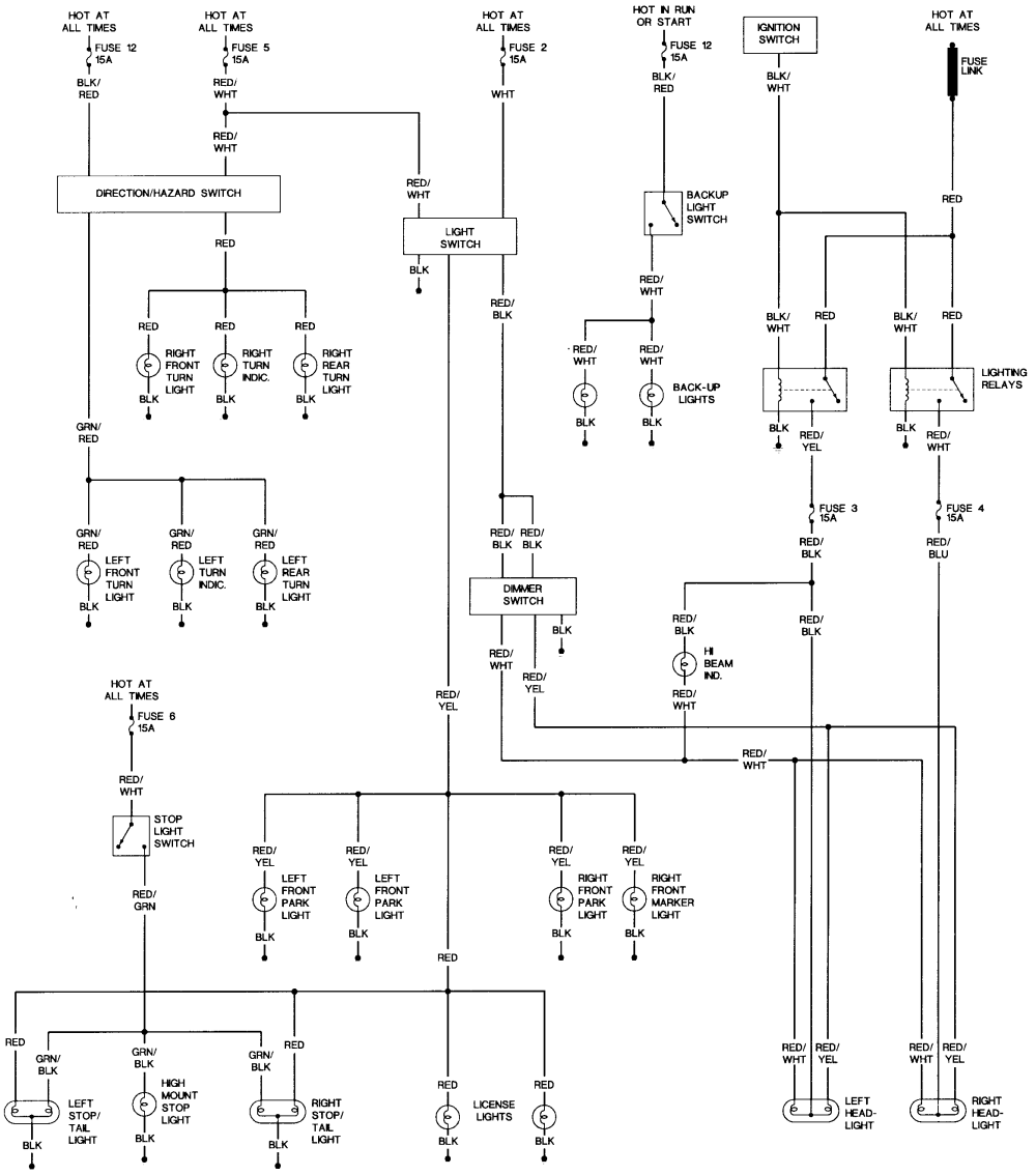
2002 Subaru Forester Wiring Diagram

Auto Repair Manuals Subaru Forester 2015 Service Manual

Auto Repair Manuals Subaru Forester 2015 Service Manual

2000 Forester Fuse Box U2013 Teachingwitharchives Com

2007 F150 Engine Diagram Front2005 Subaru Turbo Oil Lines

Subaru Legacy And Forester

2005 2009 Subaru Legacy Oem Service Repair And 50 Similar

Subaru Forester U0026 Legacy Haynes Repair Manual 2009

Subaru Forester Radio Wiring Diagram Download

2000 Forester Fuse Box U2013 Teachingwitharchives Com

2009 Subaru Forester Engine Diagram

Electrical Blueprints

2002 Ford Explorer Window Motor Diagram

1999 Subaru Forester Stereo Wiring Diagram

Gallery Of 2001 Subaru Outback Wiring Diagram Download

I Have A 1999 Subaru Forester The Right Side Turn Signal

U0026 39 06- U0026 39 08 08fsxt The Supersonic Grocery Getter

U0026 39 01- U0026 39 02 Drl Wiring A Jdm Sf5

2005 Subaru Legacy Drl Circuit Problem

Xcceleration

1999 Subaru Forester Stereo Wiring Diagram

2003 Subaru Forester Wiring Diagram

Haynes 89101 Repair Manual Subaru Legacy And Forester

I Have A Manual 2001 Subaru Legacy With A 2 5l Engine

Ej20 Engine Diagram

2000 Forester Fuse Box U2013 Teachingwitharchives Com

1999 Subaru Forester Stereo Wiring Diagram

1998 Legacy Outback W 146k Speedometer Hasn U0026 39 T Worked For

Subaru Forester 2015 Service Manual Wiring Diagram

Subaru Legacy 90

Subaru Forester 2015 Service Manual Wiring Diagram

74282 Subaru Radio Wiring Harness

Subaru Radio Wiring Diagram Photo Album Wire Diagram Images

Subaru Legacy 90

Subaru Legacy Window Switch Wiring Diagrams

Subaru Parts Schematic

9 Best Images Of 2001 Subaru Outback Engine Diagram

Subaru Legacy Bn

Engine Door Subaru Forester 2000

Fuel Delivery Issues Svx

2000 Forester Fuse Box U2013 Teachingwitharchives Com

Where Can I Purchase A Copy Of Subaru Engine And Body

Subaru Legacy Bn

Repair Guides

74282 Subaru Radio Wiring Harness

No Comment Added

Repair

Subaru Legacy Service Manual

Diagram Subaru Legacy And Forester Haynes Wiring Diagram

  • Download Subaru Legacy And Forester Haynes Wiring Diagram

    draw.io is free online diagram software for making flowcharts, process diagrams, org charts, UML, ER and network diagrams

    Open and edit diagrams online with Draw.io, a free diagram software supporting various formats and diagram types.

    Create a new diagram, or open an existing diagram in your new tab. To create a new diagram, enter a Diagram Name and click the location where you want to save the file.

    Create flowcharts and diagrams online with this easy to use software.

    Create and edit diagrams with draw.io, a free diagramming tool that integrates seamlessly with Office 365.

    app.diagrams.net

    Easily import diagrams from Lucidchart to diagrams.net or draw.io with this simple tool.

    Access and integrate Google Drive files with Draw.io using the Google Picker tool for seamless diagram creation.

    Clearing Cached version 29.3.4... OK Update Start App

    confEmbedUpload=For a better editing experience, please use the regular draw.io macro to insert a blank diagram, then from (File menu → Import From → Device...) select the file you want to upload and embed.

    3 way switch,3 way switch wiring,3 way switch wiring diagram pdf,3 way wiring diagram,3way switch wiring diagram,4 prong dryer outlet wiring diagram,4 prong trailer wiring diagram,6 way trailer wiring diagram,7 pin trailer wiring diagram with brakes,7 pin wiring diagram,alternator wiring diagram,amp wiring diagram,automotive lighting,cable harness,chevrolet,diagram,dodge,doorbell wiring diagram,ecobee wiring diagram,electric motor,electrical connector,electrical wiring,electrical wiring diagram,ford,fuse,honeywell thermostat wiring diagram,ignition system,kenwood car stereo wiring diagram,light switch wiring diagram,lighting,motor wiring diagram,nest doorbell wiring diagram,nest hello wiring diagram,nest labs,nest thermostat,nest thermostat wiring diagram,phone connector,pin,pioneer wiring diagram,plug wiring diagram,pump,radio,radio wiring diagram,relay,relay wiring diagram,resistor,rj45 wiring diagram,schematic,semi-trailer truck,sensor,seven pin trailer wiring diagram,speaker wiring diagram,starter wiring diagram,stereo wiring diagram,stereophonic sound,strat wiring diagram,switch,switch wiring diagram,telecaster wiring diagram,thermostat wiring,thermostat wiring diagram,trailer brake controller,trailer plug wiring diagram,trailer wiring diagram,user guide,wire,wire diagram,wiring diagram,wiring diagram 3 way switch,wiring harness

    close