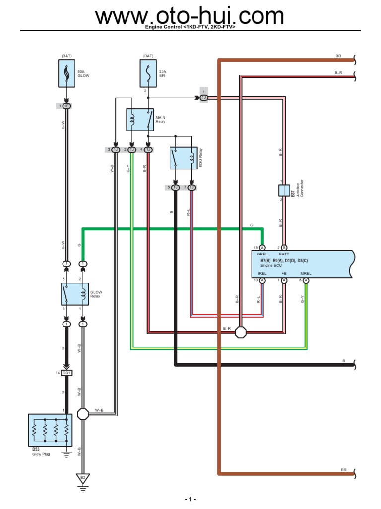
Toyota 2kd Ecu Wiring Diagram

Toyota 2kd Ecu Wiring Diagram

  • Category : Wiring Diagram
  • Post Date : January 27, 2026
Toyota 2kd Ecu Wiring Diagram 9 out of 10 based on 90 ratings. 30 user reviews.

Toyota 2kd Ecu Wiring Diagram

Wastegate Solenoid Control Valve Not Working

1hd Fte

Engine

Wiring Diagram Ecu 2kd

2az

Toyota

Manual

Toyota Hilux Revo Wiring

Milenium Motor Limboto Cara Mudah Membuat Alarm Tambahan

Toyota Prius Gisc 08 2016 Workshop Manual

Wiring Diagram Kelistrikan Mobil Kijang Download

U0421 U0445 U0435 U043c U0430 U043f U0440 U0435 U0434 U043e U0445 U0440 U0430 U043d U0438 U0442 U0435 U043b U0435 U0439 U0438 U0440 U0435 U043b U0435 Toyota Hilux 2015

Diagram Toyota 2kd Ecu Wiring Diagram

  • Download Toyota 2kd Ecu Wiring Diagram

    draw.io is free online diagram software for making flowcharts, process diagrams, org charts, UML, ER and network diagrams

    Open and edit diagrams online with Draw.io, a free diagram software supporting various formats and diagram types.

    Create a new diagram, or open an existing diagram in your new tab. To create a new diagram, enter a Diagram Name and click the location where you want to save the file.

    Create flowcharts and diagrams online with this easy to use software.

    Create and edit diagrams with draw.io, a free diagramming tool that integrates seamlessly with Office 365.

    app.diagrams.net

    Easily import diagrams from Lucidchart to diagrams.net or draw.io with this simple tool.

    Access and integrate Google Drive files with Draw.io using the Google Picker tool for seamless diagram creation.

    Clearing Cached version 29.3.4... OK Update Start App

    confEmbedUpload=For a better editing experience, please use the regular draw.io macro to insert a blank diagram, then from (File menu → Import From → Device...) select the file you want to upload and embed.

    3 way switch,3 way switch wiring,3 way switch wiring diagram pdf,3 way wiring diagram,3way switch wiring diagram,4 prong dryer outlet wiring diagram,4 prong trailer wiring diagram,6 way trailer wiring diagram,7 pin trailer wiring diagram with brakes,7 pin wiring diagram,alternator wiring diagram,amp wiring diagram,automotive lighting,cable harness,chevrolet,diagram,dodge,doorbell wiring diagram,ecobee wiring diagram,electric motor,electrical connector,electrical wiring,electrical wiring diagram,ford,fuse,honeywell thermostat wiring diagram,ignition system,kenwood car stereo wiring diagram,light switch wiring diagram,lighting,motor wiring diagram,nest doorbell wiring diagram,nest hello wiring diagram,nest labs,nest thermostat,nest thermostat wiring diagram,phone connector,pin,pioneer wiring diagram,plug wiring diagram,pump,radio,radio wiring diagram,relay,relay wiring diagram,resistor,rj45 wiring diagram,schematic,semi-trailer truck,sensor,seven pin trailer wiring diagram,speaker wiring diagram,starter wiring diagram,stereo wiring diagram,stereophonic sound,strat wiring diagram,switch,switch wiring diagram,telecaster wiring diagram,thermostat wiring,thermostat wiring diagram,trailer brake controller,trailer plug wiring diagram,trailer wiring diagram,user guide,wire,wire diagram,wiring diagram,wiring diagram 3 way switch,wiring harness

    close