Toyota Corolla Ae92 Wiring Diagram

Toyota Corolla Ae92 Wiring Diagram

  • Category : Wiring Diagram
  • Post Date : January 27, 2026
Toyota Corolla Ae92 Wiring Diagram 9 out of 10 based on 70 ratings. 60 user reviews.

Toyota Corolla Ae92 Wiring Diagram

Toyota Ooh Toyota- Latest Corolla Info N Pic

Toyota Corolla Repair Manual For Ee90 Ae92 From 1987

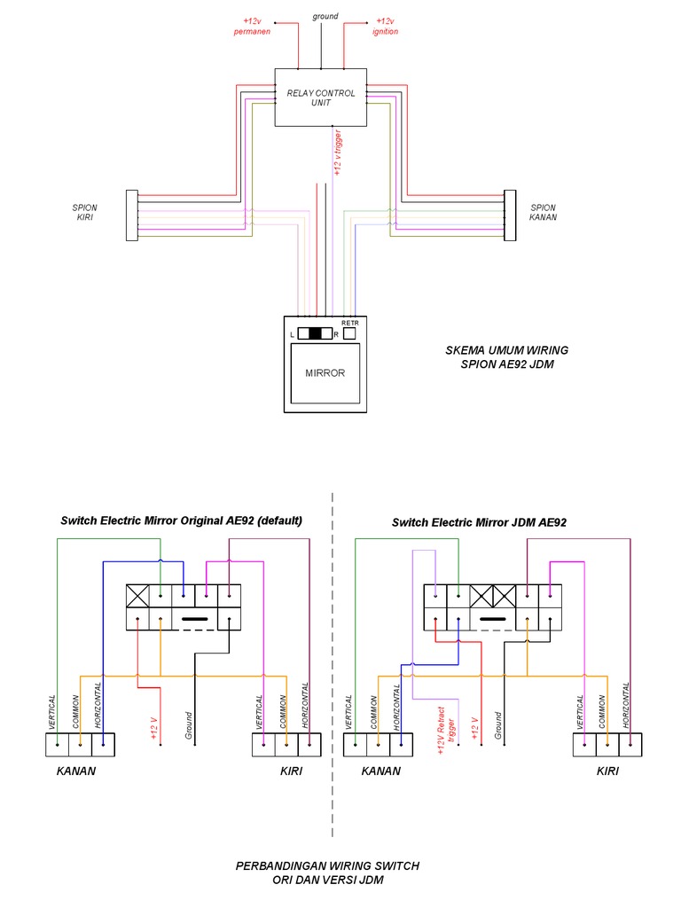
Corolla Twincam 4age Jdm Ae92 Wiring

Toyota Corolla Repair Manual For Ee90 Ae92 From 1987

8282112260

Jdm Toyota Corolla E90 Tuning Levin Ae92 Ae100 Ae86 4age 5

Migs U0026 39 Dreams Of Drifting

Toyota Corolla Ee90 Manual

Toyota Corolla Ee90 Manual

Mz Skorpion 660 Wire Diagram

1992 Geo Prizm

The Mr2oc Online Parts Catalog

Diagram Manual Y Diagrama Corolla90 Full Version Hd

Toyotacorolla 2001 Chocado De Venta En New Jersey

Diagram Toyota Corolla Ae92 Wiring Diagram

  • Download Toyota Corolla Ae92 Wiring Diagram

    draw.io is free online diagram software for making flowcharts, process diagrams, org charts, UML, ER and network diagrams

    Open and edit diagrams online with Draw.io, a free diagram software supporting various formats and diagram types.

    Create a new diagram, or open an existing diagram in your new tab. To create a new diagram, enter a Diagram Name and click the location where you want to save the file.

    Create flowcharts and diagrams online with this easy to use software.

    Create and edit diagrams with draw.io, a free diagramming tool that integrates seamlessly with Office 365.

    app.diagrams.net

    Easily import diagrams from Lucidchart to diagrams.net or draw.io with this simple tool.

    Access and integrate Google Drive files with Draw.io using the Google Picker tool for seamless diagram creation.

    Clearing Cached version 29.3.4... OK Update Start App

    confEmbedUpload=For a better editing experience, please use the regular draw.io macro to insert a blank diagram, then from (File menu → Import From → Device...) select the file you want to upload and embed.

    3 way switch,3 way switch wiring,3 way switch wiring diagram pdf,3 way wiring diagram,3way switch wiring diagram,4 prong dryer outlet wiring diagram,4 prong trailer wiring diagram,6 way trailer wiring diagram,7 pin trailer wiring diagram with brakes,7 pin wiring diagram,alternator wiring diagram,amp wiring diagram,automotive lighting,cable harness,chevrolet,diagram,dodge,doorbell wiring diagram,ecobee wiring diagram,electric motor,electrical connector,electrical wiring,electrical wiring diagram,ford,fuse,honeywell thermostat wiring diagram,ignition system,kenwood car stereo wiring diagram,light switch wiring diagram,lighting,motor wiring diagram,nest doorbell wiring diagram,nest hello wiring diagram,nest labs,nest thermostat,nest thermostat wiring diagram,phone connector,pin,pioneer wiring diagram,plug wiring diagram,pump,radio,radio wiring diagram,relay,relay wiring diagram,resistor,rj45 wiring diagram,schematic,semi-trailer truck,sensor,seven pin trailer wiring diagram,speaker wiring diagram,starter wiring diagram,stereo wiring diagram,stereophonic sound,strat wiring diagram,switch,switch wiring diagram,telecaster wiring diagram,thermostat wiring,thermostat wiring diagram,trailer brake controller,trailer plug wiring diagram,trailer wiring diagram,user guide,wire,wire diagram,wiring diagram,wiring diagram 3 way switch,wiring harness

    close