Volvo Penta Coil Wiring Diagram

Volvo Penta Coil Wiring Diagram

  • Category : Wiring Diagram
  • Post Date : January 27, 2026
Volvo Penta Coil Wiring Diagram 9 out of 10 based on 30 ratings. 30 user reviews.

Volvo Penta Coil Wiring Diagram

Mercruiser 4 3 Wiring Diagram

1986 Ford F 150 Fuel System Diagram Ford Wiring Diagram

No Spark Page 2

How To Install A Starter In Bayliner 1983 Motor350

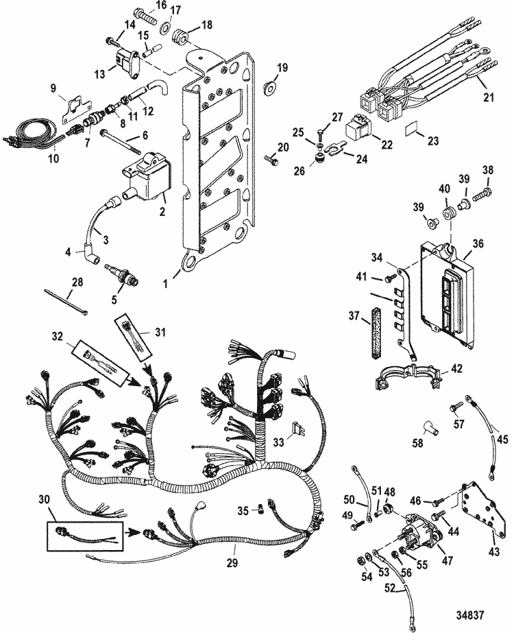
Volvo Penta Exploded View Schematic Engine Harness 5

I Have A 1997 Volvo Penta 5 7 Gl Over The Weekend The

I Have A1967 Bug It Was Turned Into A Kit Car But The

Mercruiser 3 0l Mpi Ec Distributor U0026 Ignition Components Parts

Outlet Schematic

Three Phase Dol Starter Wiring Diagram With Mccb Contactor

1994 Kawasaki Bayou 300 Ignition Problem

Mercury Marine 225 Hp Dfi Electrical Components Parts

Distributor Points Diagram

Mercruiser 496 Mag H O Model Pcm U0026 Bracket Parts

Diagram Volvo Penta Coil Wiring Diagram

  • Download Volvo Penta Coil Wiring Diagram

    draw.io is free online diagram software for making flowcharts, process diagrams, org charts, UML, ER and network diagrams

    Open and edit diagrams online with Draw.io, a free diagram software supporting various formats and diagram types.

    Create a new diagram, or open an existing diagram in your new tab. To create a new diagram, enter a Diagram Name and click the location where you want to save the file.

    Create flowcharts and diagrams online with this easy to use software.

    Create and edit diagrams with draw.io, a free diagramming tool that integrates seamlessly with Office 365.

    Easily import diagrams from Lucidchart to diagrams.net or draw.io with this simple tool.

    Access and integrate Google Drive files with Draw.io using the Google Picker tool for seamless diagram creation.

    Clearing Cached version 29.3.4... OK Update Start App

    confEmbedUpload=For a better editing experience, please use the regular draw.io macro to insert a blank diagram, then from (File menu → Import From → Device...) select the file you want to upload and embed.

    If you enter personal information into a diagram and perform an action that requires us to send that diagram to a server for processing, your personal data may be processed on that server, but never stored.

    3 way switch,3 way switch wiring,3 way switch wiring diagram pdf,3 way wiring diagram,3way switch wiring diagram,4 prong dryer outlet wiring diagram,4 prong trailer wiring diagram,6 way trailer wiring diagram,7 pin trailer wiring diagram with brakes,7 pin wiring diagram,alternator wiring diagram,amp wiring diagram,automotive lighting,cable harness,chevrolet,diagram,dodge,doorbell wiring diagram,ecobee wiring diagram,electric motor,electrical connector,electrical wiring,electrical wiring diagram,ford,fuse,honeywell thermostat wiring diagram,ignition system,kenwood car stereo wiring diagram,light switch wiring diagram,lighting,motor wiring diagram,nest doorbell wiring diagram,nest hello wiring diagram,nest labs,nest thermostat,nest thermostat wiring diagram,phone connector,pin,pioneer wiring diagram,plug wiring diagram,pump,radio,radio wiring diagram,relay,relay wiring diagram,resistor,rj45 wiring diagram,schematic,semi-trailer truck,sensor,seven pin trailer wiring diagram,speaker wiring diagram,starter wiring diagram,stereo wiring diagram,stereophonic sound,strat wiring diagram,switch,switch wiring diagram,telecaster wiring diagram,thermostat wiring,thermostat wiring diagram,trailer brake controller,trailer plug wiring diagram,trailer wiring diagram,user guide,wire,wire diagram,wiring diagram,wiring diagram 3 way switch,wiring harness

    close