Vw Golf Mk4 Engine Diagram

Vw Golf Mk4 Engine Diagram

  • Category : Engine Diagram
  • Post Date : January 26, 2026
Vw Golf Mk4 Engine Diagram 9 out of 10 based on 40 ratings. 40 user reviews.

Vw Golf Mk4 Engine Diagram

Where Is The Temp Gauge Sensor Located On A Vw Golf Mk4 Xreg 6 16v Auto

Vw Golf Mk4 Engine Diagram

Vw Golf Mk4 Engine Diagram

Vw Golf Mk4 Engine Diagram

Vw Golf Mk4 Engine Diagram

Where Is The Temp Gauge Sensor Located On A Vw Golf Mk4 Xreg 6 16v Auto

Vw Golf Mk4 Engine Diagram

Vw Golf Mk4 Engine Diagram

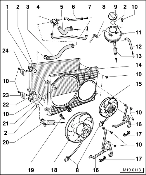
Volkswagen Workshop Manuals U0026gt Golf Mk4 U0026gt Power Unit U0026gt 4

Vw Golf Mk4 Engine Diagram

Volkswagen Workshop Manuals U0026gt Golf Mk4 U0026gt Engine U0026gt 4

Vw Golf Mk4 Parts Diagram

Vw Golf Mk4 Parts Diagram

Volkswagen Workshop Manuals U0026gt Golf Mk4 U0026gt Power Unit U0026gt 4

Volkswagen Workshop Manuals U0026gt Golf Mk4 U0026gt Power Unit U0026gt 4

Volkswagen Workshop Manuals U0026gt Golf Mk4 U0026gt Engine U0026gt 4cyl Injection Engine 2 0 Ltr Engine

I Have A Golf Mk4 2 0 Gti W

Volkswagen Workshop Manuals U0026gt Golf Mk4 U0026gt Power Unit U0026gt 4

Volkswagen Workshop Manuals U0026gt Golf Mk4 U0026gt Power Unit U0026gt 4cyl Injection Engine 2 0 Ltr Engine

Volkswagen Workshop Manuals U0026gt Golf Mk4 U0026gt Power Unit U0026gt 4

Volkswagen Workshop Manuals U0026gt Golf Mk4 U0026gt Power Unit U0026gt 4

Mk4 Golf Exhaust Diagram Picture - Engine Tuning And Performance

Volkswagen Workshop Manuals U0026gt Golf Mk4 U0026gt Power Unit U0026gt 4

Volkswagen Workshop Manuals U0026gt Golf Mk4 U0026gt Power Unit U0026gt 4

Mk4 Golf Diagram On Full 4motion Oem Exhaust And Full Milltek R32 Exhaust

Mk4 Golf Bottom Boost Pipe Keeps Blowing Off - Engine Tuning And Performance

Golf Mk4 4motion - Vw

Volkswagen Workshop Manuals U0026gt Golf Mk4 U0026gt Power Unit U0026gt 4

Misfiring Vw Golf Mk4 Help

Diy Golf Mk4 1 4 - Replacing The Thermostat And Plastic Housing

Volkswagen Workshop Manuals U0026gt Golf Mk4 U0026gt Engine U0026gt 4

Volkswagen Workshop Manuals U0026gt Golf Mk4 U0026gt Power Unit U0026gt 6

Vw Golf Mk4 Ecu Wiring Diagram

What Venture Capitalists Are Investing In Right Now

Vw Awp 1 8t Engine Long Block Mk4 Golf Gti Jetta Gli Mk1 Mk2 Mk3 Rabbit Swap

Vw Golf Mk4 Parts Diagram

2002 Jetta Tdi

Volkswagen Workshop Manuals U0026gt Golf Mk4 U0026gt Power Unit U0026gt 4

Golf Mk4 - Vw

Volkswagen Workshop Manuals U0026gt Golf Mk4 U0026gt Engine U0026gt 4cyl Injection Engine 2 0 Ltr Engine

Mk4 Golf Rpm Signal - Audio Electrics And Lighting

Volkswagen Workshop Manuals U0026gt Golf Mk4 U0026gt Power Unit U0026gt 4

Volkswagen Workshop Manuals U0026gt Golf Mk4 U0026gt Engine U0026gt 5

Where Is The Temp Gauge Sensor Located On A Vw Golf Mk4 Xreg 6 16v Auto

Volkswagen Workshop Manuals U0026gt Golf Mk4 U0026gt Power Unit U0026gt 5

Diagram Vw Golf Mk4 Engine Diagram

  • Download Vw Golf Mk4 Engine Diagram

    draw.io is free online diagram software for making flowcharts, process diagrams, org charts, UML, ER and network diagrams

    Open and edit diagrams online with Draw.io, a free diagram software supporting various formats and diagram types.

    Create a new diagram, or open an existing diagram in your new tab. To create a new diagram, enter a Diagram Name and click the location where you want to save the file.

    Create flowcharts and diagrams online with this easy to use software.

    Easily import diagrams from Lucidchart to diagrams.net or draw.io with this simple tool.

    Create and edit diagrams with draw.io, a free diagramming tool that integrates seamlessly with Office 365.

    app.diagrams.net

    Access and integrate Google Drive files with Draw.io using the Google Picker tool for seamless diagram creation.

    Clearing Cached version 29.3.4... OK Update Start App

    7.2 The Software will initiate transfers of data forming part of the Diagrams (“Diagram Data”) to services supplied by third parties when you expressly request conversion of Diagrams: a. to another supported file format; and b. to PDF format.

    3 way switch,3 way switch wiring,3 way switch wiring diagram pdf,3 way wiring diagram,3way switch wiring diagram,4 prong dryer outlet wiring diagram,4 prong trailer wiring diagram,6 way trailer wiring diagram,7 pin trailer wiring diagram with brakes,7 pin wiring diagram,alternator wiring diagram,amp wiring diagram,automotive lighting,cable harness,chevrolet,diagram,dodge,doorbell wiring diagram,ecobee wiring diagram,electric motor,electrical connector,electrical wiring,electrical wiring diagram,ford,fuse,honeywell thermostat wiring diagram,ignition system,kenwood car stereo wiring diagram,light switch wiring diagram,lighting,motor wiring diagram,nest doorbell wiring diagram,nest hello wiring diagram,nest labs,nest thermostat,nest thermostat wiring diagram,phone connector,pin,pioneer wiring diagram,plug wiring diagram,pump,radio,radio wiring diagram,relay,relay wiring diagram,resistor,rj45 wiring diagram,schematic,semi-trailer truck,sensor,seven pin trailer wiring diagram,speaker wiring diagram,starter wiring diagram,stereo wiring diagram,stereophonic sound,strat wiring diagram,switch,switch wiring diagram,telecaster wiring diagram,thermostat wiring,thermostat wiring diagram,trailer brake controller,trailer plug wiring diagram,trailer wiring diagram,user guide,wire,wire diagram,wiring diagram,wiring diagram 3 way switch,wiring harness

    close