Wiring Diagram For 1989 Evinrude 100 Hp

Wiring Diagram For 1989 Evinrude 100 Hp

  • Category : 100 Hp
  • Post Date : January 27, 2026
Wiring Diagram For 1989 Evinrude 100 Hp 9 out of 10 based on 10 ratings. 40 user reviews.

Wiring Diagram For 1989 Evinrude 100 Hp

Evinrude 1989 100 - E100stlcem Gearcase

Johnson Gearcase Parts For 1989 3hp J3brcec Outboard Motor

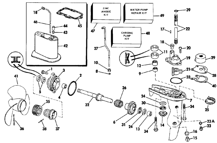
Evinrude Midsection Parts For 1989 70hp E70tlcem Outboard

Evinrude Midsection Parts For 1989 225hp E225plced

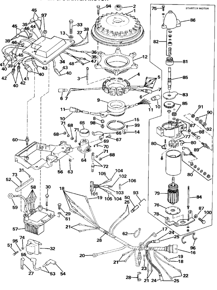
Johnson Ignition System U0026 Starter Motor Parts For 1989

Johnson Midsection Parts For 1989 6hp J6rlcec Outboard Motor

Johnson Intake Manifold Parts For 1989 60hp J60ttlcea

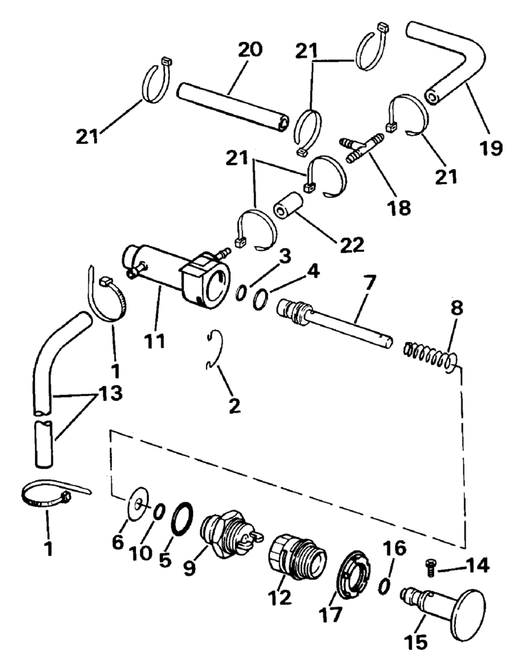
Evinrude Vro2 Pump 110 Models Parts For 1989 110hp

Johnson Ignition System

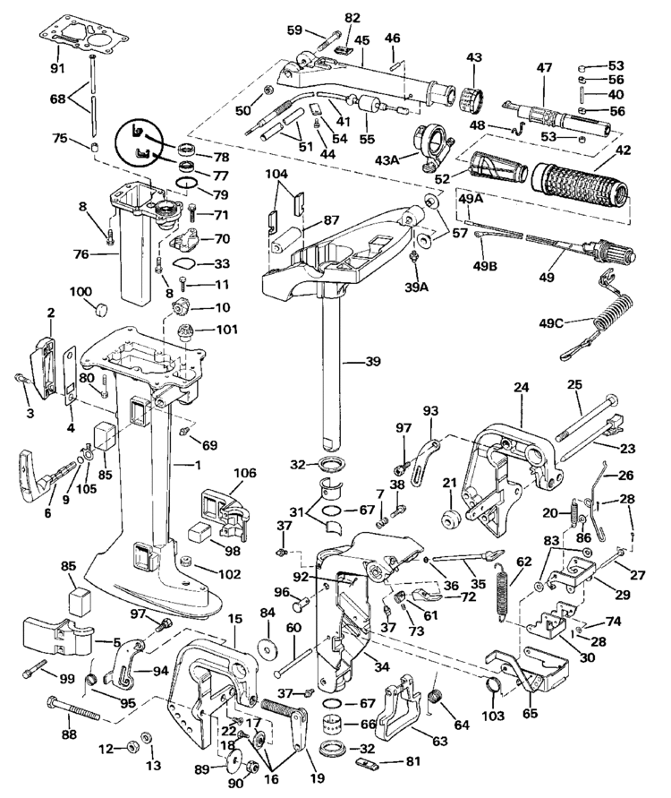
Johnson Ignition System Parts For 1971 100hp 100esl71c

Evinrude Ignition System Parts For 1988 100hp W100wtxm

Johnson Motor Cover Parts For 1971 100hp 100esl71c

Johnson Distributor Group Parts For 1968 100hp V4tl

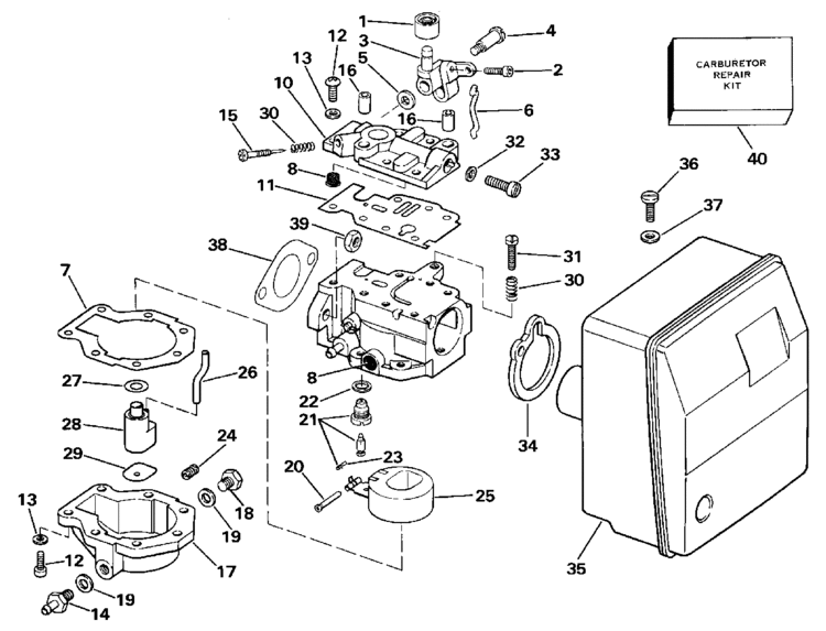
Johnson Carburetor Parts For 1989 3hp J3brcec Outboard Motor

Evinrude Intake Manifold Parts For 1989 90hp E90tlcem

Evinrude Carburetor Parts For 1990 100hp E100stlesb

New Aftermarket Johnson Evinrude 40 48 50 Hp 2

Evinrude Fuel Pump Parts For 1989 25hp E25telcem Outboard

Evinrude Fuel Pump

Evinrude Carburetor Parts For 1989 15hp E15ecec Outboard Motor

I Have A 1989 Evinrude 40 Hp Motor Model E40elcec The

Johnson Power Trim Tilt Electrical Parts For 1989 70hp

Evinrude Carburetor Parts For 1989 60hp E60tlcea Outboard

Evinrude Vro2 Pump Parts For 1989 70hp E70tlcem Outboard Motor

Evinrude Vro Oil Tank Kit

Johnson Fuel Pump Parts For 1989 6hp J6rcec Outboard Motor

Johnson Ignition Parts For 1989 15hp J15rlcec Outboard Motor

Johnson Gearcase Parts For 1989 40hp J40tlcec Outboard Motor

Fuel Pump Parts For 1989 48hp J48eslcer Outboard Motor

1968 Johnson 100hp - Tips Page 1

Evinrude Johnson Outboard Wiring Diagrams

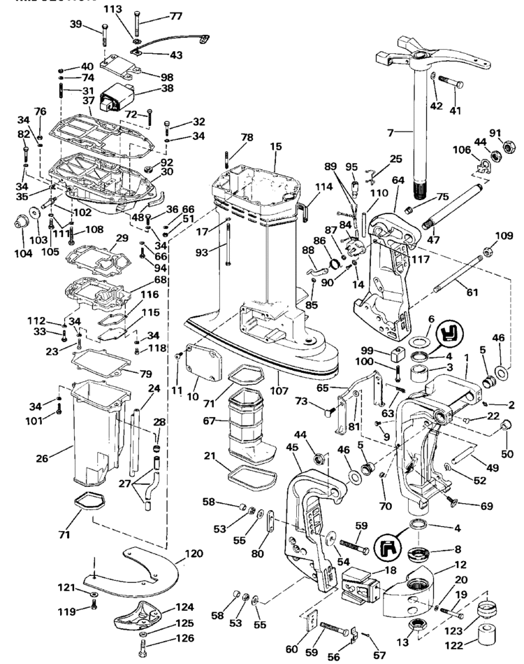
Johnson Evinrude Omc V4 Lower Cowling 432657 1989 90 100

1971

1989 Johnson Evinrude 200hp Carburetor 1831

Evinrude 100 Hp V4

Evinrude Outboard Parts By Hp 100hp Oem Parts Diagram For

1971

Primer System Parts For 1989 25hp J25tecem Outboard Motor

Johnson Evinrude Omc V4 Lower Cowling 432657 1989 90 100

Johnson Ignition Parts For 1984 40hp J40rwcra Outboard Motor

Johnson Ignition Parts For 1989 25hp J25rwk Outboard Motor

Johnson Carburetor Parts For 1989 8hp Tj8rlcec Outboard Motor

Evinrude Suzuki Starter Motor Bracket 1989

Evinrude 1989 8 - E8srlcec Gearcase

1989 Johnson Evinrude 200hp Carburetor 1947

Evinrude Remote Control Parts For 1975 50hp 50572b

Evinrude Electric Starter U0026 Solenoid Parts For 1989 30hp

1993 150 Evanrude Page 1

Engine Cover - Evinrude

Evinrude Carburetor Parts For 1989 150hp Te150slcem

Johnson 50 Hk 1967 Lader Ikke

Johnson Carburetor Parts For 1989 25hp J25tecem Outboard Motor

Diagram Wiring Diagram For 1989 Evinrude 100 Hp

  • Download Wiring Diagram For 1989 Evinrude 100 Hp

    draw.io is free online diagram software for making flowcharts, process diagrams, org charts, UML, ER and network diagrams

    Open and edit diagrams online with Draw.io, a free diagram software supporting various formats and diagram types.

    Create a new diagram, or open an existing diagram in your new tab. To create a new diagram, enter a Diagram Name and click the location where you want to save the file.

    Create flowcharts and diagrams online with this easy to use software.

    Create and edit diagrams with draw.io, a free diagramming tool that integrates seamlessly with Office 365.

    app.diagrams.net

    Easily import diagrams from Lucidchart to diagrams.net or draw.io with this simple tool.

    Access and integrate Google Drive files with Draw.io using the Google Picker tool for seamless diagram creation.

    Clearing Cached version 29.3.4... OK Update Start App

    confEmbedUpload=For a better editing experience, please use the regular draw.io macro to insert a blank diagram, then from (File menu → Import From → Device...) select the file you want to upload and embed.

    3 way switch,3 way switch wiring,3 way switch wiring diagram pdf,3 way wiring diagram,3way switch wiring diagram,4 prong dryer outlet wiring diagram,4 prong trailer wiring diagram,6 way trailer wiring diagram,7 pin trailer wiring diagram with brakes,7 pin wiring diagram,alternator wiring diagram,amp wiring diagram,automotive lighting,cable harness,chevrolet,diagram,dodge,doorbell wiring diagram,ecobee wiring diagram,electric motor,electrical connector,electrical wiring,electrical wiring diagram,ford,fuse,honeywell thermostat wiring diagram,ignition system,kenwood car stereo wiring diagram,light switch wiring diagram,lighting,motor wiring diagram,nest doorbell wiring diagram,nest hello wiring diagram,nest labs,nest thermostat,nest thermostat wiring diagram,phone connector,pin,pioneer wiring diagram,plug wiring diagram,pump,radio,radio wiring diagram,relay,relay wiring diagram,resistor,rj45 wiring diagram,schematic,semi-trailer truck,sensor,seven pin trailer wiring diagram,speaker wiring diagram,starter wiring diagram,stereo wiring diagram,stereophonic sound,strat wiring diagram,switch,switch wiring diagram,telecaster wiring diagram,thermostat wiring,thermostat wiring diagram,trailer brake controller,trailer plug wiring diagram,trailer wiring diagram,user guide,wire,wire diagram,wiring diagram,wiring diagram 3 way switch,wiring harness

    close