Wiring Diagram Honda C100

Wiring Diagram Honda C100

  • Category : Honda C100
  • Post Date : January 27, 2026
Wiring Diagram Honda C100 9 out of 10 based on 20 ratings. 50 user reviews.

Wiring Diagram Honda C100

Honda C100 General Export Gear Change

Honda C100 Wiring Schematic - Honda 4-stroke Net

Wiring Diagrams And Free Manual Ebooks Honda C100 Wiring

Honda C100 Worldwide Except U S A Stand

Wiring Schematic - Honda 4-stroke Net

Honda C100 Wiring Diagram Photo By Boolong66

Honda C100 Ignition Switch Wires

Honda Ca100 1962 Usa Carburetor

Honda C100 General Export Transmission

Honda C100 General Export Carburetor

Honda C102 Worldwide Except Usa Cylinder

Wiring Diagrams U00ab Myrons Mopeds

Pin Honda

Wiring Diagrams - Honda 4-stroke Net

Re Honda C100 Wiring Issue U2014 Moped Army

Reader Query Some Thoughts On Early Honda Cub Carburettors

Honda C100 Worldwide Except U S A Contact Breaker

Honda C100 General Export Head Light - Battery

Wiring Diagrams - Honda 4-stroke Net

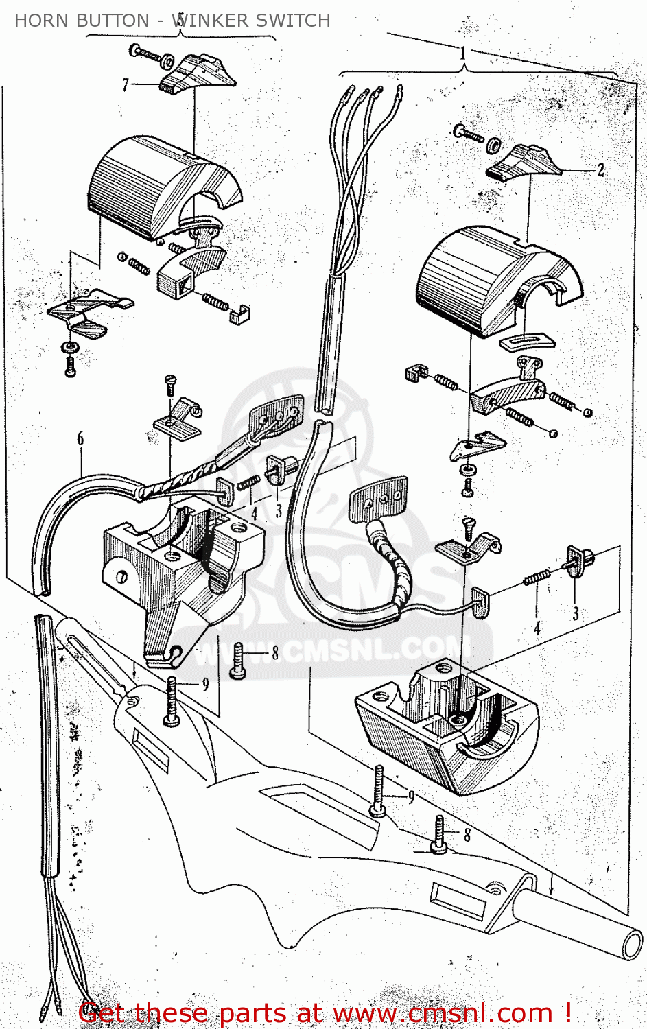
Honda C102 Worldwide Except Usa Horn Button

Wiring Diagrams - Honda 4-stroke Net

Honda C102 Worldwide Except U S A Front Fork

Wiring Diagrams - Honda 4-stroke Net

Honda C100 Clutch - No U0026 39 Neutral U0026 39 In Gear

Wiring Diagrams And Free Manual Ebooks Classic 1962 Honda

Honda C100 Worldwide Except U S A Crankshaft

Honda Cgm114 Germany 140115 Winker 2 Used In Germany

Wiring Diagrams - Honda 4-stroke Net

Keihin Carburetor Diagram

Differences Between The Honda C100 C102 C110 And C114

Differences Between The Honda C100 C102 C110 And C114

Wiring Diagrams And Free Manual Ebooks Honda C100 Wiring

Wiring Diagrams And Free Manual Ebooks December 2014

Honda Parts U00ab Myrons Mopeds

Honda C100 Rectifier Regulator Diagram Honda C100

Wiring Diagrams Correct For Uk Models

Honda C100 Clutch - No U0026 39 Neutral U0026 39 In Gear

My Honda C50

Maret 2014

Honda C50k1dv General Export Wire Harness

Wiring Diagrams Correct For Uk Models

31700

Differences Between The Honda C100 C102 C110 And C114

Honda C50 Cub 1988 Greece Wire Harness Battery C50lag G J

Wiring Diagrams U00ab Myrons Mopeds

Innova In Cub - Page 2

Diagram Wiring Diagram Honda C100

  • Download Wiring Diagram Honda C100

    draw.io is free online diagram software for making flowcharts, process diagrams, org charts, UML, ER and network diagrams

    Open and edit diagrams online with Draw.io, a free diagram software supporting various formats and diagram types.

    Create a new diagram, or open an existing diagram in your new tab. To create a new diagram, enter a Diagram Name and click the location where you want to save the file.

    Create flowcharts and diagrams online with this easy to use software.

    Create and edit diagrams with draw.io, a free diagramming tool that integrates seamlessly with Office 365.

    app.diagrams.net

    Easily import diagrams from Lucidchart to diagrams.net or draw.io with this simple tool.

    Access and integrate Google Drive files with Draw.io using the Google Picker tool for seamless diagram creation.

    Clearing Cached version 29.3.4... OK Update Start App

    confEmbedUpload=For a better editing experience, please use the regular draw.io macro to insert a blank diagram, then from (File menu → Import From → Device...) select the file you want to upload and embed.

    3 way switch,3 way switch wiring,3 way switch wiring diagram pdf,3 way wiring diagram,3way switch wiring diagram,4 prong dryer outlet wiring diagram,4 prong trailer wiring diagram,6 way trailer wiring diagram,7 pin trailer wiring diagram with brakes,7 pin wiring diagram,alternator wiring diagram,amp wiring diagram,automotive lighting,cable harness,chevrolet,diagram,dodge,doorbell wiring diagram,ecobee wiring diagram,electric motor,electrical connector,electrical wiring,electrical wiring diagram,ford,fuse,honeywell thermostat wiring diagram,ignition system,kenwood car stereo wiring diagram,light switch wiring diagram,lighting,motor wiring diagram,nest doorbell wiring diagram,nest hello wiring diagram,nest labs,nest thermostat,nest thermostat wiring diagram,phone connector,pin,pioneer wiring diagram,plug wiring diagram,pump,radio,radio wiring diagram,relay,relay wiring diagram,resistor,rj45 wiring diagram,schematic,semi-trailer truck,sensor,seven pin trailer wiring diagram,speaker wiring diagram,starter wiring diagram,stereo wiring diagram,stereophonic sound,strat wiring diagram,switch,switch wiring diagram,telecaster wiring diagram,thermostat wiring,thermostat wiring diagram,trailer brake controller,trailer plug wiring diagram,trailer wiring diagram,user guide,wire,wire diagram,wiring diagram,wiring diagram 3 way switch,wiring harness

    close