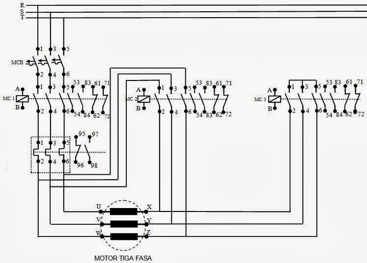
Wiring Diagram Motor Listrik 3 Fasa

Wiring Diagram Motor Listrik 3 Fasa

  • Category : 3 Fasa
  • Post Date : January 27, 2026
Wiring Diagram Motor Listrik 3 Fasa 9 out of 10 based on 100 ratings. 60 user reviews.

Wiring Diagram Motor Listrik 3 Fasa

Blog Teknik U0026 Vokasi Mengoperasikan Motor Listrik Dari

Syofyan U0026 39 S Blog Rangkaian Motor Listrik 3 Fasa Terhubung

Ilmu Listrik Rangkaian Motor Tiga Fasa Dengan Star Delta

Mr G Pengasutan Motor 3 Fasa Star Delta

Blog Teknik U0026 Vokasi Program Plc Ladder Untuk

Job Sheet Praktek Instalasi Motor Listrik Tema

Gambar Rangkaian Mcb

Memasang Lampu Indikator Led Dalam Sistem Kontrol Motor

Macam

Rangkaian Kontrol Motor Listrik 3 Fasa Hidup Mati

Rangkaian Kontrol Motor Listrik 3 Fasa Hidup Mati

Sistem Kontrol Motor Listrik 3 Phasa Star Delta Mebuat Dan

Diagram Single Line

12 Diagram Kelistrikan Pendingin Udara

Diagram Wiring Diagram Motor Listrik 3 Fasa

  • Download Wiring Diagram Motor Listrik 3 Fasa

    draw.io is free online diagram software for making flowcharts, process diagrams, org charts, UML, ER and network diagrams

    Open and edit diagrams online with Draw.io, a free diagram software supporting various formats and diagram types.

    Create a new diagram, or open an existing diagram in your new tab. To create a new diagram, enter a Diagram Name and click the location where you want to save the file.

    Create flowcharts and diagrams online with this easy to use software.

    Create and edit diagrams with draw.io, a free diagramming tool that integrates seamlessly with Office 365.

    app.diagrams.net

    Easily import diagrams from Lucidchart to diagrams.net or draw.io with this simple tool.

    Access and integrate Google Drive files with Draw.io using the Google Picker tool for seamless diagram creation.

    Clearing Cached version 29.3.4... OK Update Start App

    confEmbedUpload=For a better editing experience, please use the regular draw.io macro to insert a blank diagram, then from (File menu → Import From → Device...) select the file you want to upload and embed.

    3 way switch,3 way switch wiring,3 way switch wiring diagram pdf,3 way wiring diagram,3way switch wiring diagram,4 prong dryer outlet wiring diagram,4 prong trailer wiring diagram,6 way trailer wiring diagram,7 pin trailer wiring diagram with brakes,7 pin wiring diagram,alternator wiring diagram,amp wiring diagram,automotive lighting,cable harness,chevrolet,diagram,dodge,doorbell wiring diagram,ecobee wiring diagram,electric motor,electrical connector,electrical wiring,electrical wiring diagram,ford,fuse,honeywell thermostat wiring diagram,ignition system,kenwood car stereo wiring diagram,light switch wiring diagram,lighting,motor wiring diagram,nest doorbell wiring diagram,nest hello wiring diagram,nest labs,nest thermostat,nest thermostat wiring diagram,phone connector,pin,pioneer wiring diagram,plug wiring diagram,pump,radio,radio wiring diagram,relay,relay wiring diagram,resistor,rj45 wiring diagram,schematic,semi-trailer truck,sensor,seven pin trailer wiring diagram,speaker wiring diagram,starter wiring diagram,stereo wiring diagram,stereophonic sound,strat wiring diagram,switch,switch wiring diagram,telecaster wiring diagram,thermostat wiring,thermostat wiring diagram,trailer brake controller,trailer plug wiring diagram,trailer wiring diagram,user guide,wire,wire diagram,wiring diagram,wiring diagram 3 way switch,wiring harness

    close