Wiring Diagram Of Forward Reverse Motor

Wiring Diagram Of Forward Reverse Motor

  • Category : Reverse Motor
  • Post Date : January 27, 2026
Wiring Diagram Of Forward Reverse Motor 9 out of 10 based on 90 ratings. 10 user reviews.

Wiring Diagram Of Forward Reverse Motor

Forward Reverse Starter Working Principle Reverse Forward Motor

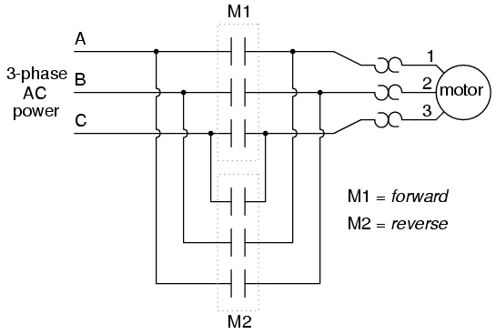
Forward Reverse Motor Control Forward Reverse Circuit Diagram Reversing A Three Phase Motor

Plc Implementation Of Forward Reverse Motor Circuit With Interlocking

A How To Guide For The Power Circuit Of A Forward Reverse Electric Motor Controller

Plc Implementation Of Forward Reverse Motor Circuit With Interlocking

Forward Reverse 3 Phase Motor Control

Forward Reverse Motor Control

Plc Implementation Of Forward Reverse Motor Cicuit With Interlocking

Dc Series Motor Forward Reverse Starter Connection And Working Function

Single Phase Forward Reverse Motor Wiring Diagram

Electrical Wiring Diagram Forward Reverse Motor Control And Power Circuit With Plc Connection

Electrical Standards Overload Relay Working Principle And Features Of Thermal Motor Overload

Reversing Motor Starter Wiring Diagram

Forward Reverse 3 Phase Ac Motor Control Wiring Diagram

Elec Eng World

Electrical Online 4u

Forward Reverse Motor Using Push Botton Diagram

A How To Guide For The Control Circuit Of A Forward Reverse Electric Motor Controller

The Circuit Diagram For Dc Motor For Forward And Reverse Direction

Forward Reverse Motor Starter

Power Circuit Of A Star Delta Or Wye Delta Forward Reverse Electric Motor Controller

Forward Reverse Motor Control Diagram Reversing Contactors

Motor Forward Reverse Wiring Diagram

Forward

Kursus Plc Pelatihan Plc Hmi Scada Jakarta Depok Bekasi Tangerang

Avani Sanhida

Diagram Wiring Diagram Of Forward Reverse Motor

  • Download Wiring Diagram Of Forward Reverse Motor

    draw.io is free online diagram software for making flowcharts, process diagrams, org charts, UML, ER and network diagrams

    Open and edit diagrams online with Draw.io, a free diagram software supporting various formats and diagram types.

    Create a new diagram, or open an existing diagram in your new tab. To create a new diagram, enter a Diagram Name and click the location where you want to save the file.

    Create flowcharts and diagrams online with this easy to use software.

    Create and edit diagrams with draw.io, a free diagramming tool that integrates seamlessly with Office 365.

    Easily import diagrams from Lucidchart to diagrams.net or draw.io with this simple tool.

    Access and integrate Google Drive files with Draw.io using the Google Picker tool for seamless diagram creation.

    Clearing Cached version 29.3.4... OK Update Start App

    confEmbedUpload=For a better editing experience, please use the regular draw.io macro to insert a blank diagram, then from (File menu → Import From → Device...) select the file you want to upload and embed.

    If you enter personal information into a diagram and perform an action that requires us to send that diagram to a server for processing, your personal data may be processed on that server, but never stored.

    3 way switch,3 way switch wiring,3 way switch wiring diagram pdf,3 way wiring diagram,3way switch wiring diagram,4 prong dryer outlet wiring diagram,4 prong trailer wiring diagram,6 way trailer wiring diagram,7 pin trailer wiring diagram with brakes,7 pin wiring diagram,alternator wiring diagram,amp wiring diagram,automotive lighting,cable harness,chevrolet,diagram,dodge,doorbell wiring diagram,ecobee wiring diagram,electric motor,electrical connector,electrical wiring,electrical wiring diagram,ford,fuse,honeywell thermostat wiring diagram,ignition system,kenwood car stereo wiring diagram,light switch wiring diagram,lighting,motor wiring diagram,nest doorbell wiring diagram,nest hello wiring diagram,nest labs,nest thermostat,nest thermostat wiring diagram,phone connector,pin,pioneer wiring diagram,plug wiring diagram,pump,radio,radio wiring diagram,relay,relay wiring diagram,resistor,rj45 wiring diagram,schematic,semi-trailer truck,sensor,seven pin trailer wiring diagram,speaker wiring diagram,starter wiring diagram,stereo wiring diagram,stereophonic sound,strat wiring diagram,switch,switch wiring diagram,telecaster wiring diagram,thermostat wiring,thermostat wiring diagram,trailer brake controller,trailer plug wiring diagram,trailer wiring diagram,user guide,wire,wire diagram,wiring diagram,wiring diagram 3 way switch,wiring harness

    close