Wiring Diagram Power Amplifier Mobil

Wiring Diagram Power Amplifier Mobil

  • Category : Amplifier Mobil
  • Post Date : January 26, 2026
Wiring Diagram Power Amplifier Mobil 9 out of 10 based on 100 ratings. 70 user reviews.

Wiring Diagram Power Amplifier Mobil

Power Amplifier Mobil Untuk Speaker Subwoofer

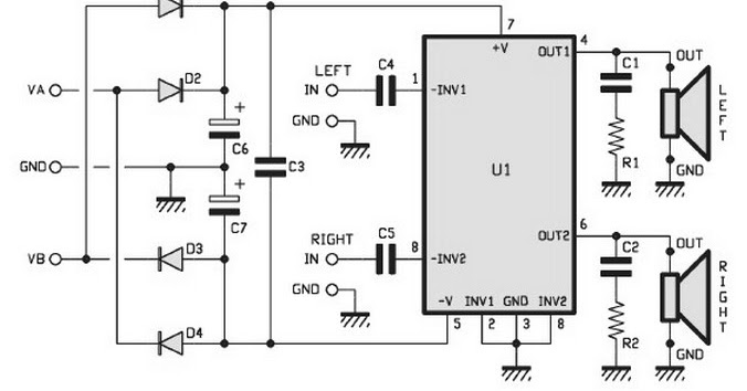
170 W Power Amplifier Schematic

Tips Pasang Sendiri Audio Mobil Head Unit Dan Power

Harga Kit Power Amplifier Mosfet

Unit Front Speakers Rear Speakers Subwoofers 4ch Amplifier

Kit Amplifier Mobil

2800w High Power Amplifier Circuit

Kit Amplifier Mobil

Car Audio Specification

Kit Amplifier Mobil

Analyzing Innovations In Mobile Radio Frequency Front

140w Power Amplifier With Sta5100

Jedia Mobile 35 Mixing Power Amplifier

Jual Sony Xm

The Simplest Audio Amplifier Circuit Diagram

15w

44 Watt Mobile Car Stereo Amplifier Tda1554q Circuit

Simple Powerful Audio Amplifier Using Single Mosfet

Audio Mobil

Wiring Schematic Diagram 300w Subwoofer Power Amplifier

Power Amplifier Mono Bcl 20w By Ic Tda2005 U2013 Circuit

2000w Class Ab Power Amplifier

10000 Watts Power Amplifier Schematic Diagram

Wiring Machine 7294ic Circuit Diagram

450w Audio Power Amplifier Circuit

Audio Power Amplifier Circuit

Build 10 Watt Audio Power Amplifier Circuit

Practical Power Amplifier Stages And Block Diagram Power

4558 Ic Circuit Diagram

Jvc Ks

Nakamichi Pa-350 - Manual - Mobile Power Amplifier

700w Power Amplifier With 2sc5200 2sa1943

Pin Em Audio Schematic

Build A 1000w Power Amplifier Circuit Diagram

3000w Stereo Power Amplifier Circuit

Cell Phone Jammer Rf Amplifier Circuit Diagram

Eletr U00f4nica Free Circuits Esquema Amplificador 600w

Amplifier High Power Irfp460 Mosfet Power Amplifier

800w Power Amplifier Circuit

Fujitsu Develops Transmitter Power Amplifier Circuit

Rakitan Kit Usb Mp3 Tape Mobil Amplifier Berkualitas

Build A 25w Class A Power Audio Amplifier Circuit Diagram

This Simple Mosfet Power Audio Amplifier Circuit With

Tda 2050

Amplifiercircuits Com U2013 Page 2 U2013 Find The Best Amplifier

Mobile Home Repair Diy Help Mobile Home Power Pole Diagram

Stereo High Power Audio Amplifier

Power Amplifier U2013 Page 3 U2013 Electronic Circuit Diagram

150 What Car Power Amplifier Schema

Kumpulan Skema Audio Sound System Terlengkap

2x15w Stereo Power Amplifier Circuits Based Tda1521

Philips Plasma Tv Fm23

Diagram Wiring Diagram Power Amplifier Mobil

  • Download Wiring Diagram Power Amplifier Mobil

    draw.io is free online diagram software for making flowcharts, process diagrams, org charts, UML, ER and network diagrams

    Open and edit diagrams online with Draw.io, a free diagram software supporting various formats and diagram types.

    Create a new diagram, or open an existing diagram in your new tab. To create a new diagram, enter a Diagram Name and click the location where you want to save the file.

    Create flowcharts and diagrams online with this easy to use software.

    Easily import diagrams from Lucidchart to diagrams.net or draw.io with this simple tool.

    Create and edit diagrams with draw.io, a free diagramming tool that integrates seamlessly with Office 365.

    Access and integrate Google Drive files with Draw.io using the Google Picker tool for seamless diagram creation.

    Clearing Cached version 29.3.4... OK Update Start App

    7.2 The Software will initiate transfers of data forming part of the Diagrams (“Diagram Data”) to services supplied by third parties when you expressly request conversion of Diagrams: a. to another supported file format; and b. to PDF format.

    "short_name": "draw.io", "description": "draw.io is a free diagram editor", "icons": [ { "src": ".. favicon.ico", "type": "image x icon", "sizes": "16x16 32x32" }, { "src": "icon 192.png", "type": "image png", "sizes": "192x192" }, { "src": "icon 512.png", "type": "image png", "sizes": "512x512" },

    3 way switch,3 way switch wiring,3 way switch wiring diagram pdf,3 way wiring diagram,3way switch wiring diagram,4 prong dryer outlet wiring diagram,4 prong trailer wiring diagram,6 way trailer wiring diagram,7 pin trailer wiring diagram with brakes,7 pin wiring diagram,alternator wiring diagram,amp wiring diagram,automotive lighting,cable harness,chevrolet,diagram,dodge,doorbell wiring diagram,ecobee wiring diagram,electric motor,electrical connector,electrical wiring,electrical wiring diagram,ford,fuse,honeywell thermostat wiring diagram,ignition system,kenwood car stereo wiring diagram,light switch wiring diagram,lighting,motor wiring diagram,nest doorbell wiring diagram,nest hello wiring diagram,nest labs,nest thermostat,nest thermostat wiring diagram,phone connector,pin,pioneer wiring diagram,plug wiring diagram,pump,radio,radio wiring diagram,relay,relay wiring diagram,resistor,rj45 wiring diagram,schematic,semi-trailer truck,sensor,seven pin trailer wiring diagram,speaker wiring diagram,starter wiring diagram,stereo wiring diagram,stereophonic sound,strat wiring diagram,switch,switch wiring diagram,telecaster wiring diagram,thermostat wiring,thermostat wiring diagram,trailer brake controller,trailer plug wiring diagram,trailer wiring diagram,user guide,wire,wire diagram,wiring diagram,wiring diagram 3 way switch,wiring harness

    close