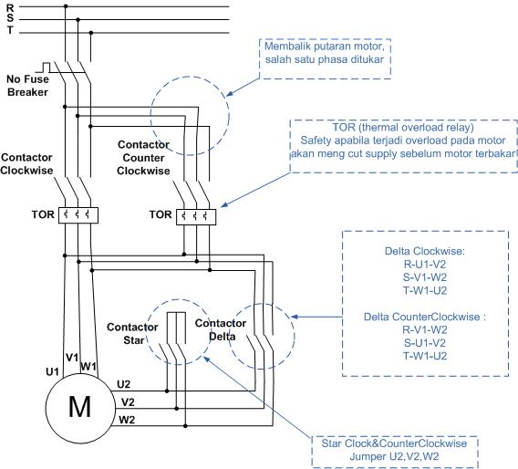
Wiring Diagram Star Delta Menggunakan Timer

Wiring Diagram Star Delta Menggunakan Timer

  • Category : Menggunakan Timer
  • Post Date : January 26, 2026
Wiring Diagram Star Delta Menggunakan Timer 9 out of 10 based on 100 ratings. 80 user reviews.

Wiring Diagram Star Delta Menggunakan Timer

Cold Storage

Wiring Diagram Rangkaian Star Delta Automatis Dan Manual

3 Jenis Instalasi Starter Motor Listrik Paling Populer

Wiring Diagram Star Delta Bintang Segitiga

Program Starting Star Delta Menggunakan Cx Programmer Plc

Foto Gambar Pengkoneksian Penyambungan Rangkaian

Mencari Inspirasi Dalam Sebuah Kesuksesan

Etnik Sugitama Wiring Diagram Kontrol Pompa Dengan Auto

Elektrikal Engineer Rangkaian Star Delta Dan Balik Arah

Rangkaian Star Delta Motor 3 Fasa Manual Dan Auto

Rangkaian Kontrol Motor Listrik 3 Fasa Hidup Mati

Gambar Teknik Listrik 3

Diagram Wiring Diagram Star Delta Menggunakan Timer

  • Download Wiring Diagram Star Delta Menggunakan Timer

    draw.io is free online diagram software for making flowcharts, process diagrams, org charts, UML, ER and network diagrams

    Open and edit diagrams online with Draw.io, a free diagram software supporting various formats and diagram types.

    Create a new diagram, or open an existing diagram in your new tab. To create a new diagram, enter a Diagram Name and click the location where you want to save the file.

    Create flowcharts and diagrams online with this easy to use software.

    Easily import diagrams from Lucidchart to diagrams.net or draw.io with this simple tool.

    Create and edit diagrams with draw.io, a free diagramming tool that integrates seamlessly with Office 365.

    Access and integrate Google Drive files with Draw.io using the Google Picker tool for seamless diagram creation.

    Clearing Cached version 29.3.4... OK Update Start App

    7.2 The Software will initiate transfers of data forming part of the Diagrams (“Diagram Data”) to services supplied by third parties when you expressly request conversion of Diagrams: a. to another supported file format; and b. to PDF format.

    "short_name": "draw.io", "description": "draw.io is a free diagram editor", "icons": [ { "src": ".. favicon.ico", "type": "image x icon", "sizes": "16x16 32x32" }, { "src": "icon 192.png", "type": "image png", "sizes": "192x192" }, { "src": "icon 512.png", "type": "image png", "sizes": "512x512" },

    3 way switch,3 way switch wiring,3 way switch wiring diagram pdf,3 way wiring diagram,3way switch wiring diagram,4 prong dryer outlet wiring diagram,4 prong trailer wiring diagram,6 way trailer wiring diagram,7 pin trailer wiring diagram with brakes,7 pin wiring diagram,alternator wiring diagram,amp wiring diagram,automotive lighting,cable harness,chevrolet,diagram,dodge,doorbell wiring diagram,ecobee wiring diagram,electric motor,electrical connector,electrical wiring,electrical wiring diagram,ford,fuse,honeywell thermostat wiring diagram,ignition system,kenwood car stereo wiring diagram,light switch wiring diagram,lighting,motor wiring diagram,nest doorbell wiring diagram,nest hello wiring diagram,nest labs,nest thermostat,nest thermostat wiring diagram,phone connector,pin,pioneer wiring diagram,plug wiring diagram,pump,radio,radio wiring diagram,relay,relay wiring diagram,resistor,rj45 wiring diagram,schematic,semi-trailer truck,sensor,seven pin trailer wiring diagram,speaker wiring diagram,starter wiring diagram,stereo wiring diagram,stereophonic sound,strat wiring diagram,switch,switch wiring diagram,telecaster wiring diagram,thermostat wiring,thermostat wiring diagram,trailer brake controller,trailer plug wiring diagram,trailer wiring diagram,user guide,wire,wire diagram,wiring diagram,wiring diagram 3 way switch,wiring harness

    close