Wiring Diagrams For 1995 Mazda B4000

Wiring Diagrams For 1995 Mazda B4000

  • Category : Mazda B4000
  • Post Date : January 26, 2026
Wiring Diagrams For 1995 Mazda B4000 9 out of 10 based on 100 ratings. 40 user reviews.

Wiring Diagrams For 1995 Mazda B4000

Where Can I Get A Full Wiring Diagram Of A 1995 Mazda

1995 Mazda B4000 B3000 B2300 Pickup Truck Wiring Diagram

I Recently Replaced The Serpentine Belt On My 1995 Mazda

Repair Guides

I Have A 1997 Mazda B4000 That Is Running Rough I Have

Mazda B4000 Oil Seal

4a72f Mazda B4000 4 0 Engine Diagram

1995 B2300 Fuse Panel Diagram

Mazda B4000 Diagram

1995 Mazda B2300 Fuse Diagram

I Recently Replaced The Serpentine Belt On My 1995 Mazda

Mazda B4000 Engine Air Intake Hose 4 0 Liter 1998

96 Mazda B4000 Fuse Diagram U2013 Diagram Sample

Fuse Box Diagram 1994 Mazda B2300 Pickup

I Recently Replaced The Serpentine Belt On My 1995 Mazda

1994 Mazda B4000 Pipe E G R Egr

Mazda B2300 1995 Fuse Box Block Circuit Breaker Diagram

Repair Guides

1995 Mazda Pickup Truck Repair Shop Manual Original B2300

Mazda Protege 97 Fuse Box

Search

Parts Com U00ae

1995 Mazda Pickup Truck Repair Shop Manual Original B2300

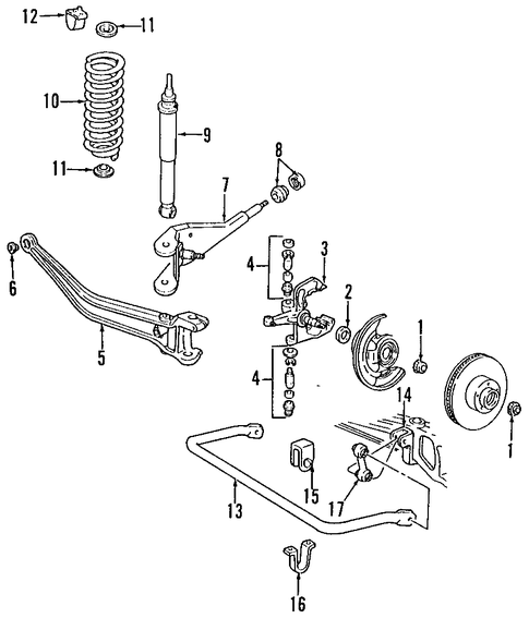
Genuine Oem Suspension Components Parts For 1995 Mazda

1995 Mazda B4000 Pickup Truck Service Repair Manual 95 By

I Have A 93 Ford Ranger Xlt 4x4 6 Cylinder And The 4x4 Is

I Have A 1994 Mazda B4000 The Book Says The Spot Were I

1998 Mazda B4000 B3000 B2500 Pickup Truck Wiring Diagram

1997 Mazda B4000 B3000 B2300 Pickup Truck Wiring Diagram

Mazda B2300 B2500 B3000 B4000 1995

1995 Mazda B2300 Specs Pictures Trims Colors

1995 Mazda B4000 Pickup Truck Service Repair Manual 95

2008 Mazda B2300 Specs Pictures Trims Colors

1996 Mazda B3000 Fuse Box Diagram

Mazda B4000 Hub Manual Locking

2004 Mazda B4000 Fuse Box

4f4cr16x3stm03864 Bidding Ended On 1995 White Mazda B4000

1995 Mazda B4000 Fuel Lethal Rough Country Suspension Lift 4in

2004 Mazda B4000 Reviews Specs And Prices

Need A Fuze Box Diagram For A Mazda B2300 4 Cylinder

1998 Mazda B4000 B3000 B2500 Pickup Truck Wiring Diagram

94 Mazda B4000 4 0l Starts And Runs Okay Has Cm Code 214

Mazda B4000 Exhaust Diagram From Best Value Auto Parts

1994 B4000 Engine Diagram U2022 Downloaddescargar Com

Diagram Wiring Diagrams For 1995 Mazda B4000

  • Download Wiring Diagrams For 1995 Mazda B4000

    draw.io is free online diagram software for making flowcharts, process diagrams, org charts, UML, ER and network diagrams

    Open and edit diagrams online with Draw.io, a free diagram software supporting various formats and diagram types.

    Create a new diagram, or open an existing diagram in your new tab. To create a new diagram, enter a Diagram Name and click the location where you want to save the file.

    Create flowcharts and diagrams online with this easy to use software.

    Easily import diagrams from Lucidchart to diagrams.net or draw.io with this simple tool.

    Create and edit diagrams with draw.io, a free diagramming tool that integrates seamlessly with Office 365.

    Access and integrate Google Drive files with Draw.io using the Google Picker tool for seamless diagram creation.

    Clearing Cached version 29.3.4... OK Update Start App

    7.2 The Software will initiate transfers of data forming part of the Diagrams (“Diagram Data”) to services supplied by third parties when you expressly request conversion of Diagrams: a. to another supported file format; and b. to PDF format.

    "short_name": "draw.io", "description": "draw.io is a free diagram editor", "icons": [ { "src": ".. favicon.ico", "type": "image x icon", "sizes": "16x16 32x32" }, { "src": "icon 192.png", "type": "image png", "sizes": "192x192" }, { "src": "icon 512.png", "type": "image png", "sizes": "512x512" },

    3 way switch,3 way switch wiring,3 way switch wiring diagram pdf,3 way wiring diagram,3way switch wiring diagram,4 prong dryer outlet wiring diagram,4 prong trailer wiring diagram,6 way trailer wiring diagram,7 pin trailer wiring diagram with brakes,7 pin wiring diagram,alternator wiring diagram,amp wiring diagram,automotive lighting,cable harness,chevrolet,diagram,dodge,doorbell wiring diagram,ecobee wiring diagram,electric motor,electrical connector,electrical wiring,electrical wiring diagram,ford,fuse,honeywell thermostat wiring diagram,ignition system,kenwood car stereo wiring diagram,light switch wiring diagram,lighting,motor wiring diagram,nest doorbell wiring diagram,nest hello wiring diagram,nest labs,nest thermostat,nest thermostat wiring diagram,phone connector,pin,pioneer wiring diagram,plug wiring diagram,pump,radio,radio wiring diagram,relay,relay wiring diagram,resistor,rj45 wiring diagram,schematic,semi-trailer truck,sensor,seven pin trailer wiring diagram,speaker wiring diagram,starter wiring diagram,stereo wiring diagram,stereophonic sound,strat wiring diagram,switch,switch wiring diagram,telecaster wiring diagram,thermostat wiring,thermostat wiring diagram,trailer brake controller,trailer plug wiring diagram,trailer wiring diagram,user guide,wire,wire diagram,wiring diagram,wiring diagram 3 way switch,wiring harness

    close